lemon-mirror:
Home >> Subaru >> 2008 >> Forester F4-2.5L SOHC >> Repair and Diagnosis >> Powertrain Management >> Computers and Control Systems >> Engine Control Module >> Testing and Inspection

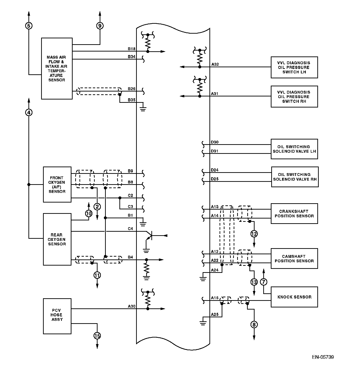
Engine Control Module: Testing and Inspection

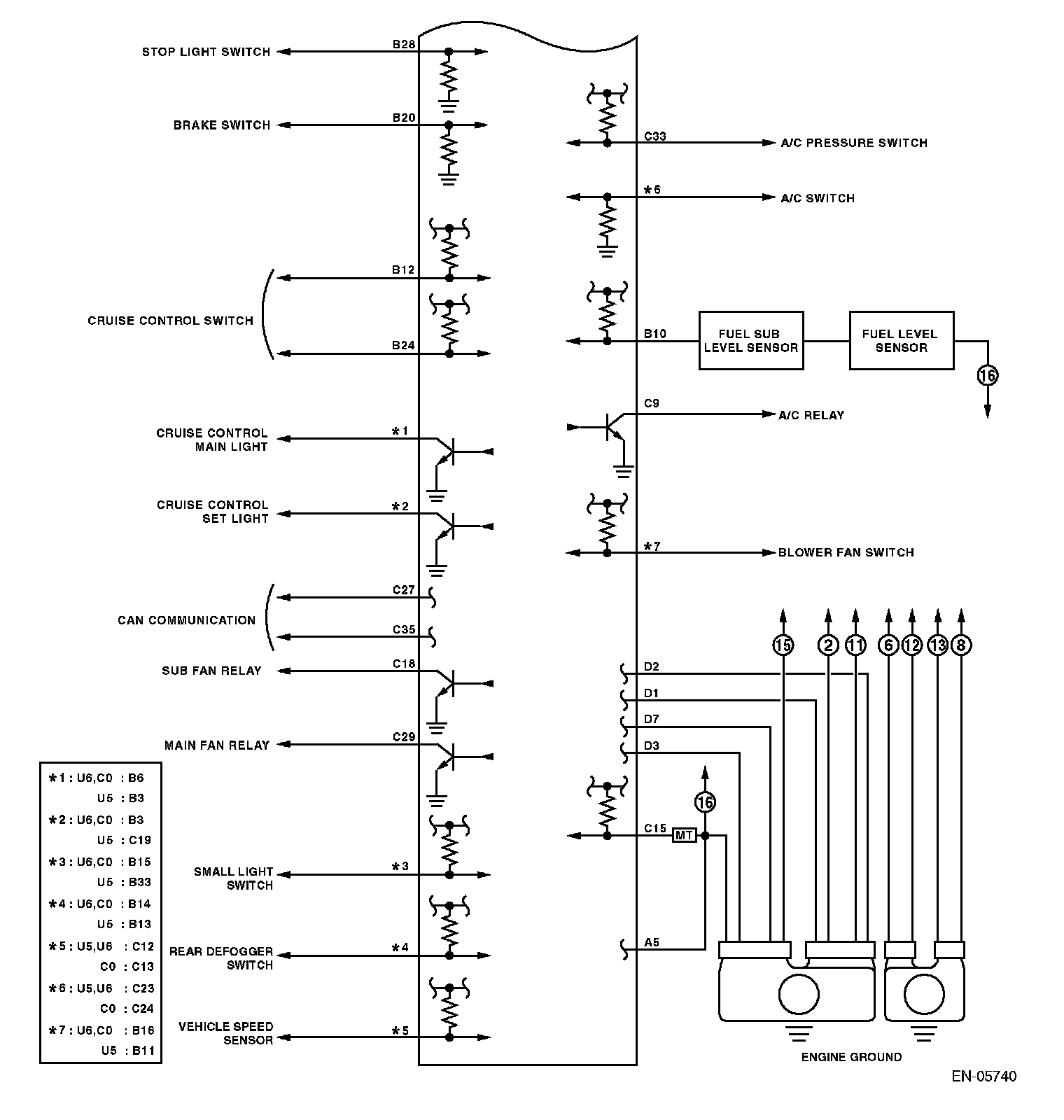
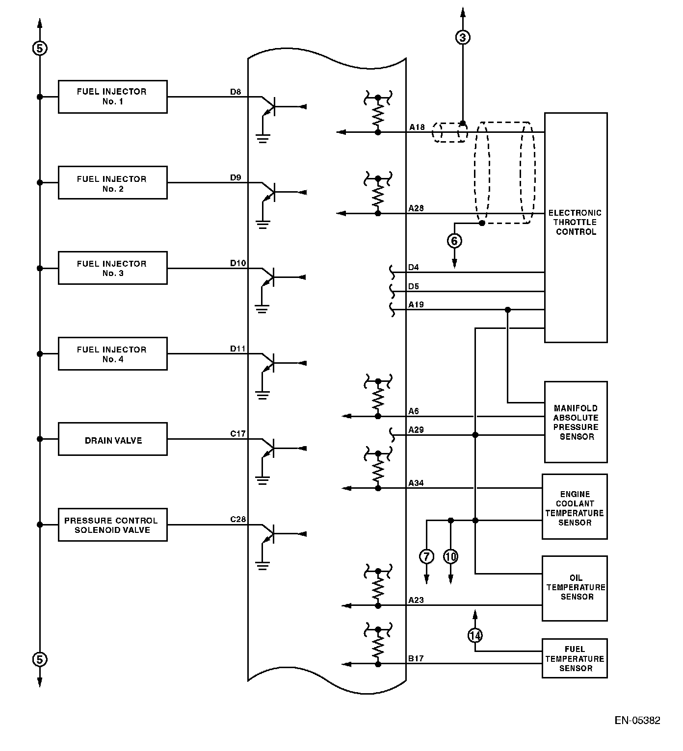
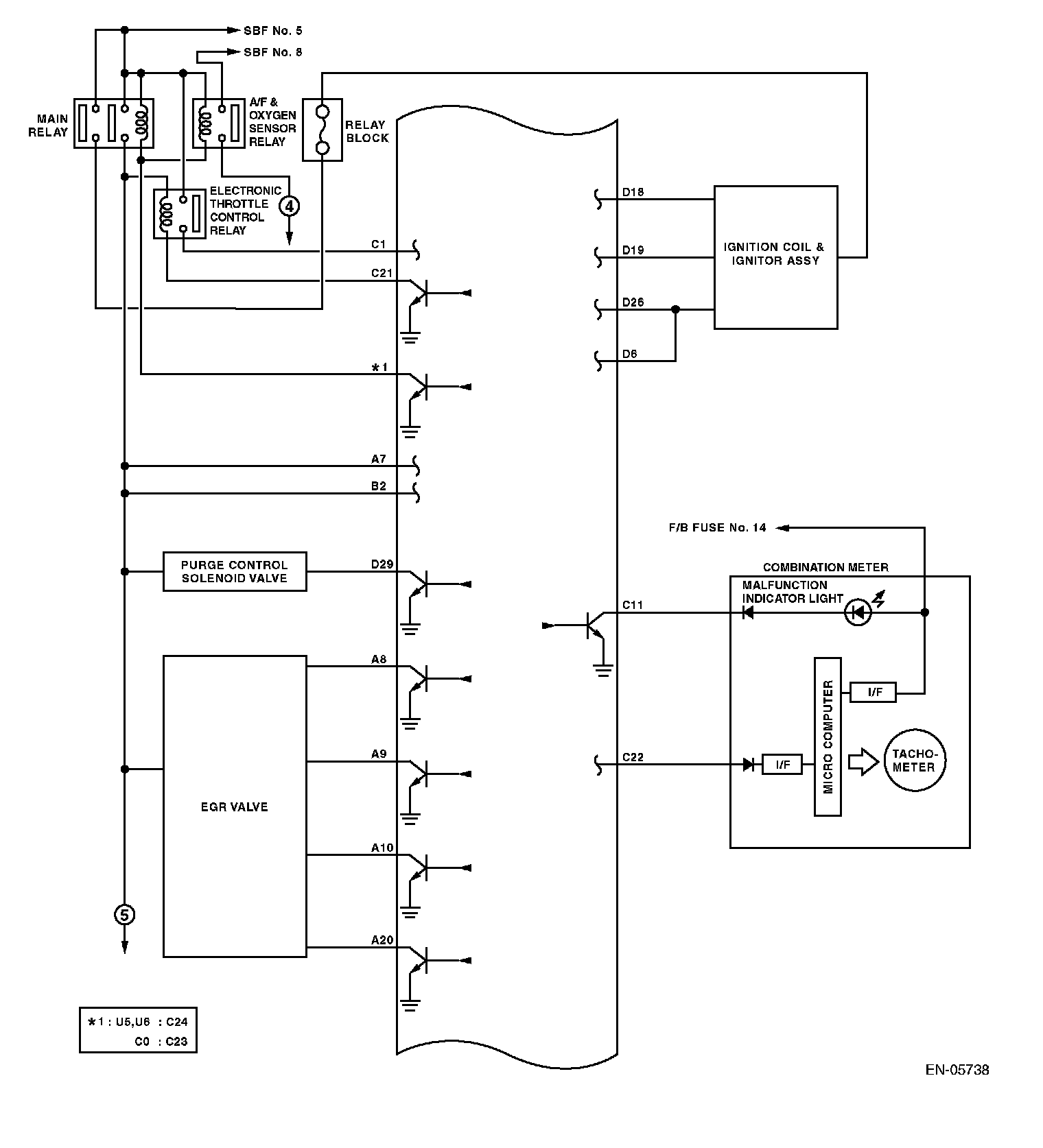
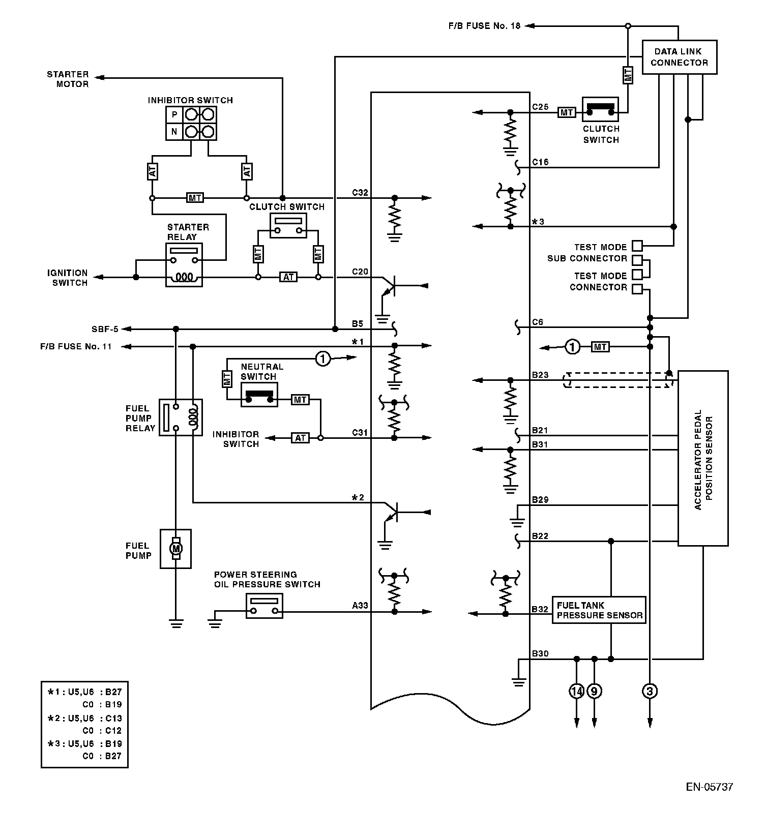
Engine Control Module (ECM) I/O Signal-Electrical Specification:



Part 1:



Part 2:



Part 3:



Part 4:



Part 1:



Part 2:



Part 3:



Part 4:



Part 1:



Part 2:



Part 3:



Part 4: