lemon-mirror:
Home >> Subaru >> 2007 >> Outback Sport F4-2.5L SOHC >> Repair and Diagnosis >> Diagrams >> Electrical Diagrams >> Powertrain Management >> Computers and Control Systems >> Engine Control Module

Engine Control Module

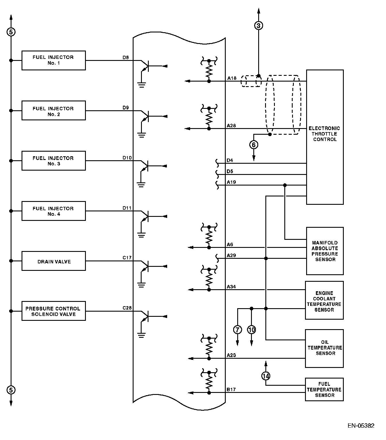
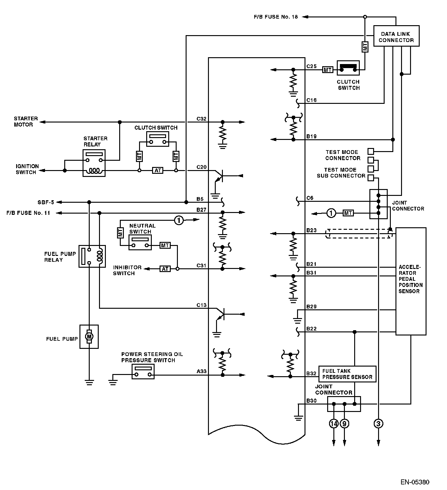
Engine Control Module (ECM) I/O Signal:



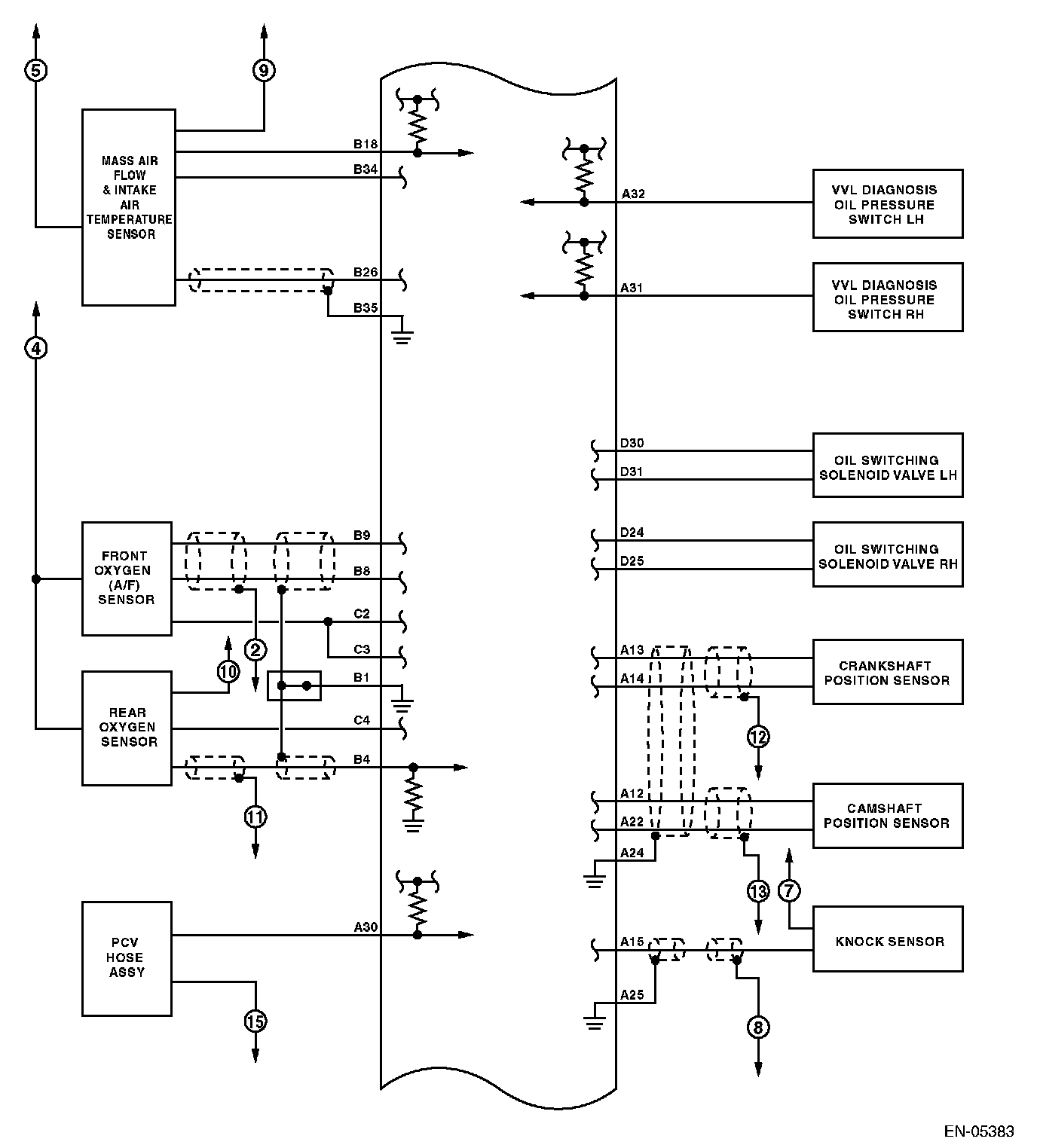
Engine Control Module (ECM) I/O Signal:



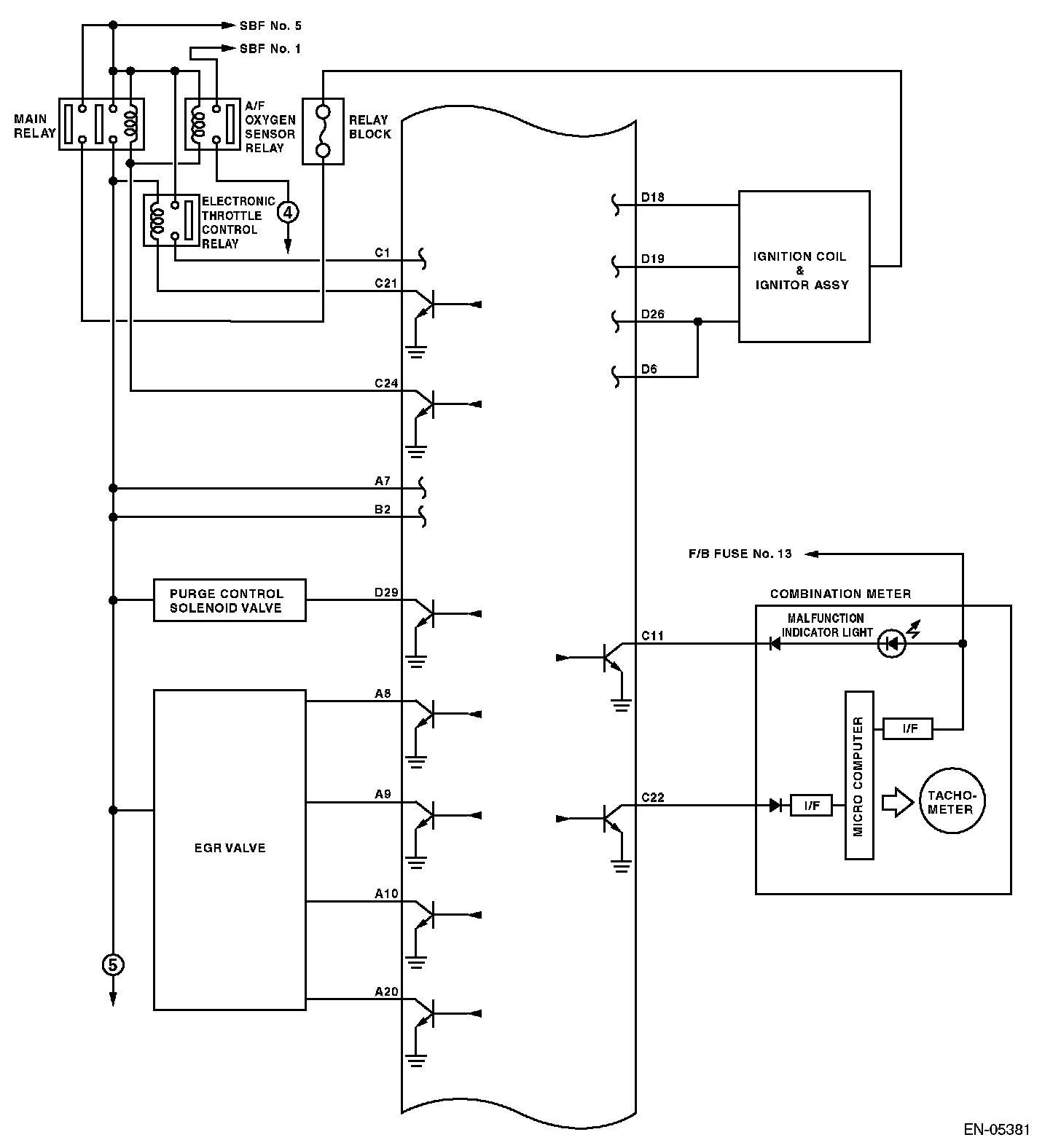
Engine Control Module (ECM) I/O Signal:



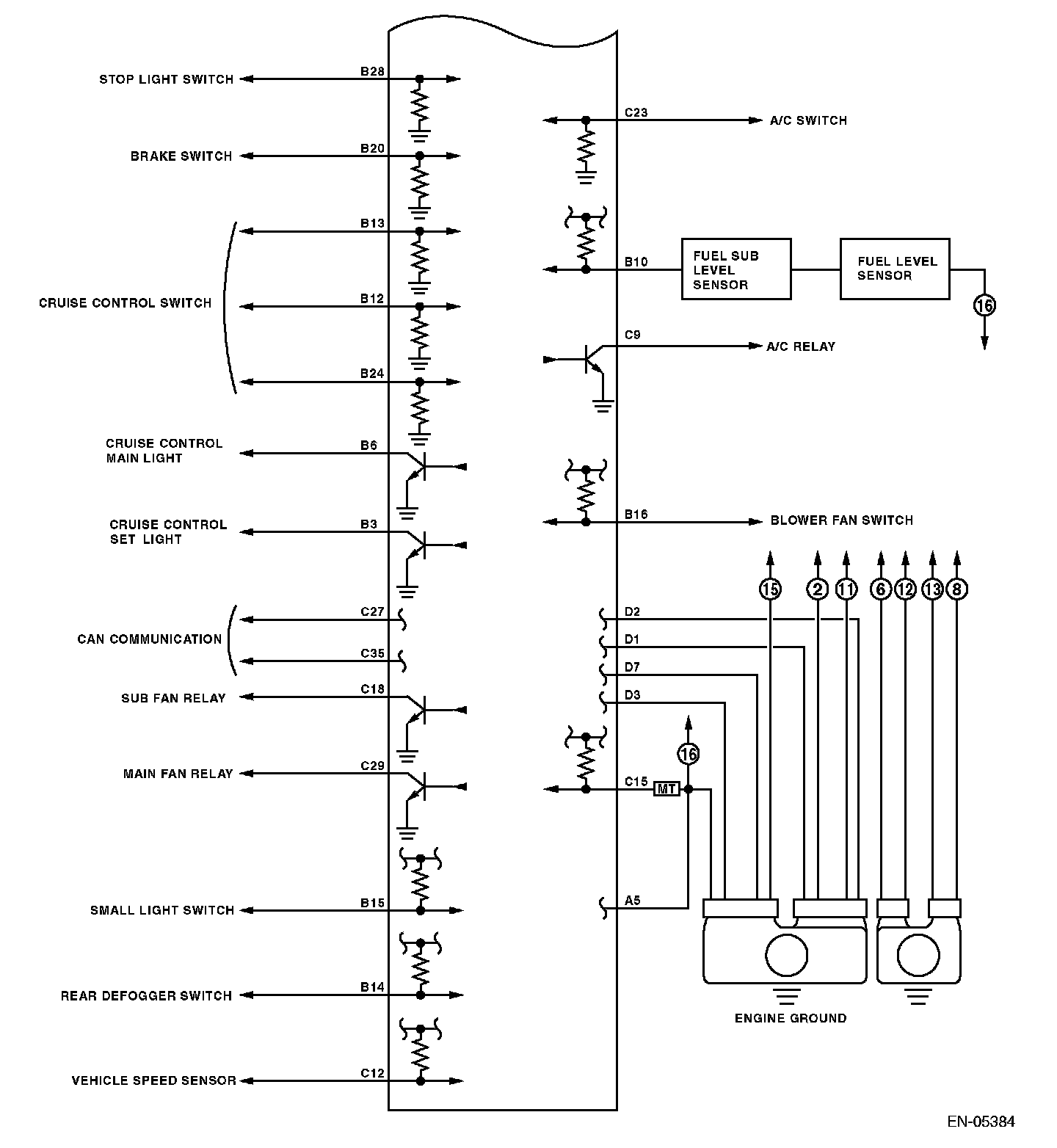
Engine Control Module (ECM) I/O Signal:



Engine Control Module (ECM) I/O Signal: