lemon-mirror:
Home >> Subaru >> 2007 >> Outback F6-3.0L DOHC >> Repair and Diagnosis >> Powertrain Management >> Computers and Control Systems >> Engine Control Module >> Testing and Inspection

Engine Control Module: Testing and Inspection

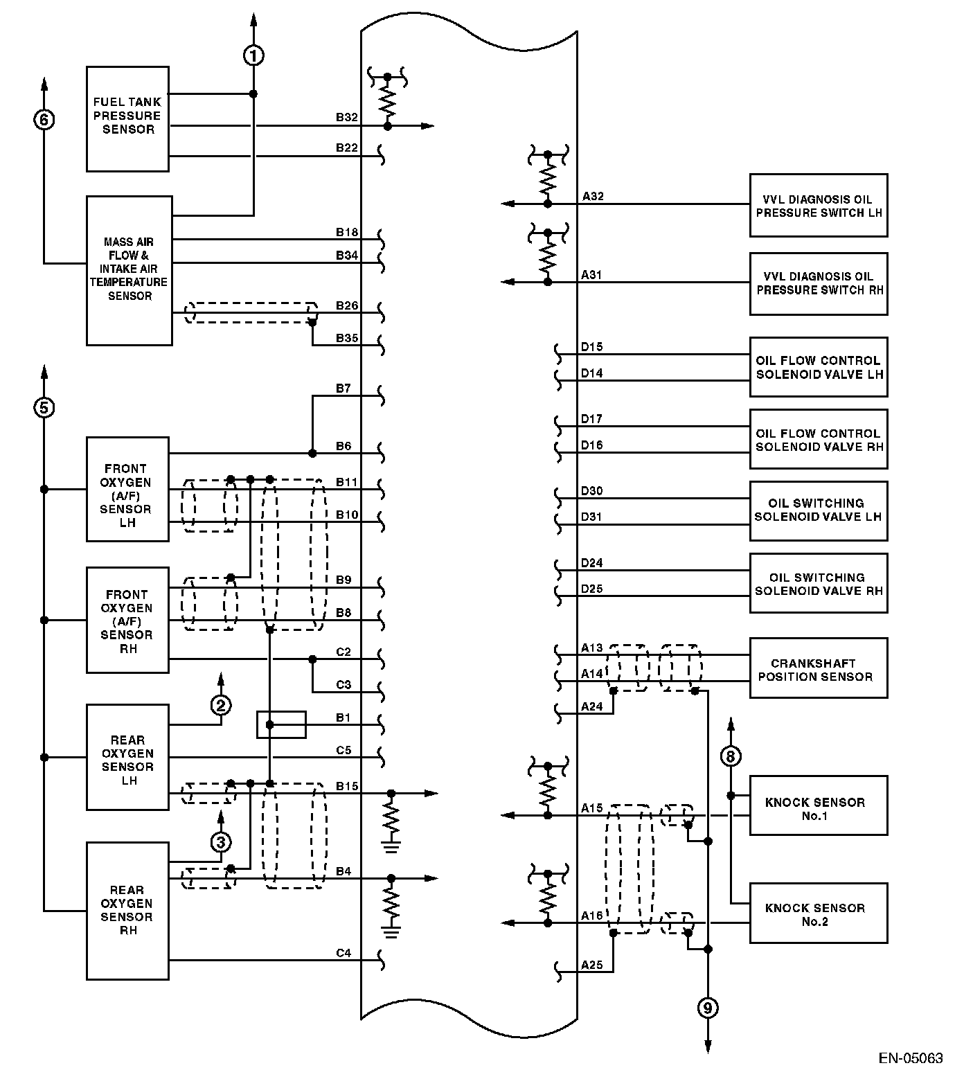
Engine Control Module (ECM) I/O Signal (Part 1):



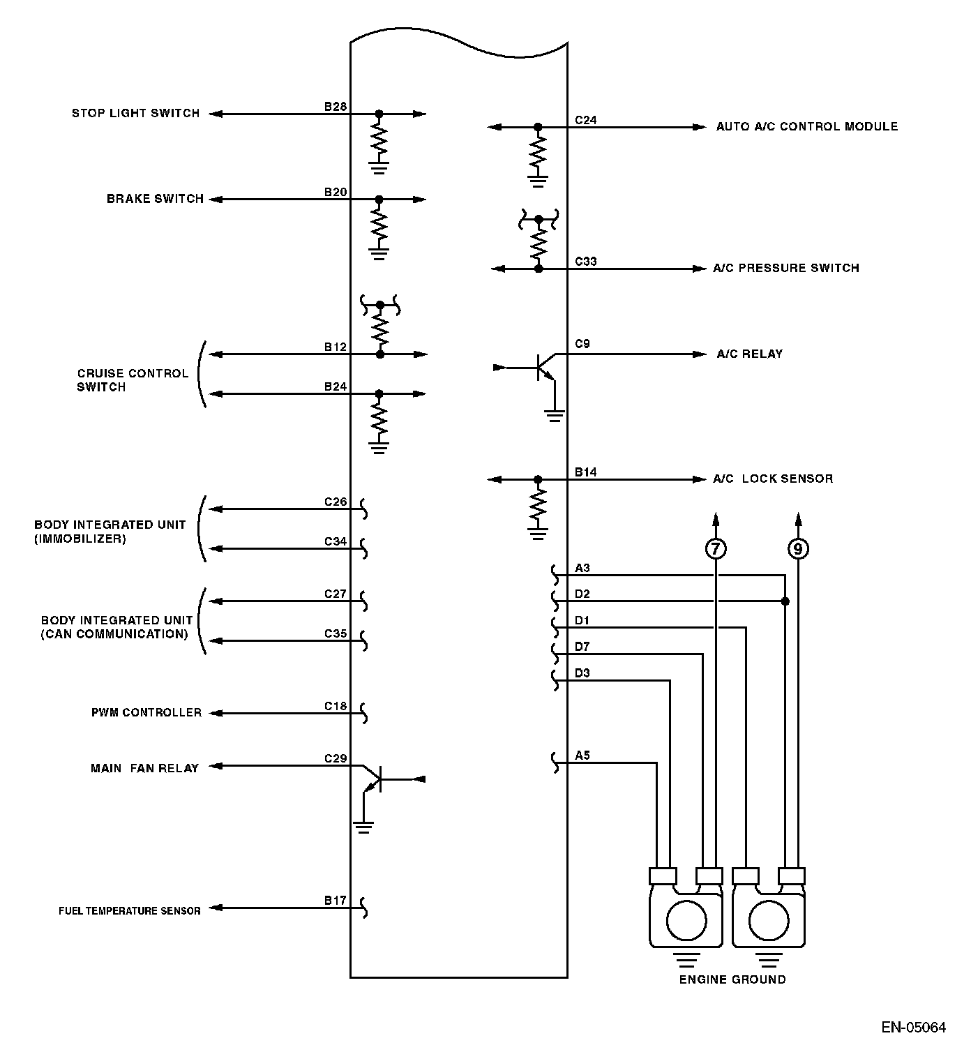
Engine Control Module (ECM) I/O Signal (Part 2):



Engine Control Module (ECM) I/O Signal (Part 3):



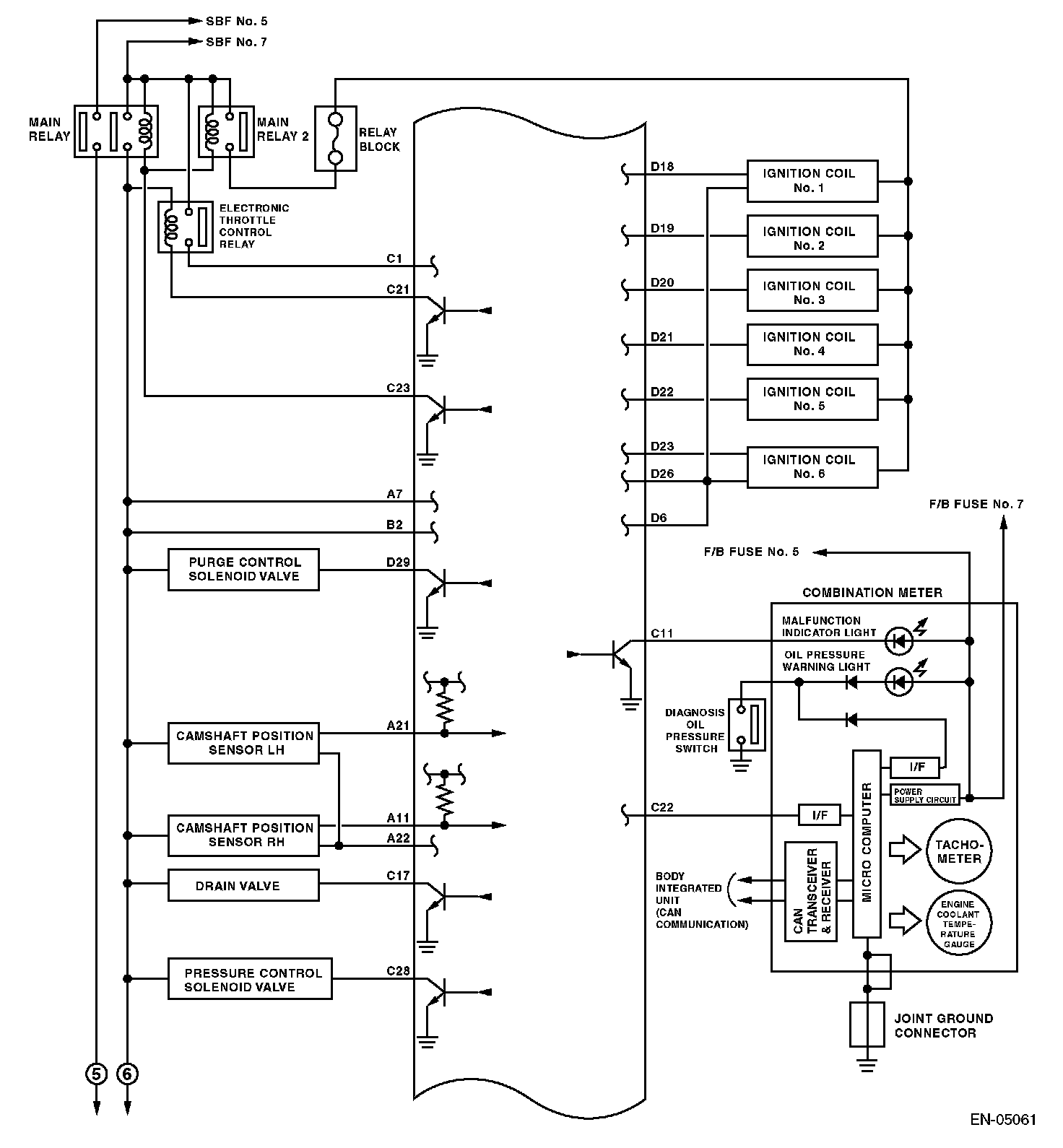
Engine Control Module (ECM) I/O Signal (Part 4):



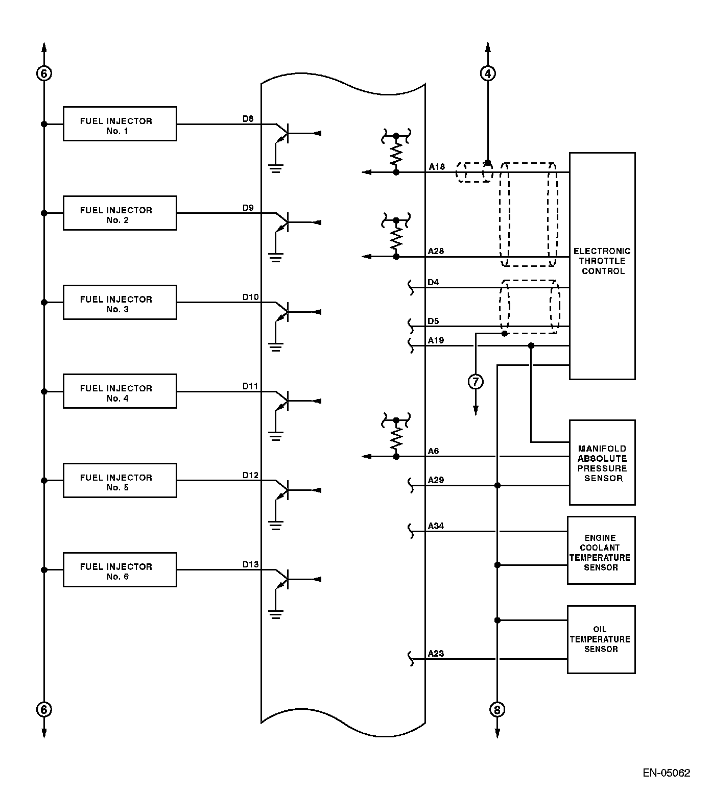
Engine Control Module (ECM) I/O Signal (Part 5):



Engine Control Module (ECM) I/O Signal (Part 6):



Engine Control Module (ECM) I/O Signal (Part 7):



Engine Control Module (ECM) I/O Signal (Part 8):



Engine Control Module (ECM) I/O Signal (Part 9):



Engine Control Module (ECM) I/O Signal (Part 10):