lemon-mirror:
Home >> Subaru >> 2007 >> Outback F6-3.0L DOHC >> Repair and Diagnosis >> Diagrams >> Exploded Views >> Engine >> System Diagram >> V-Belt

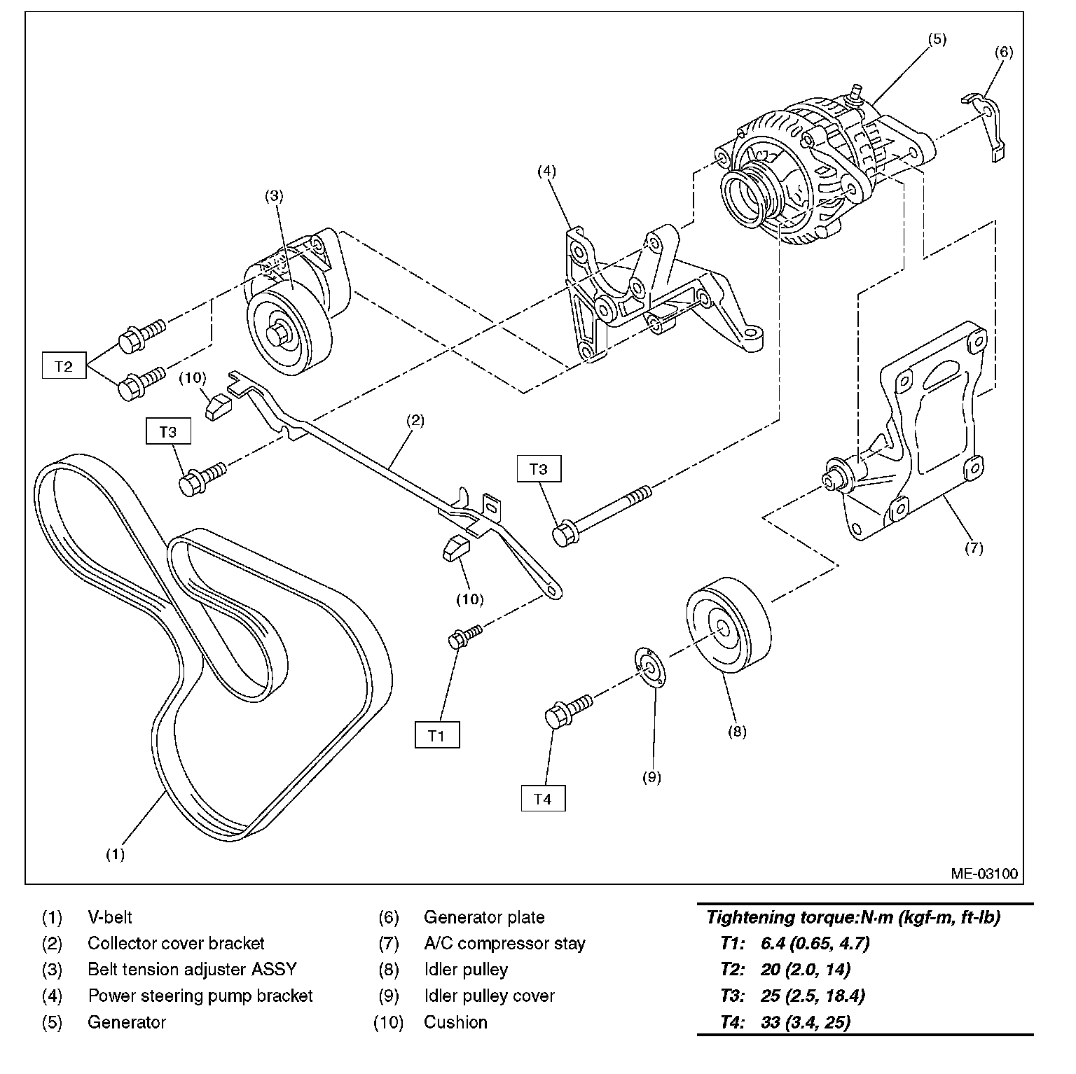
V-Belt

V-BELT

V-BELT: