lemon-mirror:
Home >> Subaru >> 2007 >> Outback F4-2.5L SOHC >> Repair and Diagnosis >> Diagrams >> Exploded Views >> Heating and Air Conditioning

Heating and Air Conditioning

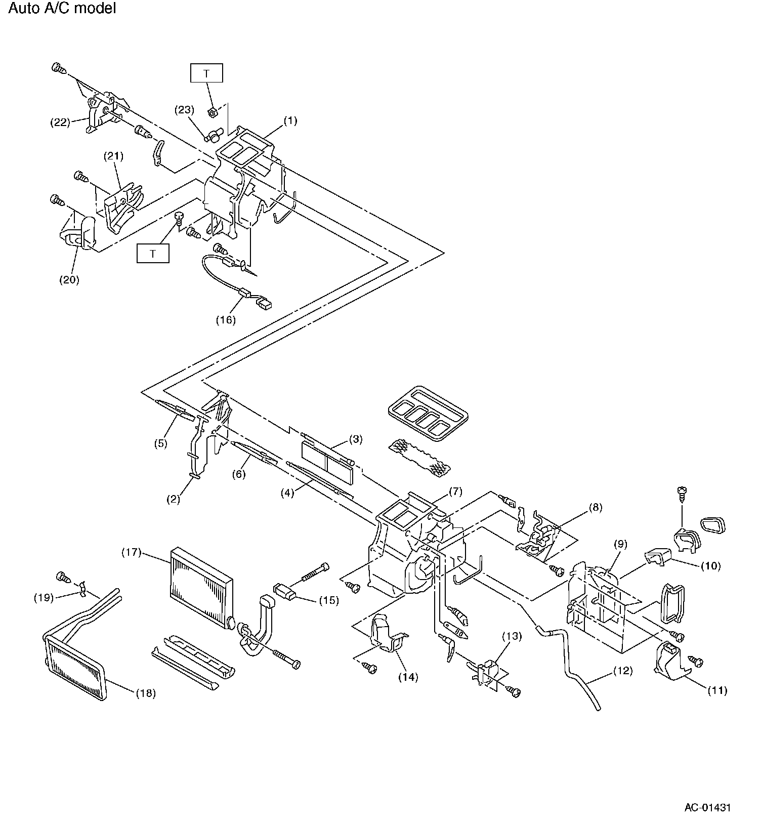
Heater Cooling Unit - Auto A/C Model (Part 1):



Heater Cooling Unit - Auto A/C Model (Part 2):



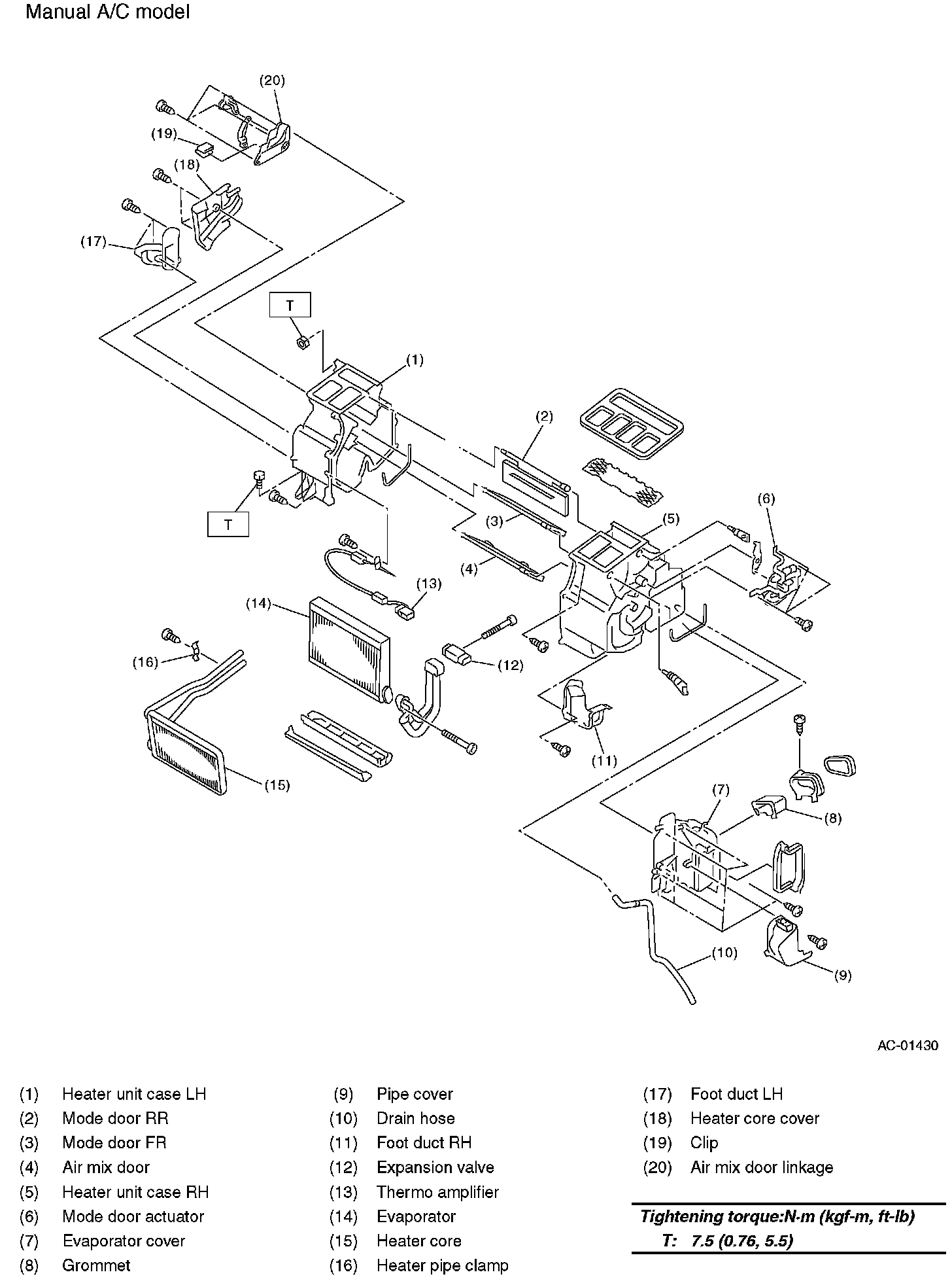
Manual A/C Model:



Blower Motor Unit:







Air Condition Unit:



Compressor:



Compressor:



Heater Duct: