lemon-mirror:
Home >> Subaru >> 2007 >> Forester F4-2.5L SOHC >> Repair and Diagnosis >> Powertrain Management >> Transmission Control Systems >> Testing and Inspection >> Scan Tool Testing and Procedures

Scan Tool Testing and Procedures

Inspection Mode

PROCEDURE

WARNING: Observe the traffic law when driving on public roads.

Shift the select lever to "D" range, and then drive the vehicle at 60 km/h (37 MPH) for at least 10 seconds.

AT OIL TEMP Warning Light Display
OPERATION
When any on-board diagnostics item is malfunctioning, AT OIL TEMP warning light blinks from the time malfunction is detected after starting the engine until ignition switch is turned to OFF. The malfunctioning part or unit can be determined by a DTC during the on-board diagnostics operation. Problems which occurred previously can also be identified through the memory function. If the AT OIL TEMP warning light does not show a problem (although a problem is occurring), the problem can be determined by checking the performance characteristics of each sensor using Subaru Select Monitor. Indicator light signal patterns are as shown in the figure.





INSPECTION
DIAGNOSIS: The AT OIL TEMP warning light circuit is open or shorted.
TROUBLE SYMPTOM:
^ When the ignition switch is turned ON (engine OFF), AT OIL TEMP warning light does not illuminate.
^ When the on-board diagnostics is performed, the AT OIL TEMP warning light remains illuminated.

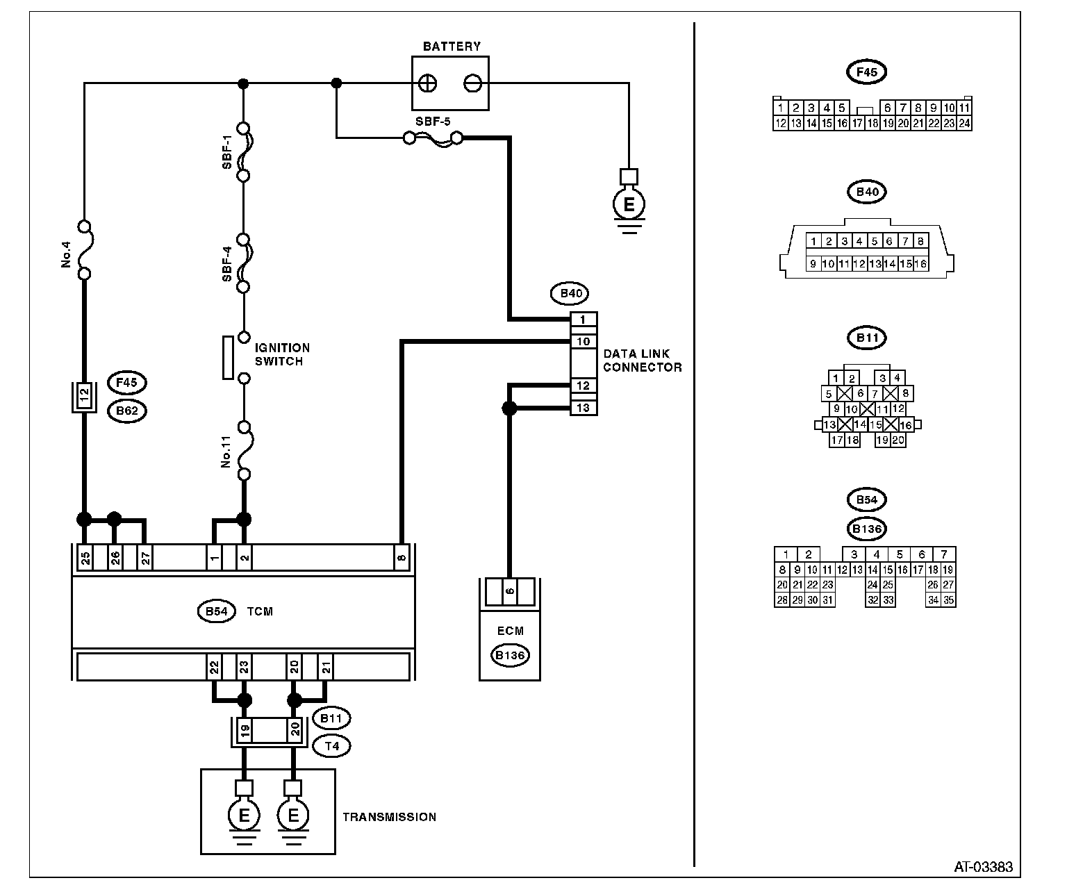
WIRING DIAGRAM:




Step 1:




Step 2-Step 7:





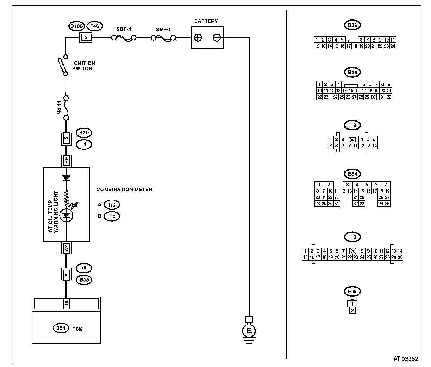
CHECK POWER SUPPLY AND GROUND CIRCUIT


WIRING DIAGRAM:




Step 1-Step 2:




Step 3-Step 8: