lemon-mirror:
Home >> Subaru >> 2007 >> Forester F4-2.5L SOHC >> Repair and Diagnosis >> Powertrain Management >> Ignition System >> Testing and Inspection

Ignition System: Testing and Inspection

IGNITION CONTROL SYSTEM

CAUTION: After repairing or replacing the defective part, carry out the Clear Memory Mode Clearing Diagnostic Trouble Codes and Inspection Mode Diagnostic Trouble Code Descriptions

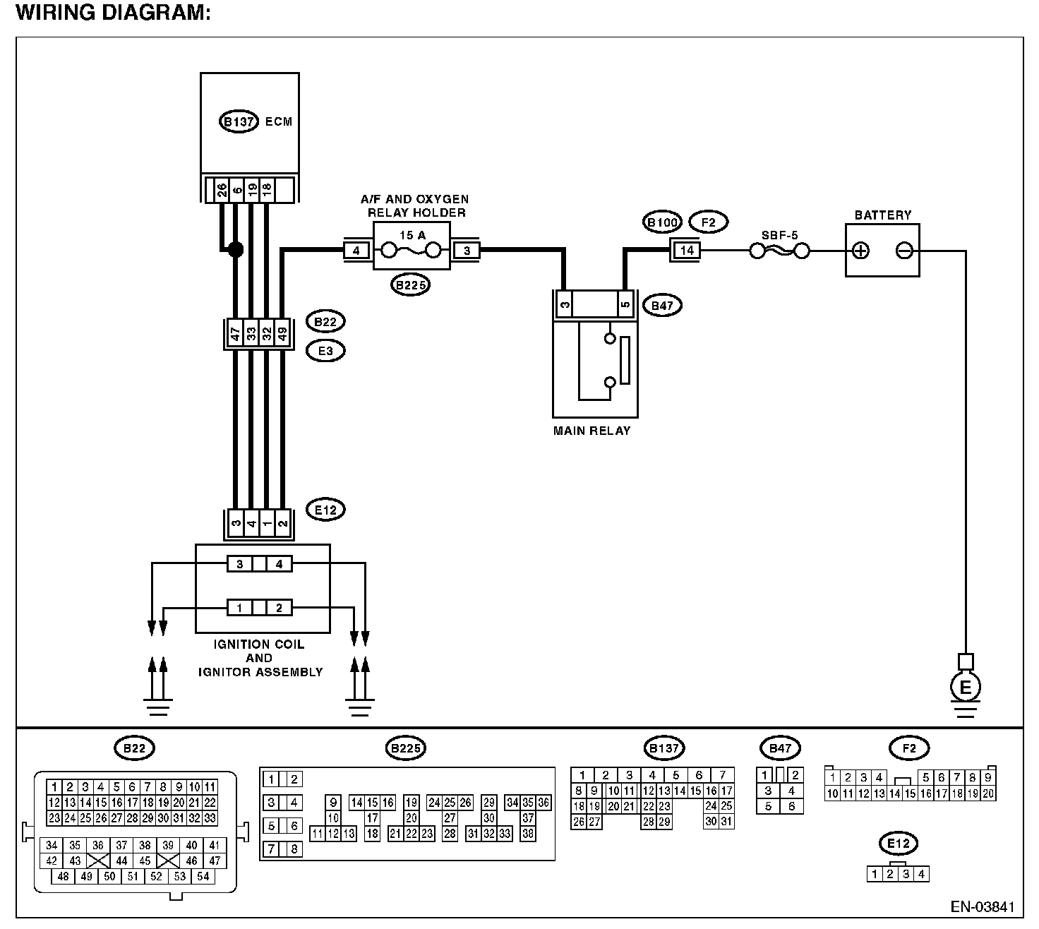
Wiring Diagram:






Step 1:




Step 2 - 5:




Step 6 - 8: