lemon-mirror:
Home >> Subaru >> 2007 >> Forester F4-2.5L SOHC >> Repair and Diagnosis >> Diagrams >> Exploded Views >> Engine >> System Diagram

System Diagram

COMPONENT

TIMING BELT:




CYLINDER HEAD AND CAMSHAFT:




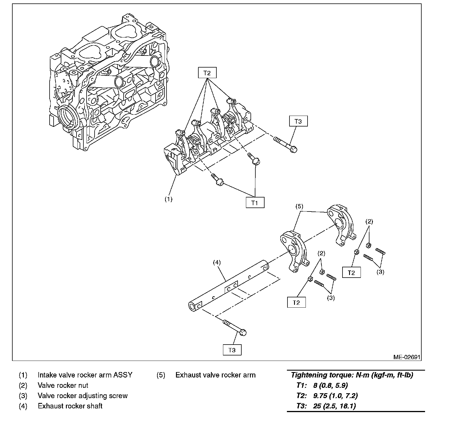
VALVE ROCKER ASSEMBLY:




CYLINDER HEAD AND VALVE ASSEMBLY:




CYLINDER BLOCK:




CRANKSHAFT AND PISTON:




ENGINE MOUNTING: