lemon-mirror:
Home >> Subaru >> 2006 >> Outback F6-3.0L DOHC >> Repair and Diagnosis >> Powertrain Management >> Computers and Control Systems >> Locations

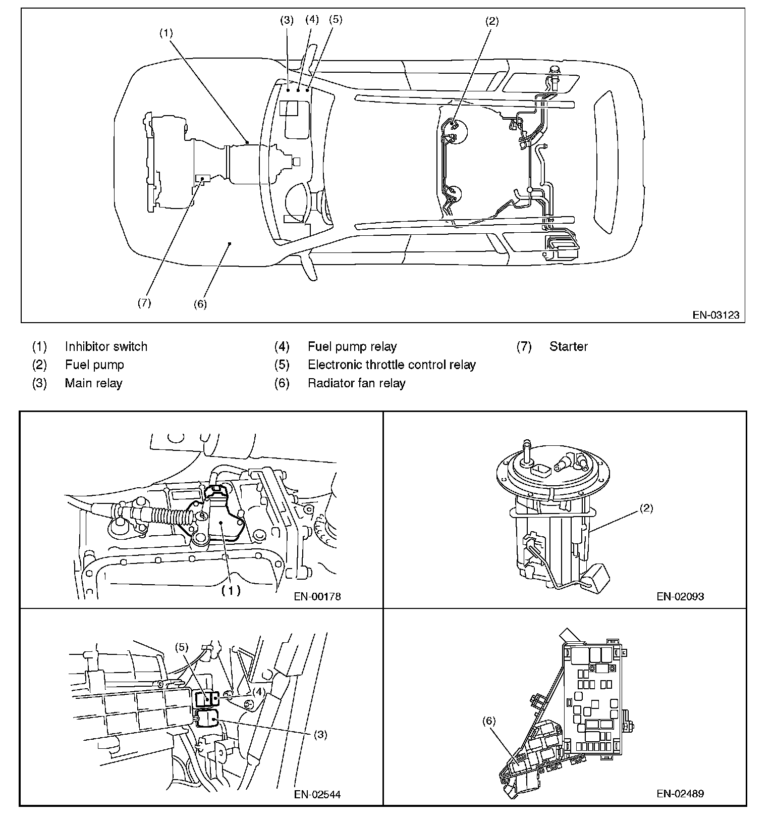
Computers and Control Systems: Locations




CONTROL MODULE
















SENSOR
















SOLENOID VALVE, ACTUATOR, EMISSION CONTROL SYSTEM PARTS AND IGNITION SYSTEM PARTS