lemon-mirror:
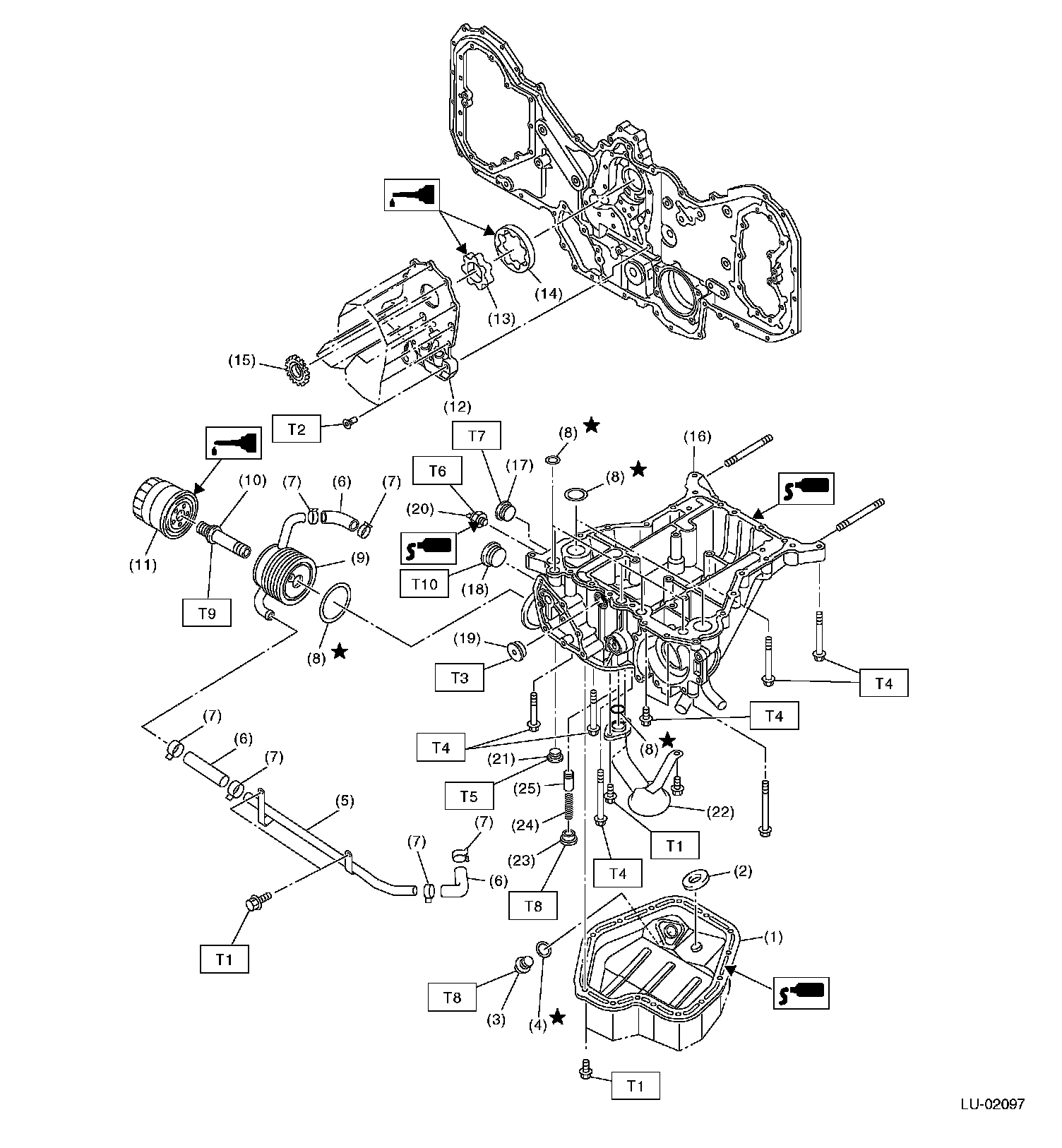
Home >> Subaru >> 2006 >> Outback F6-3.0L DOHC >> Repair and Diagnosis >> Diagrams >> Exploded Views >> Engine >> Engine Lubrication

Engine Lubrication