lemon-mirror:
Home >> Subaru >> 2005 >> Outback Sport F4-2.5L SOHC >> Repair and Diagnosis >> Diagrams >> Electrical Diagrams >> Transmission Control Systems >> Transmission Control Module

Transmission Control Module






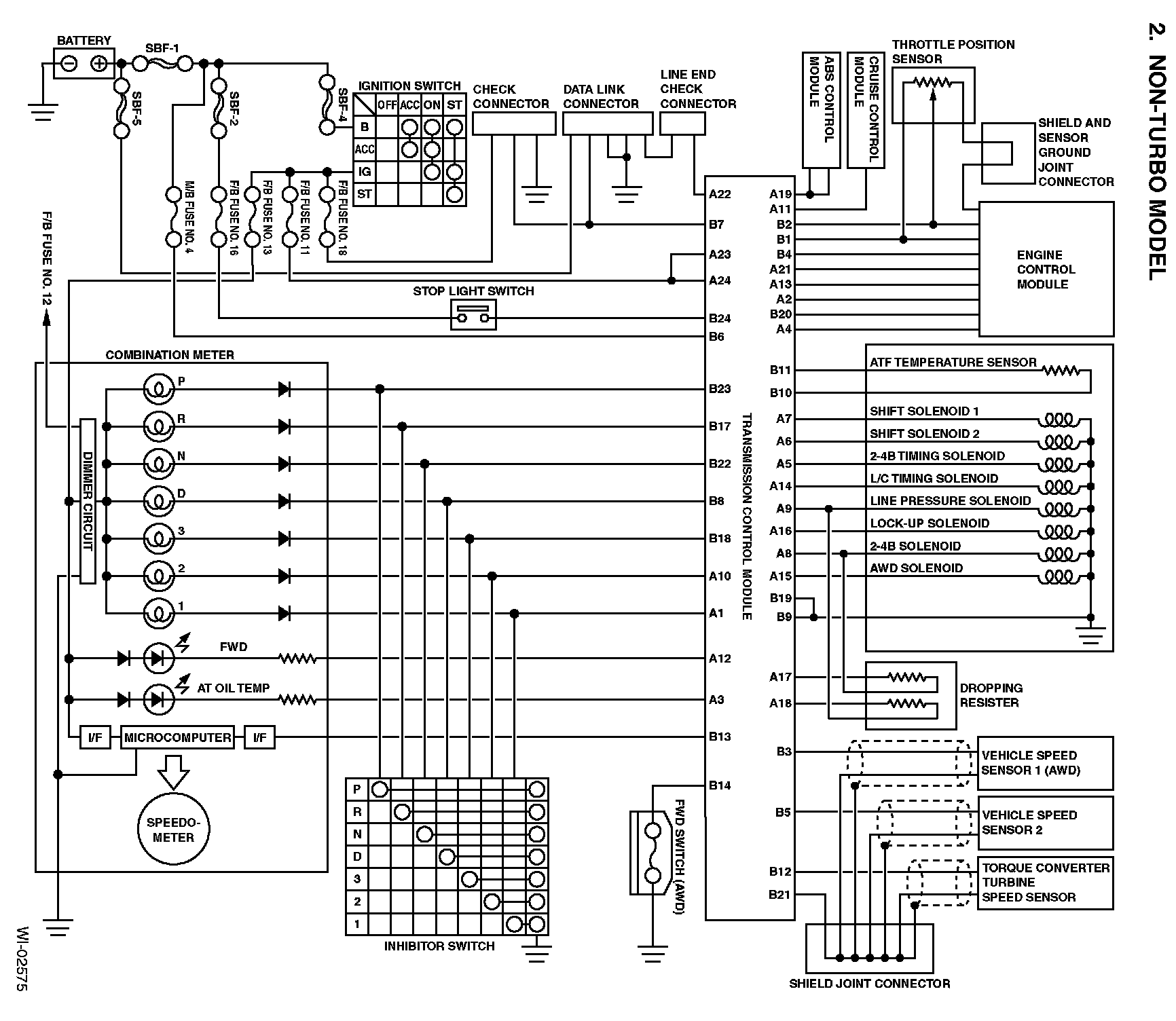
AT(NA)-01:






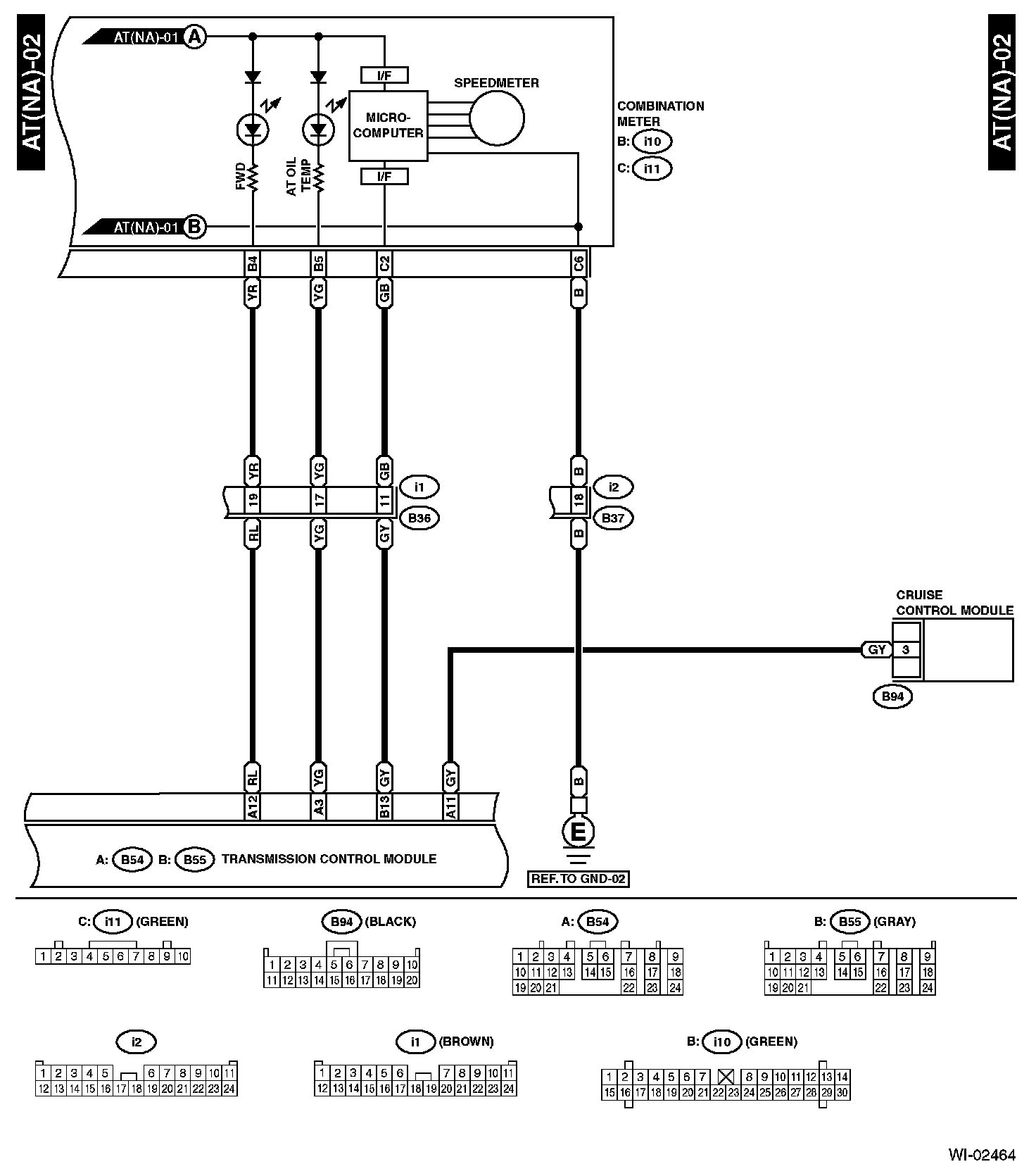
AT(NA)-02:






AT(NA)-03:






AT(NA)-04:






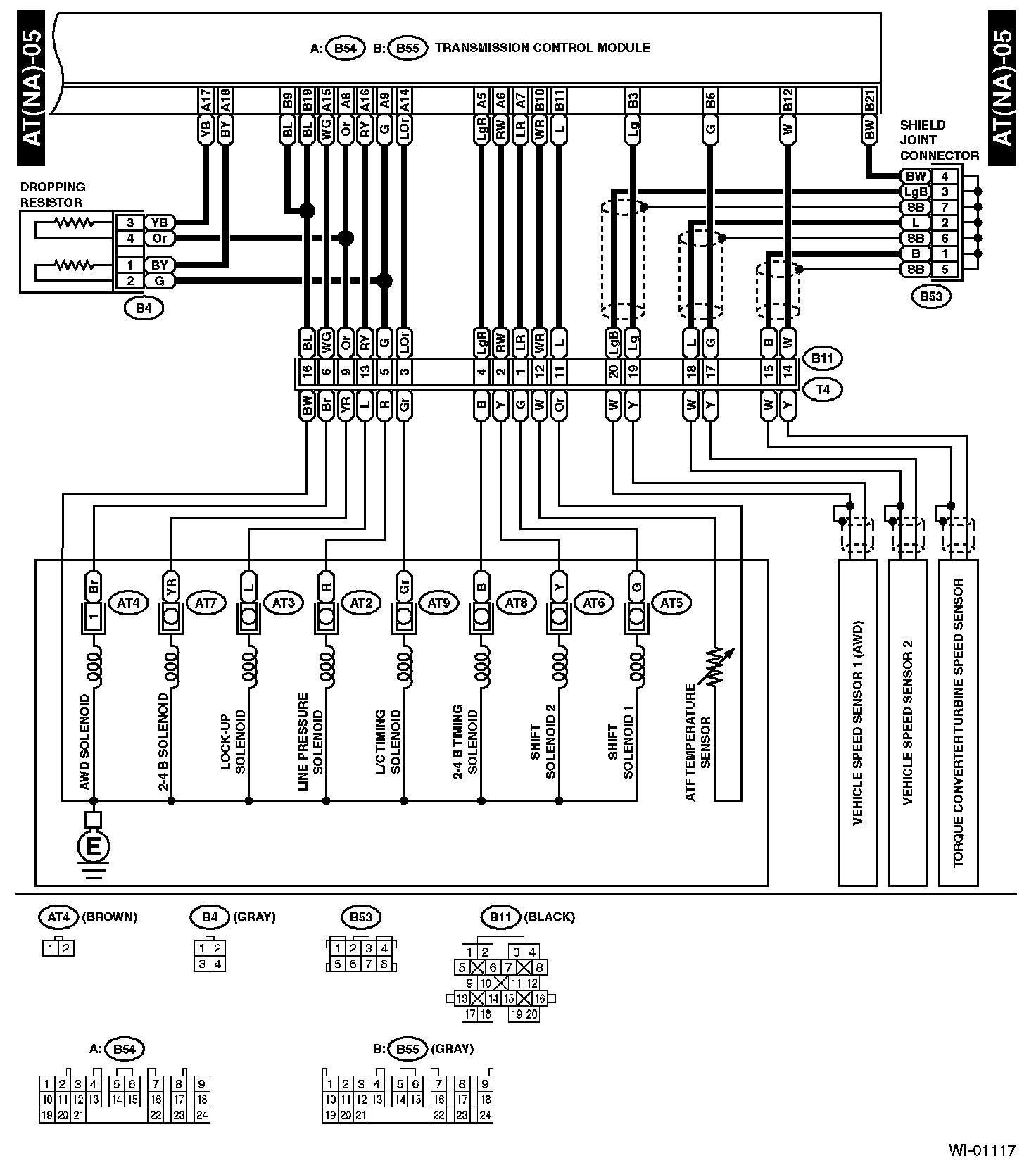
AT(NA)-05:






Diagrams: Other diagrams referred to by name within these diagrams (i.e. "REF. TO GND-01", etc) can be found at Diagrams by Diagram Name. Diagrams By Diagram Name