lemon-mirror:
Home >> Subaru >> 2005 >> Outback F6-3.0L >> Repair and Diagnosis >> Starting and Charging >> Starting System >> Starter Motor >> Testing and Inspection

Starter Motor: Testing and Inspection

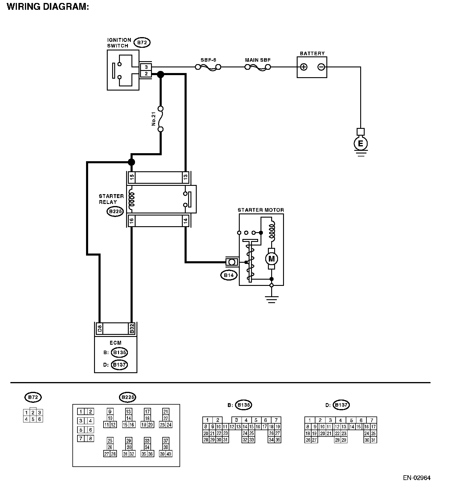
STARTER MOTOR CIRCUIT

CAUTION: After repair or replacement of faulty parts, conduct Clear Memory Mode and Inspection Mode.
Clearing Diagnostic Trouble Codes
Basic Descriptions

Wiring Diagram:






Step 1 - 7:




Step 8 - 9: