lemon-mirror:
Home >> Subaru >> 2005 >> Baja F4-2.5L SOHC >> Repair and Diagnosis >> Diagrams >> Exploded Views >> Engine >> System Diagram

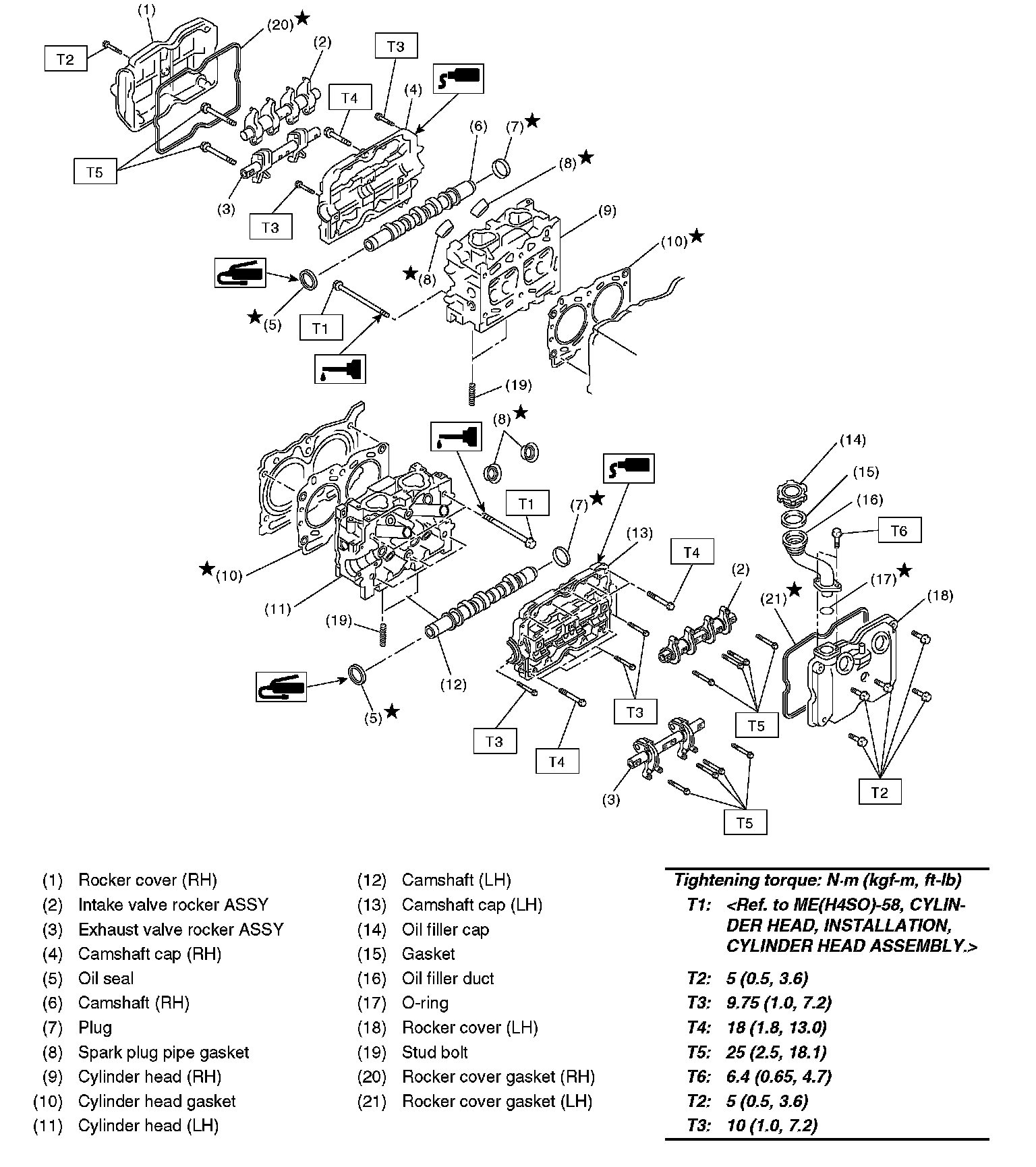
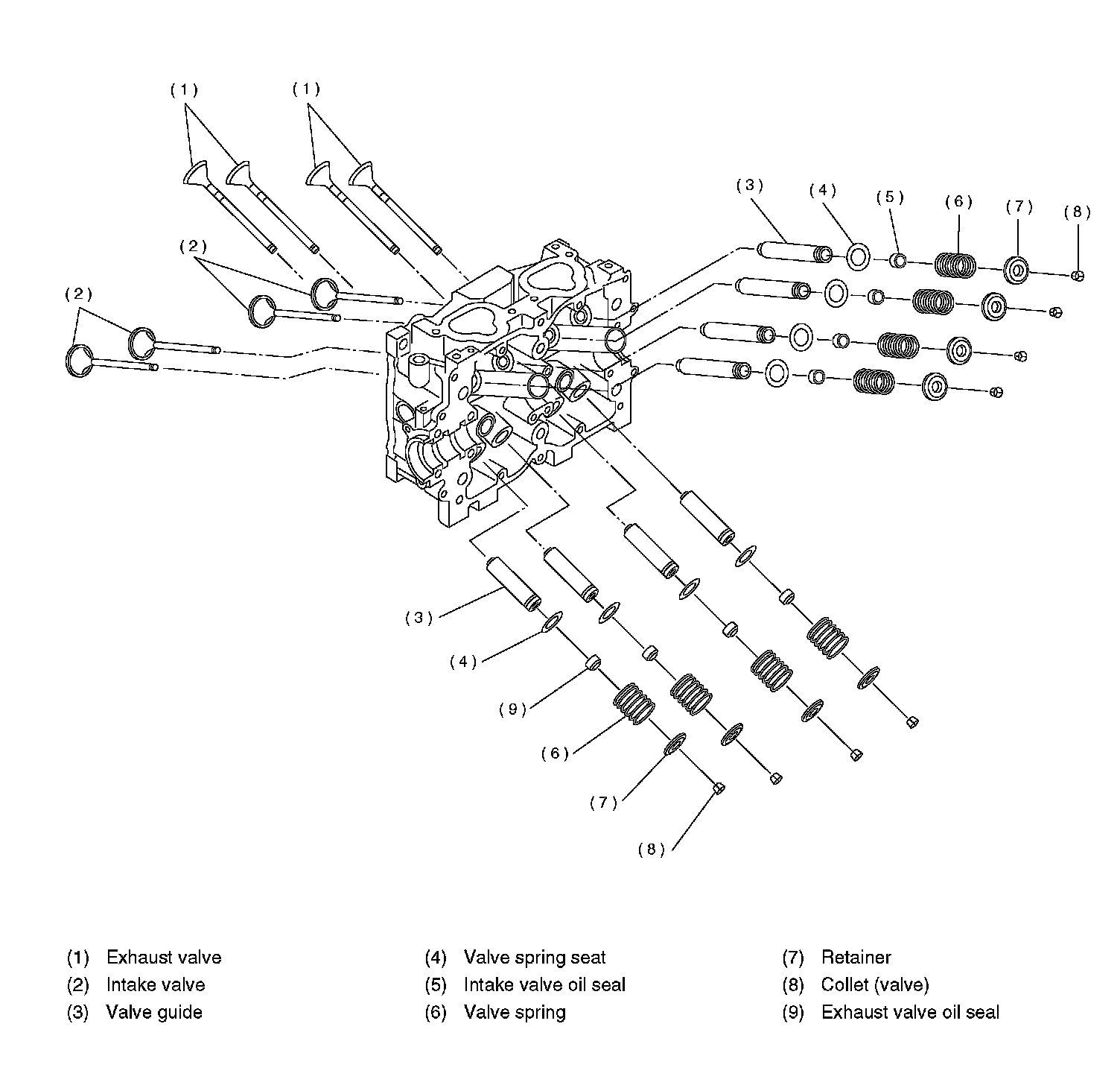
System Diagram