lemon-mirror:
Home >> Subaru >> 2005 >> Baja F4-2.5L SOHC >> Repair and Diagnosis >> Diagrams >> Electrical Diagrams >> Transmission Control Systems >> Transmission Control Module

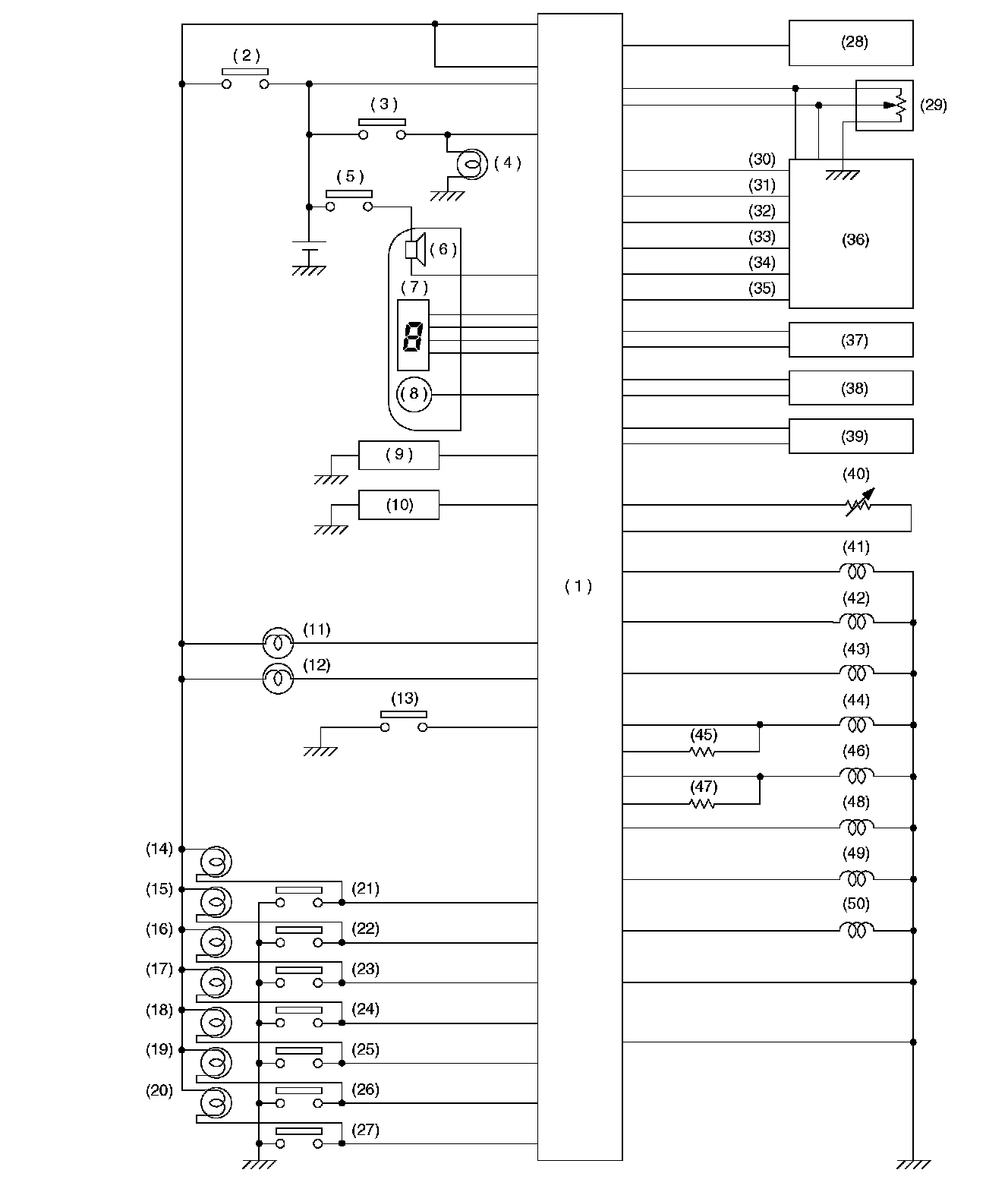
Transmission Control Module

Transmission Control Module 1 Of 2:



Transmission Control Module 2 Of 2: