lemon-mirror:
Home >> Subaru >> 2003 >> Impreza F4-2.5L SOHC >> Repair and Diagnosis >> Diagrams >> Exploded Views >> Engine >> System Diagram

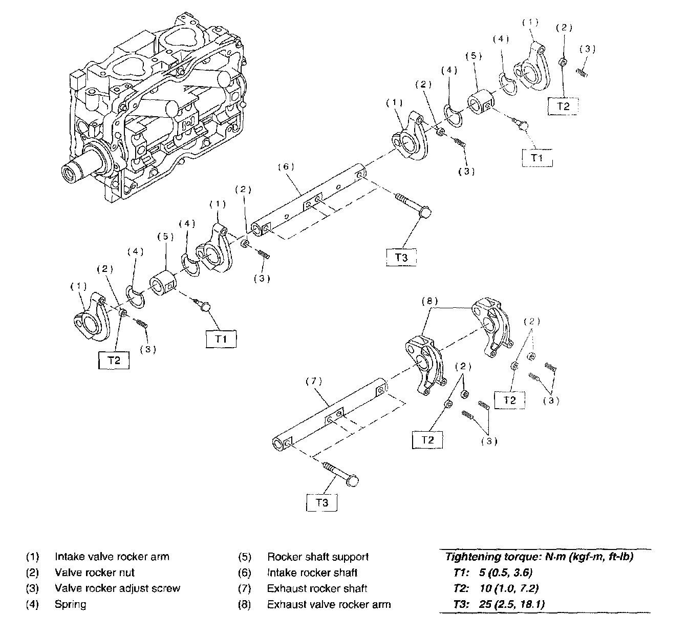
System Diagram

COMPONENT





TIMING BELT





CYLINDER HEAD AND CAMSHAFT





VALVE ROCKER ASSEMBLY





CYLINDER HEAD AND VALVE ASSEMBLY





CYLINDER BLOCK

Part 1 Of 2:




Part 2 Of 2:





CRANKSHAFT AND PISTON





ENGINE MOUNTING