lemon-mirror:
Home >> Subaru >> 2003 >> Impreza F4-2.5L SOHC >> Repair and Diagnosis >> Diagrams >> Exploded Views >> Differential Assembly

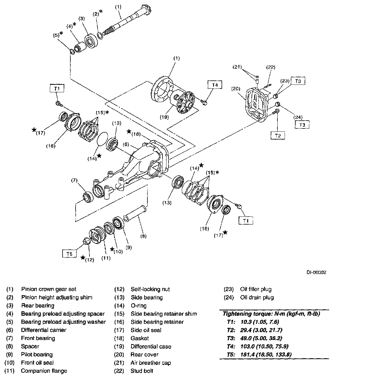
Differential Assembly

COMPONENT





REAR DIFFERENTIAL WITHOUT LSD





REAR DIFFERENTIAL WITH LSD





REAR DIFFERENTIAL MOUNTING SYSTEM