lemon-mirror:
Home >> Subaru >> 2002 >> Outback L.L.Bean Edition AWD F6-3.0L >> Repair and Diagnosis >> Powertrain Management >> Computers and Control Systems >> Engine Control Module >> Technical Service Bulletins >> Service Manual - Multiple Systems Updates/Corrections

Service Manual - Multiple Systems Updates/Corrections

NUMBER: 18-69-01
DATE: 07/1/2001

APPLICABILITY:
2000-2002 Impreza Service Manuals
2000-2002 Legacy & Outback Service Manuals
2000-2002 Forester Service Manuals

SUBJECT:
Service Manual Corrections





Place a REVISED label on the appropriate page of the shown effected Service Manual and Update the Service Manual Correction Binder with the following pages:





Diagnostic Chart with Trouble Code - Page 3-2





Diagnostic Chart with Trouble Code by ABS Warning Light - Page 4-4





Diagnostic Chart with Trouble Code - Page 3-2





Diagnostic Chart with Trouble Code by ABS Warning Light - Page 4-4





Diagnostic Procedure with (DTC) - Page AT-59





Diagnostic Procedure with Diagnosis Connector - Page ABS-79





Diagnostics - Page 3-2





Diagnostic Procedure with Trouble Code - Page AT-49





Diagnostic Procedure with Trouble Code - Page AT-50





Idle Mixture - Page PM-20





Diagnostic Procedure with (DTC) - Page AT-69





Diagnostics - Page 3-2





Diagnostic procedure with Trouble Code - Page AT-72





Diagnostics Chart with Diagnosis Connector - Page ABS-84





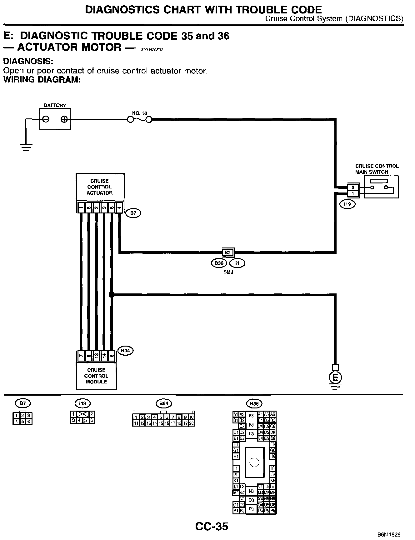
Diagnostics Chart with Trouble Code - Page CC-30
Cruise Control System





Diagnostics Chart with Trouble Code - Page CC-35
Cruise Control System





Diagnostic Procedure with (DTC) - Page AT-73





Diagnostics Chart with Diagnosis Connector - Page ABS-75





Spark Plugs - Page PM-8





Front & Rear Differential Oil - Page PM-23





Front & Rear Differential Oil - Page PM-24





Engine Control Module (ECM) I/O Signal - Page EN(H6)-29





DISCLAIMER