lemon-mirror:
Home >> Subaru >> 2002 >> Outback L.L.Bean Edition AWD F6-3.0L >> Repair and Diagnosis >> Diagrams >> Exploded Views >> Automatic Transmission/Transaxle >> System Diagram

System Diagram





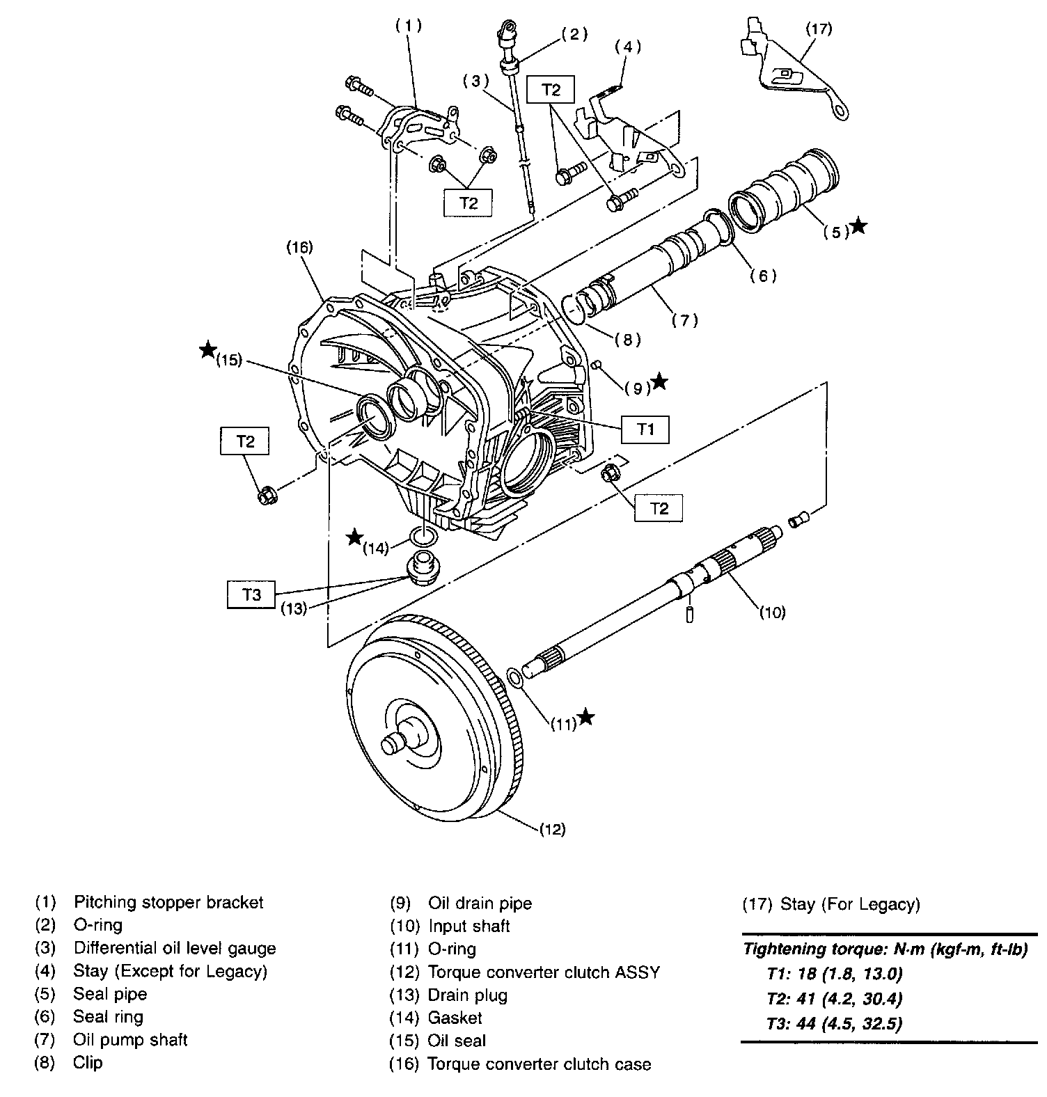
1. TORQUE CONVERTER CLUTCH AND CASE





2. OIL PUMP








3. TRANSMISSION CASE AND CONTROL DEVICE





4. CONTROL VALVE AND HARNESS ROUTING





5. HIGH CLUTCH AND REVERSE CLUTCH





6. PLANETARY GEAR AND 2-4 BRAKE





7. LOW CLUTCH AND LOW & REVERSE BRAKE





8. REDUCTION GEAR WITHOUT VTD





9. REDUCTION GEAR WITH VTD





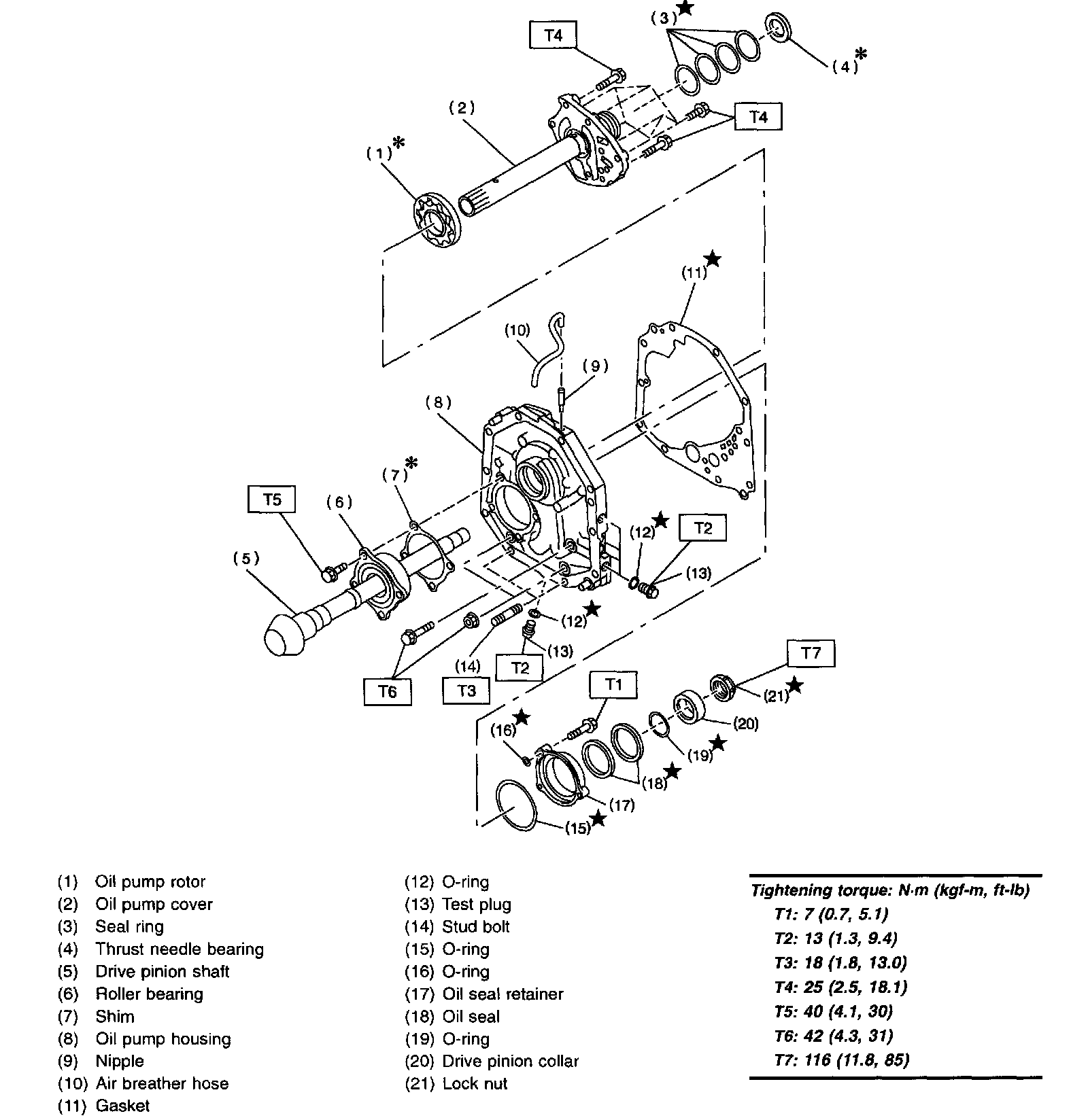
10. DIFFERENTIAL GEAR





11. TRANSFER AND EXTENSION CASE WITHOUT VTD





12. TRANSFER AND EXTENSION CASE WITH VTD