lemon-mirror:
Home >> Subaru >> 2002 >> Forester L F4-2.5L SOHC >> Repair and Diagnosis >> Diagrams >> Exploded Views >> Engine >> Engine Lubrication

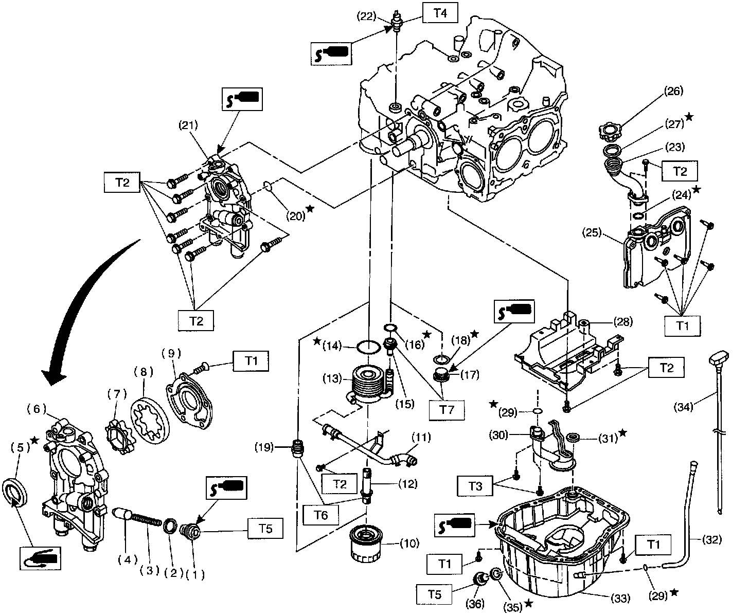
Engine Lubrication

COMPONENT





Exploded View





Legend