lemon-mirror:
Home >> Subaru >> 2001 >> Legacy Outback LL Bean Ed. AWD F6-3.0L >> Repair and Diagnosis >> Transmission and Drivetrain >> Automatic Transmission/Transaxle >> Shift Interlock >> Shift Interlock Control Module >> Testing and Inspection

Shift Interlock Control Module: Testing and Inspection

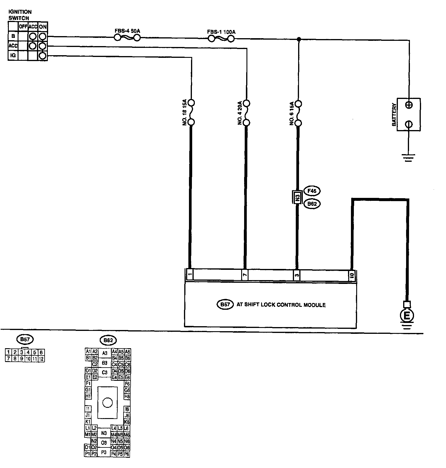
1. AT SHIFT LOCK CONTROL MODULE POWER SUPPLY AND GROUND LINE





WIRING DIAGRAM





DIAGNOSTIC PROCEDURE