lemon-mirror:
Home >> Subaru >> 2001 >> Legacy Outback LL Bean Ed. AWD F6-3.0L >> Repair and Diagnosis >> Diagrams >> Electrical Diagrams >> Powertrain Management >> Engine Control Module

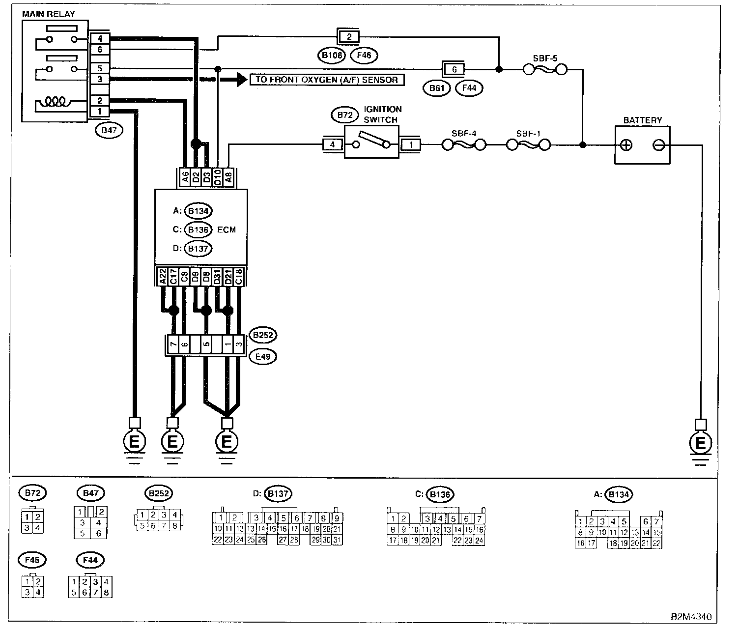
Engine Control Module

CONTROL MODULE POWER SUPPLY AND GROUND LINE

CAUTION: After repair or replacement of faulty parts, conduct CLEAR MEMORY MODE

Wiring Diagram:




Step 1:




Step 2 - 11:




Step 12 - 20:




WIRING DIAGRAM