lemon-mirror:
Home >> Subaru >> 2000 >> Forester L F4-2.5L SOHC >> Repair and Diagnosis >> Diagrams >> Exploded Views >> Differential Assembly

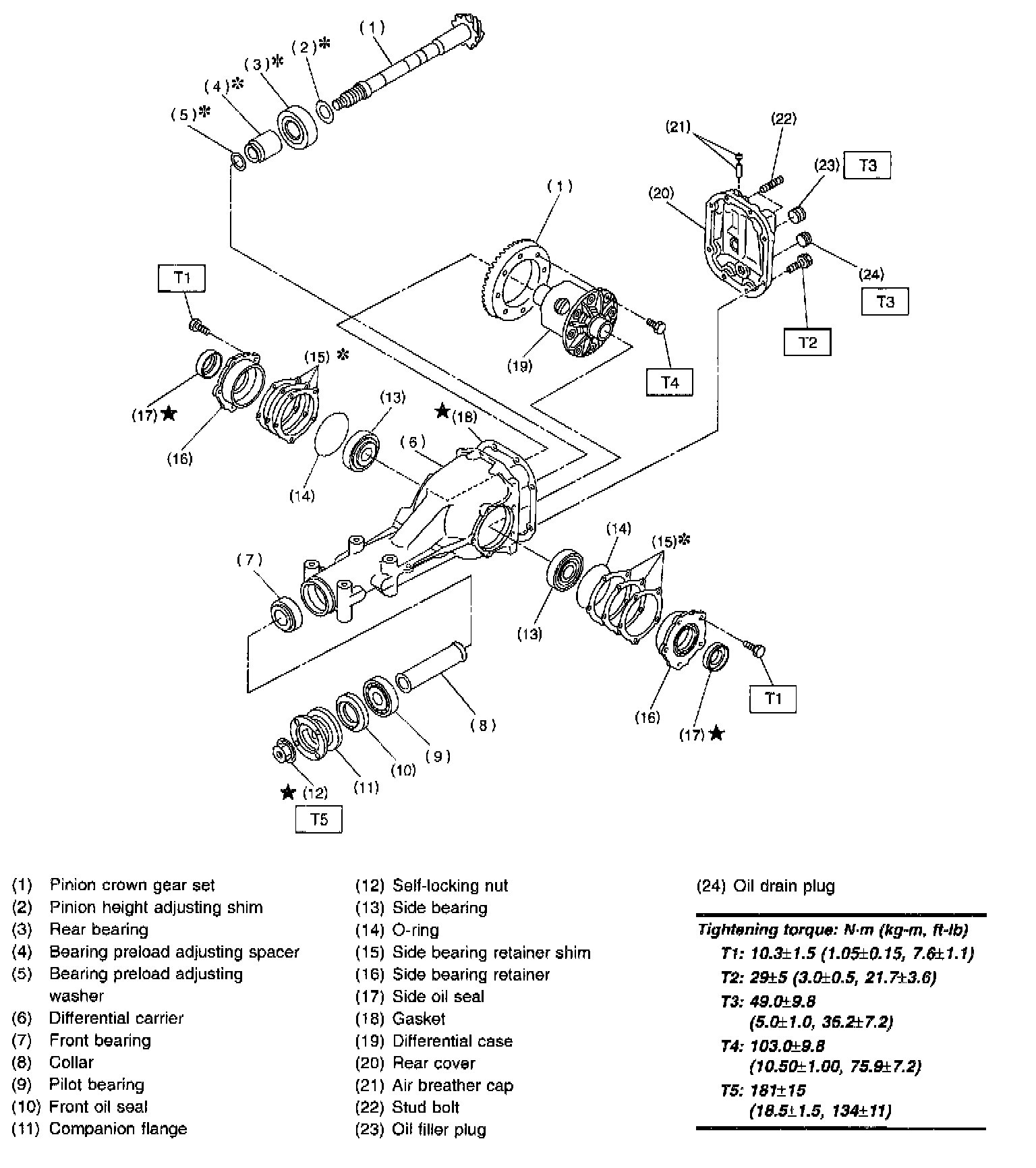
Differential Assembly

REAR DIFFERENTIAL ASSEMBLY





WITHOUT LSD





WITH LSD





REAR DIFFERENTIAL MOUNTING SYSTEM