lemon-mirror:
Home >> Subaru >> 2000 >> Forester L F4-2.5L SOHC >> Repair and Diagnosis >> Diagrams >> Exploded Views >> Control Assembly, HVAC

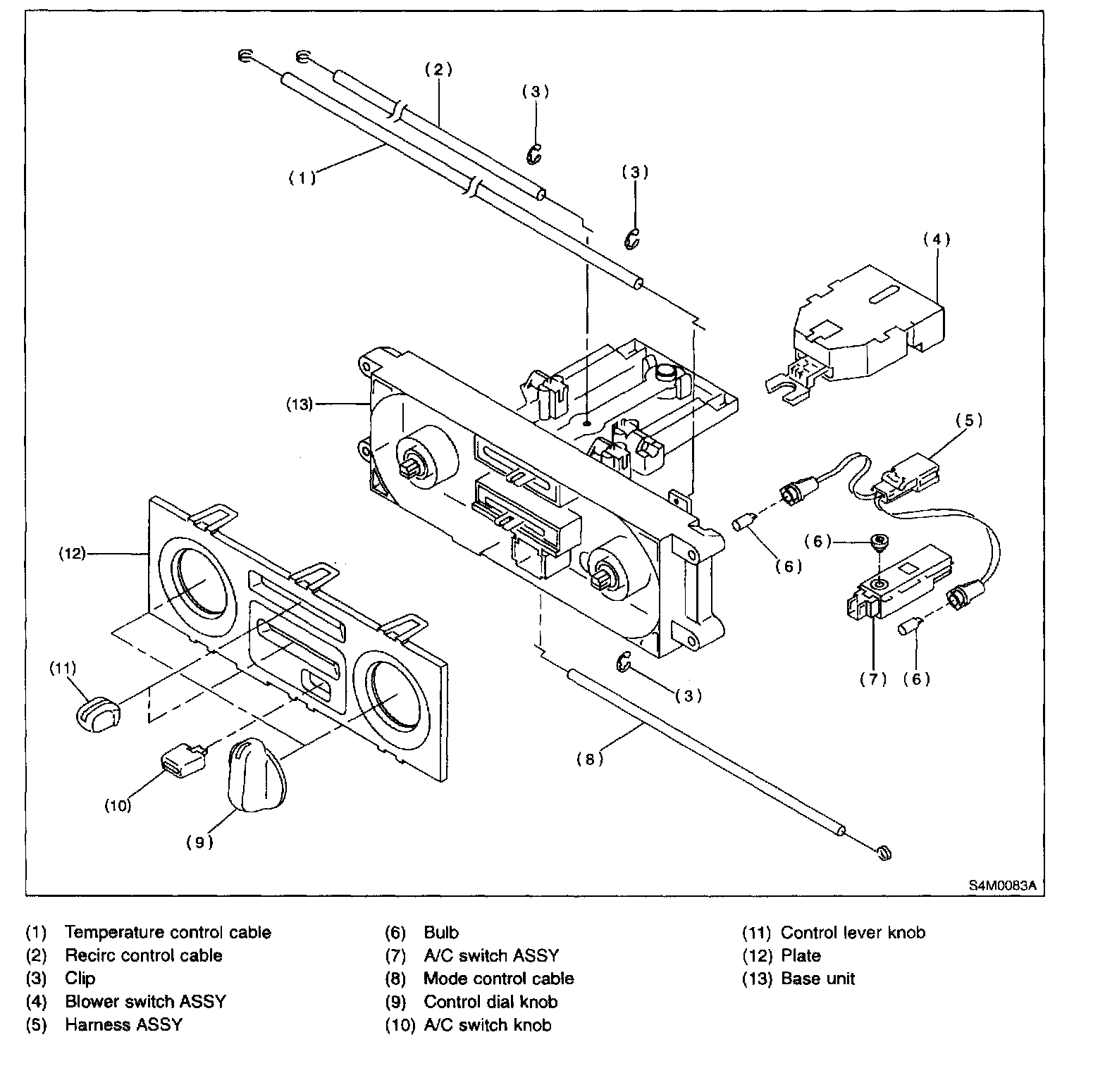
Control Assembly, HVAC

Control Unit: