lemon-mirror:
Home >> Subaru >> 2000 >> Forester L F4-2.5L SOHC >> Repair and Diagnosis >> Diagrams >> Exploded Views >> Compressor HVAC

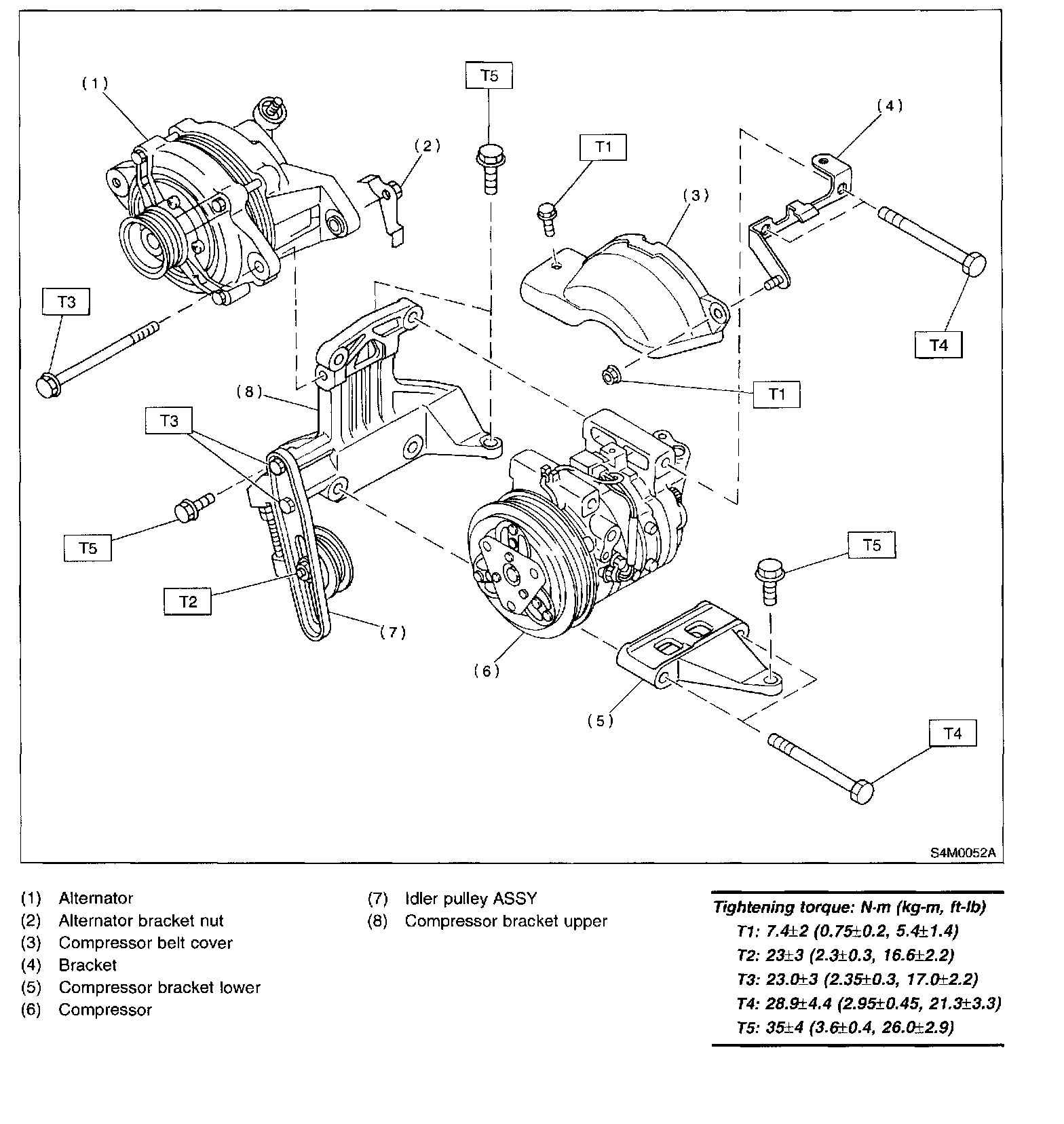
Compressor HVAC