lemon-mirror:
Home >> Subaru >> 1999 >> Legacy Outback AWD F4-2.5L DOHC >> Repair and Diagnosis >> Diagrams >> Exploded Views >> Compressor HVAC

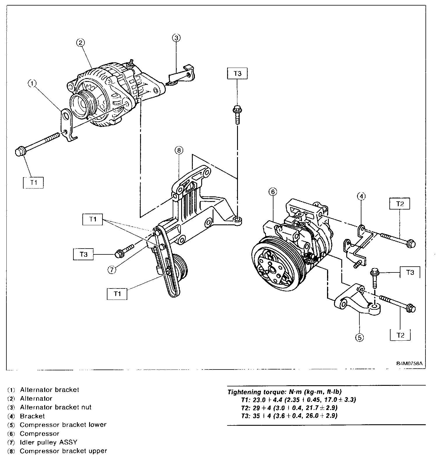
Compressor HVAC

Compressor: