lemon-mirror:
Home >> Subaru >> 1998 >> Legacy Outback AWD F4-2.5L DOHC >> Repair and Diagnosis >> Specifications >> Mechanical Specifications >> Cooling System >> System Specifications >> Torque Specifications

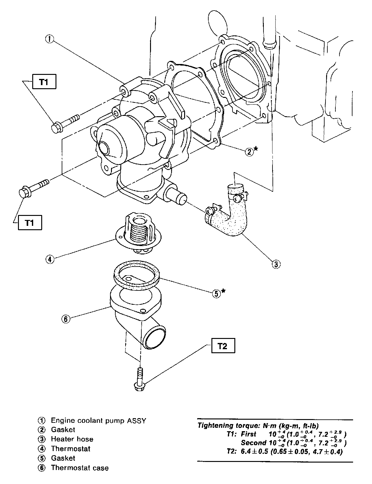
Torque Specifications

TORQUE SPECIFICATIONS

Water Pump:








Water Pump and Coolant Pipe