lemon-mirror:
Home >> Subaru >> 1998 >> Legacy Outback AWD F4-2.5L DOHC >> Repair and Diagnosis >> Powertrain Management >> Ignition System >> Relays and Modules - Ignition System >> Ignition Control Module >> Testing and Inspection

Ignition Control Module: Testing and Inspection

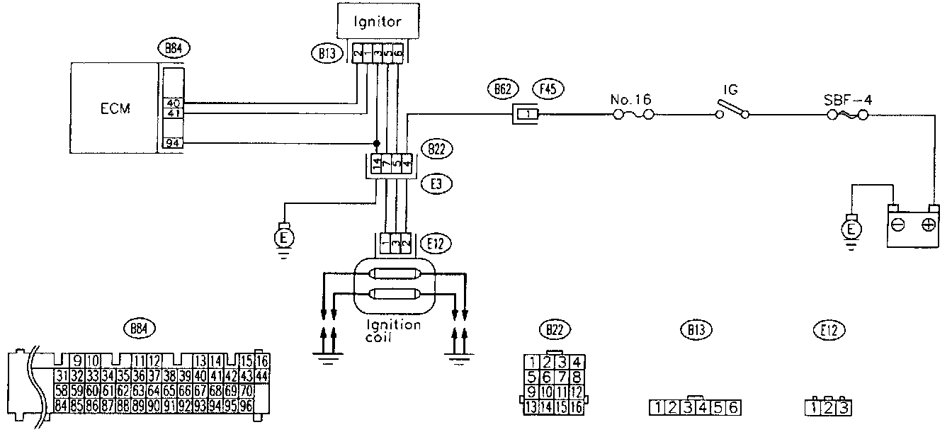
IGNITION CONTROL SYSTEM

1 Of 20:




2 Of 20:




3 Of 20:




4 Of 20:





5 Of 20:




6 Of 20:




7 Of 20:




8 Of 20:





9 Of 20:




10 Of 20:




11 Of 20:




12 Of 20:





13 Of 20:




14 Of 20:




15 Of 20:




16 Of 20:





17 Of 20:




18 Of 20:




19 Of 20:




20 Of 20:





CAUTION: After repair or replacement of faulty parts, conduct CLEAR MEMORY and INSPECTION MODES.





WIRING DIAGRAM