lemon-mirror:
Home >> Subaru >> 1998 >> Legacy Outback AWD F4-2.5L DOHC >> Repair and Diagnosis >> Powertrain Management >> Computers and Control Systems >> Main Relay (Computer/Fuel System) >> Testing and Inspection >> Main Relay

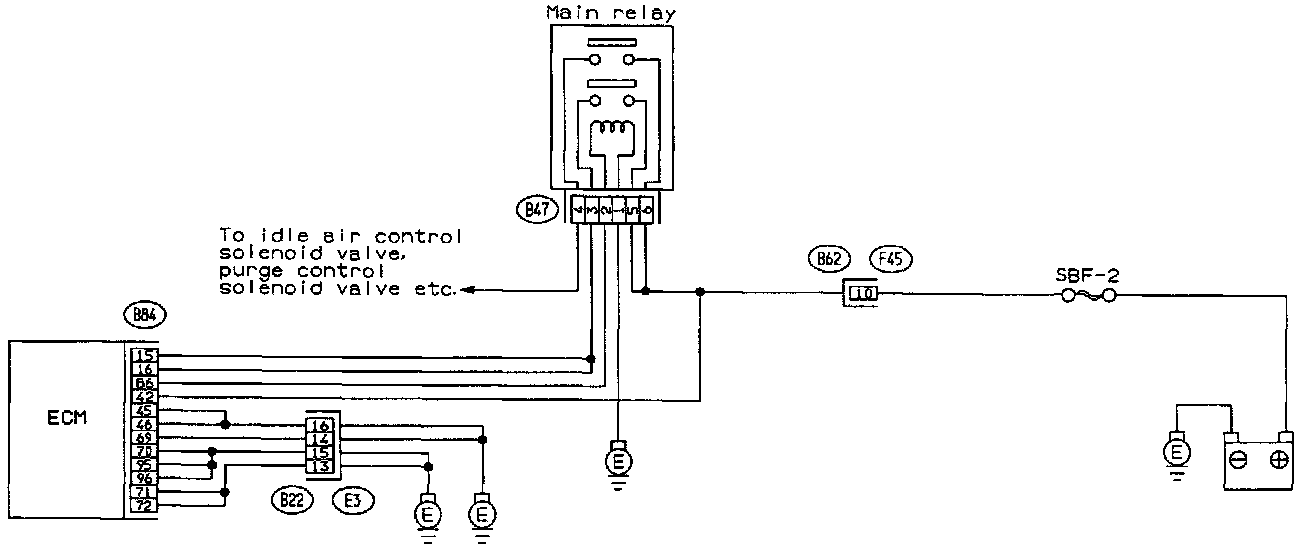
Main Relay

CHECKING ENGINE CONTROL MODULE POWER SUPPLY











CONTROL MODULE POWER SUPPLY AND GROUND LINE





1. Check Main Relay.
a. Turn the Ignition Switch to "OFF".
b. Remove Main Relay.
c. Connect Battery to Main Relay terminals No. 1 and No. 2.
d. Measure resistance between Main Relay terminals.
[CHECK]: Terminals:
No. 3 - No. 5/10 Ohms or less.
No. 4 - No. 6/10 Ohms or less.
[YES]: Go to step 2.
[NO]: Replace Main Relay.





2. Check power supply circuit of Engine Control Module (ECM).
a. Install Main Relay .
b. Disconnect connectors from ECM.
c. Turn Ignition Switch to "ON".
d. Measure power supply voltage between ECM connector terminals.
[CHECK]: Connector & terminal:
(B84) No. 15 - No. 96/10 Volts or more.
(B84) No. 16 - No. 96/10 Volts or more.
(B84) No. 42 - No. 96/10 Volts or more.
[YES]: Go to step 3.
[NO]: Repair harness of power supply circuit.





3. Check ground circuit of ECM.
a. Turn Ignition Switch to "OFF".
b. Measure resistance at harness connector between ECM and body.
[CHECK]: Connector & terminal:
(B84) No. 25 - Body/1O Ohms or less.
(B84) No. 45 - Body/1O Ohms or less.
(B84) No. 46 - Body/1O Ohms or less.
(B84) No. 69 - Body/1O Ohms or less.
(B84) No. 70 - Body/1O Ohms or less.
(B84) No. 71 - Body/1O Ohms or less.
(B84) No. 72 - Body/1O Ohms or less.
(B84) No. 95 - Body/1O Ohms or less.
(B84) No. 96 - Body/1O Ohms or less.
[YES]: Check Ignition control system.
[NO]: Repair harness between ECM connector and body.