lemon-mirror:
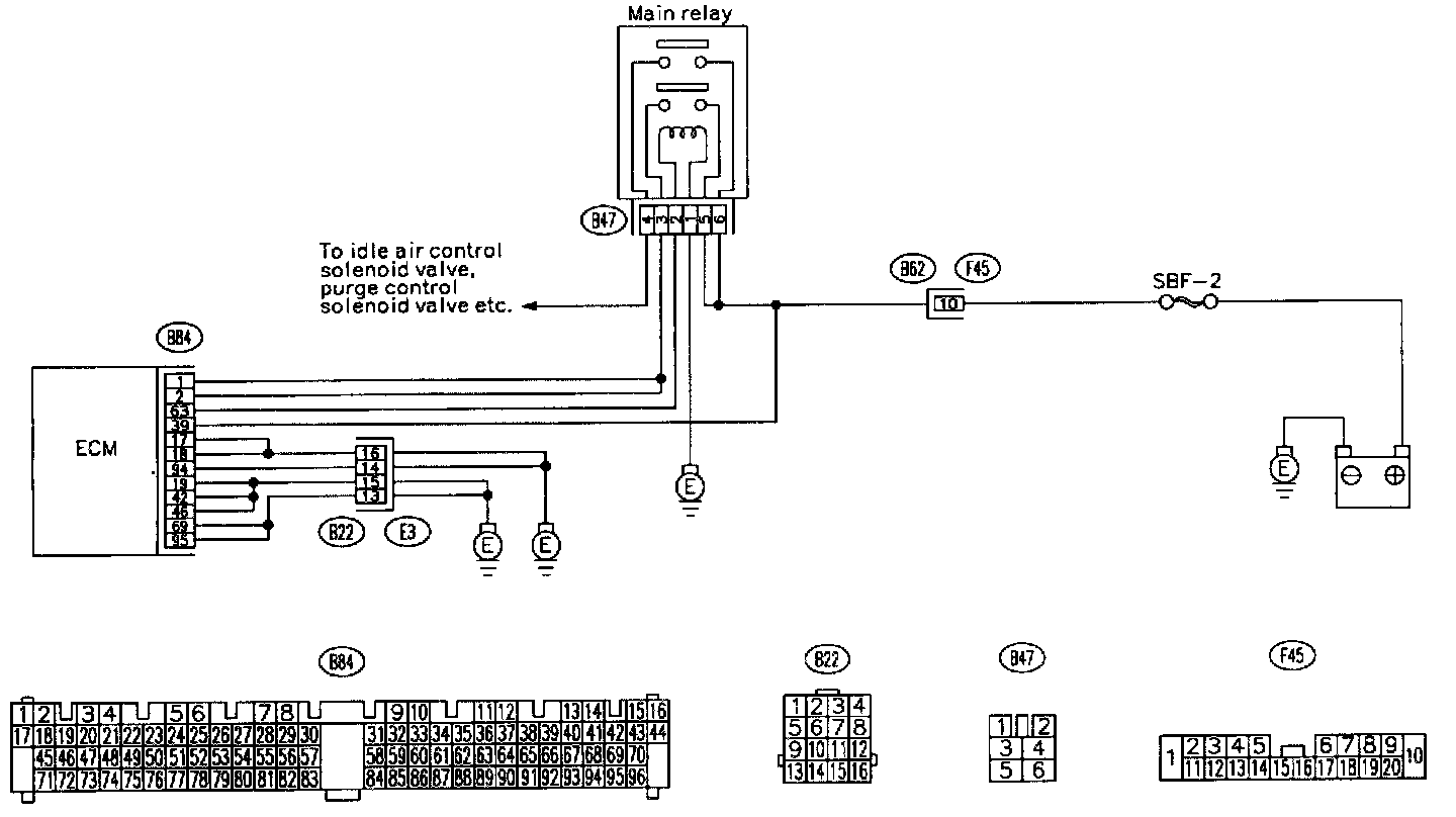
Home >> Subaru >> 1998 >> Legacy Outback AWD F4-2.5L DOHC >> Repair and Diagnosis >> Diagrams >> Electrical Diagrams >> Powertrain Management >> Engine Control Module >> Left Hand Drive

Left Hand Drive