lemon-mirror:
Home >> Subaru >> 1998 >> Forester AWD F4-2.5L DOHC >> Repair and Diagnosis >> Specifications >> Mechanical Specifications >> Engine >> System Specifications >> Torque Specifications >> Engine Components

Engine Components

TORQUE SPECIFICATIONS

Timing Components





Camshaft Removal and Installation

Intake Camshaft Cap Bolt Removal Sequence:





Exhaust Camshaft Cap Bolt Removal Sequence:





Intake Camshaft Cap Bolts Tightening Sequence; Tighten Exhaust Camshaft Cap Bolts Similarly:






Cylinder Head Components









Cylinder Head Removal and Installation

Cylinder Head Bolt Removal Sequence:





Cylinder Head Bolt Installation Sequence:




1. Apply a coat of engine oil to washers and bolt threads.
2. Tighten all bolts to 29 Nm (3.0 kg-m, 22 ft. lbs.) in alphabetical sequence.
Then tighten all bolts to 69 Nm (7.0 kg-m, 51 ft. lbs.) in alphabetical sequence.
3. Back off all bolts by 180° first; back them off by 180° again.
4. Tighten bolts (A) and (B) to 34 Nm (3.5 kg-m, 25 ft. lbs.).
5. Tighten bolts (C), (D), (E) and (F) to 15 Nm (1.5 kg-m, 11 ft. lbs.).
6. Tighten all bolts by 80° to 90° in alphabetical sequence.

CAUTION: Do not tighten bolts more than 90°.

7. Further tighten all bolts by 80° to 90° in alphabetical sequence.

CAUTION: Ensure that the total "re-tightening angle" [in the two previous steps] does not exceed 180°.


Cylinder Block Components









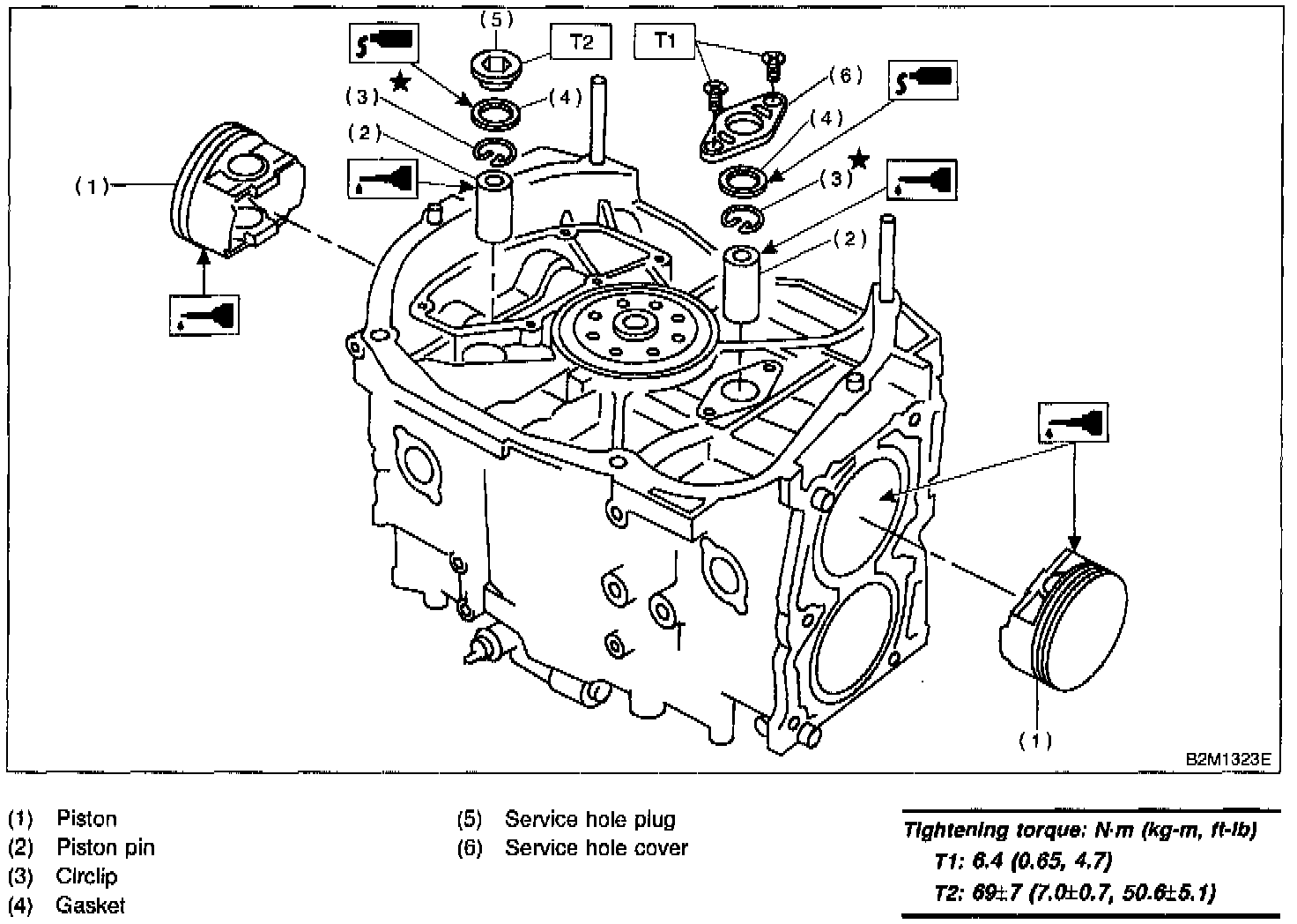
Crankshaft, Pistons and Flywheel/Drive Plate





Cylinder Block Assembly







1. Temporarily tighten 10 mm cylinder block connecting bolts in alphabetical sequence shown in figure.




2. Tighten 10 mm cylinder block connecting bolts in alphabetical sequence.
Tightening torque: 47 ± 3 Nm (4.8 ± 0.3 kg-m, 34.7 ± 2.2 ft. lbs.)




3. Tighten 8 mm and 6 mm cylinder block connecting bolts in alphabetical sequence shown in figure.
Tightening torque:
(A) - (G): 25 ± 2 Nm (2.5 ± 0.2 kg-m, 18.1 ± 1.4 ft. lbs.)
(H): 6.4 Nm (0.65 kg-m, 4.7 ft. lbs.)


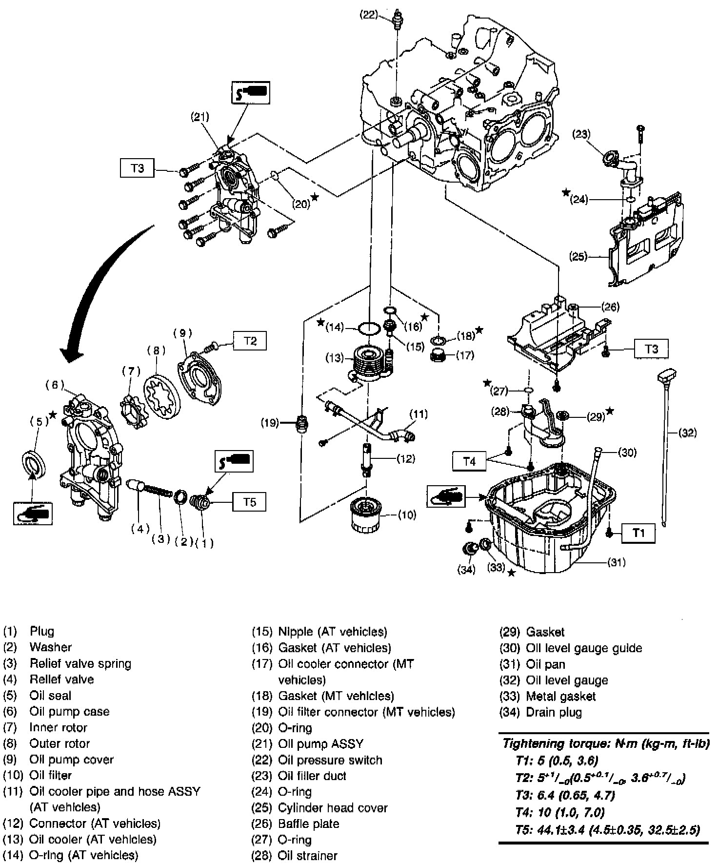
Oil Pump, Oil Pan, Baffle Plate and Water Pump




Water Pump Bolt Tightening Sequence:






Intake Manifold