lemon-mirror:
Home >> Subaru >> 1998 >> Forester AWD F4-2.5L DOHC >> Repair and Diagnosis >> Powertrain Management >> Ignition System >> Ignition Control Module >> Diagrams >> Electrical Diagrams

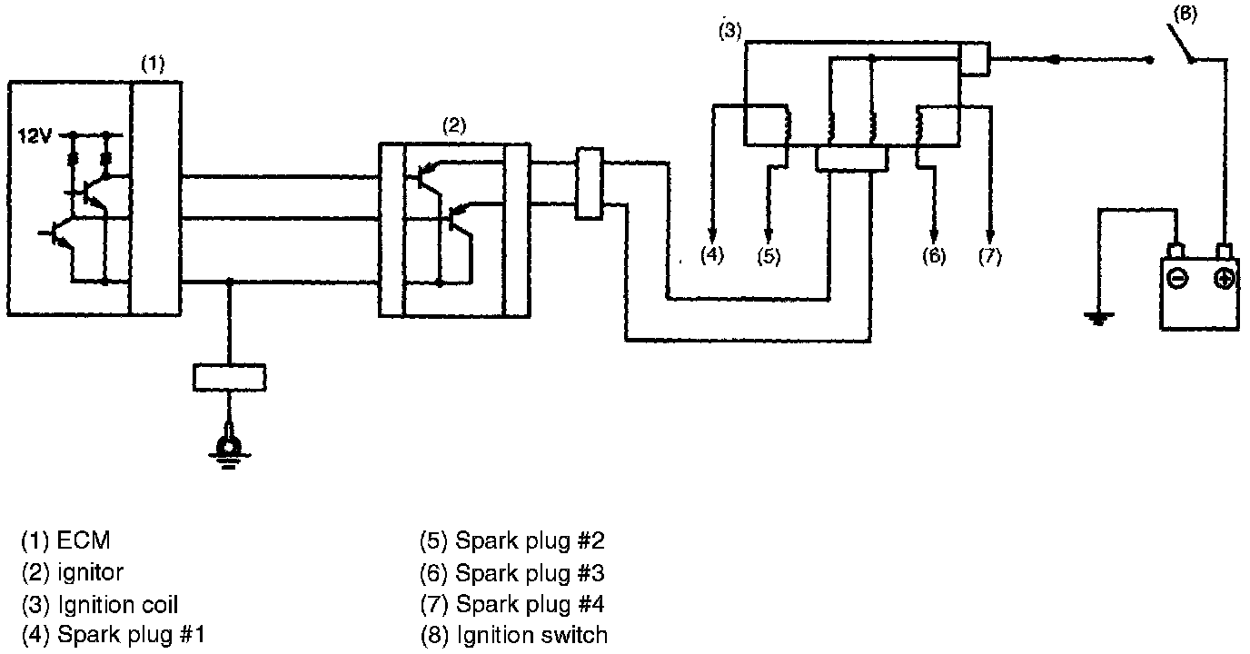
Electrical Diagrams