lemon-mirror:
Home >> Subaru >> 1998 >> Forester AWD F4-2.5L DOHC >> Repair and Diagnosis >> Diagrams >> Exploded Views >> Control Assembly, HVAC

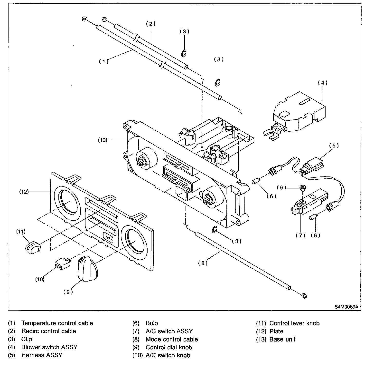
Control Assembly, HVAC

Control Unit: