lemon-mirror:
Home >> Subaru >> 1998 >> Forester AWD F4-2.5L DOHC >> Repair and Diagnosis >> Diagrams >> Exploded Views >> Compressor HVAC

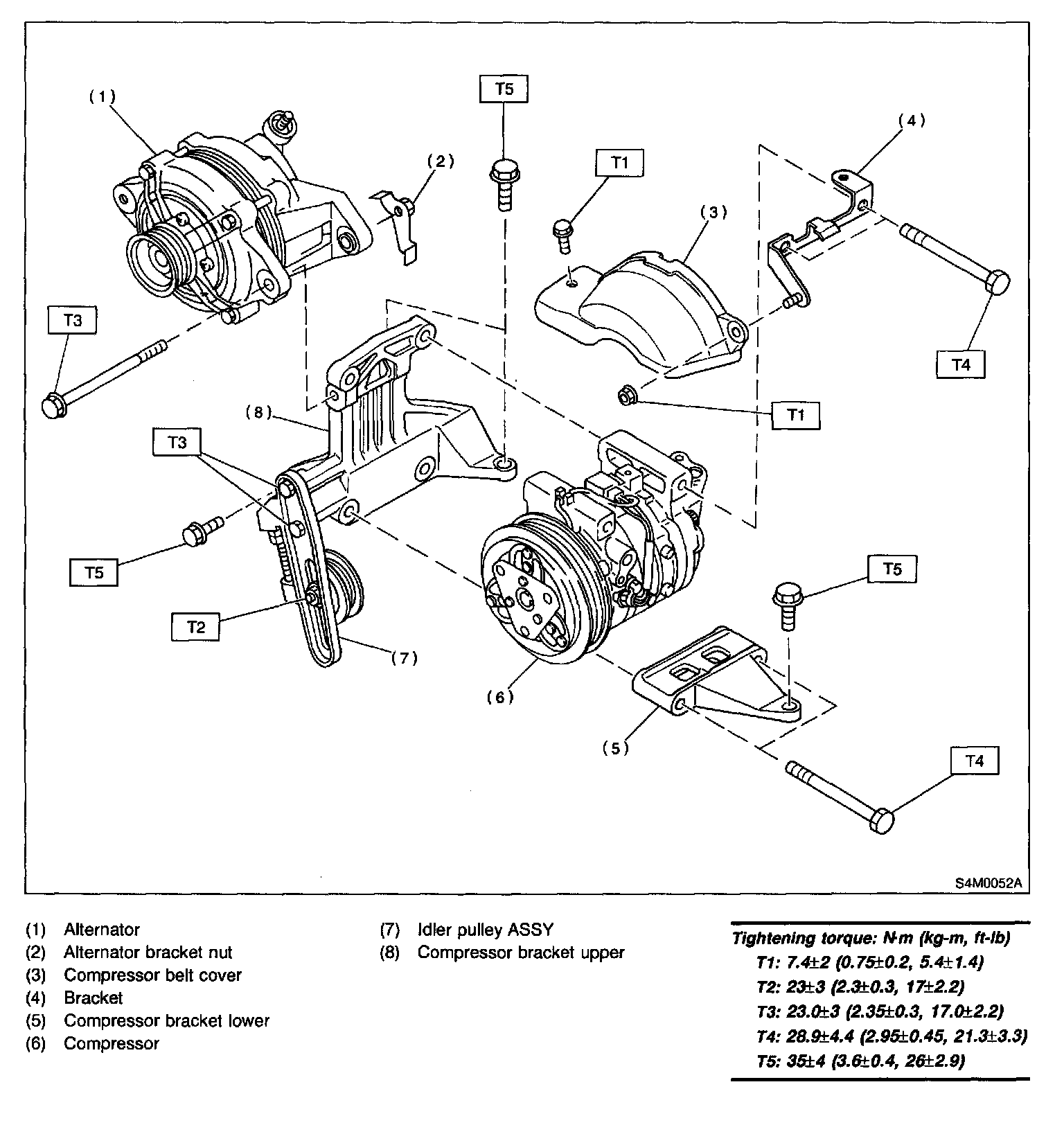
Compressor HVAC

Compressor: