lemon-mirror:
Home >> Subaru >> 1992 >> SVX L6-3.3L DOHC >> Repair and Diagnosis >> Specifications >> Mechanical Specifications >> Engine >> System Specifications >> Torque Specifications

Torque Specifications

TORQUE SPECIFICATIONS





Timing Components





Cylinder Head and Camshaft





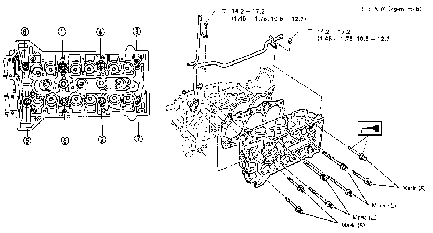
Cylinder Head Bolt Torque/Sequence

Note: Apply a coat of engine oil to washers and bolt threads.

1. Tighten all bolts to 29 N.m (3.0 kg-m, 22 ft-lb) in numerical order.
2. Then tighten all bolts to 69 N.m (7.0 kg-m, 51 ft-lb) in numerical order.
3. Back off all bolts by 180° first; back them off by 180° again.
4. Tighten all bolts to 27 N.m (2.8 kg-m, 20 ft-lb).
5. Re-tighten bolts (1), (2), (3) and (4) by 80° to 90° in numerical sequence.

CAUTION: Do not tighten bolts more than 90°.

6. Re-tighten bolts (5), (6), (7) and (8) to 44 N.m (4.5 kg-m, 33 ft-lb)
7. Further tighten all bolts by 80° to 90° in numerical sequence.

CAUTION: Ensure that the total "re-tightening angle" does not exceed 180°.





Cylinder Block Assembly





Crankshaft, Piston and Flywheel

Oil Pump:




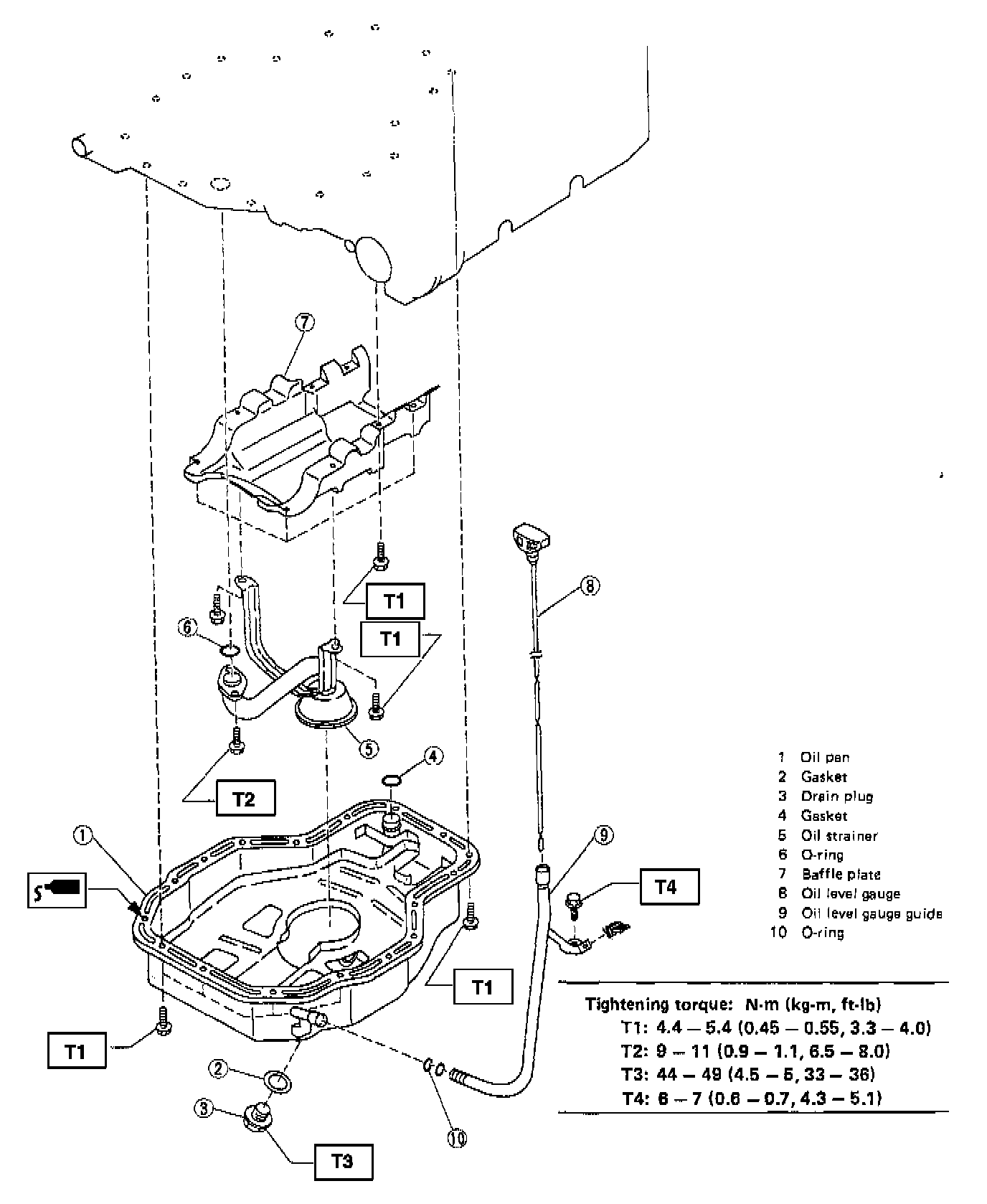
Oil Pan:





Oil Pump and Oil Pan









Water Pump and Coolant Pipe

Intake Manifold:




Throttle Body:





Intake Manifold