lemon-mirror:
Home >> Subaru >> 1992 >> SVX L6-3.3L DOHC >> Repair and Diagnosis >> Diagrams >> Exploded Views >> Timing Cover

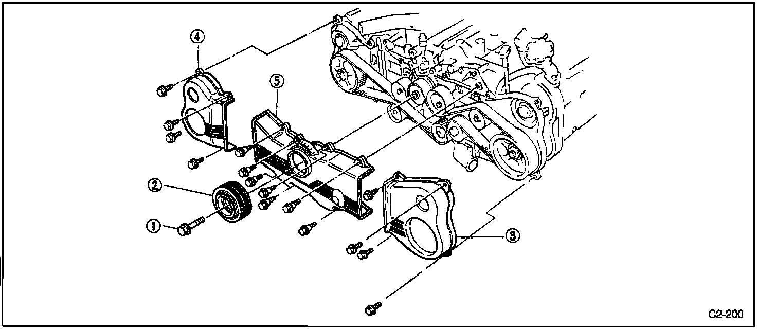
Timing Cover