lemon-mirror:
Home >> Subaru >> 1988 >> Justy Hatchback 2WD L3-1189cc 1.2L >> Repair and Diagnosis >> Specifications >> Mechanical Specifications >> Engine >> System Specifications >> Torque Specifications

Torque Specifications

TORQUE SPECIFICATIONS





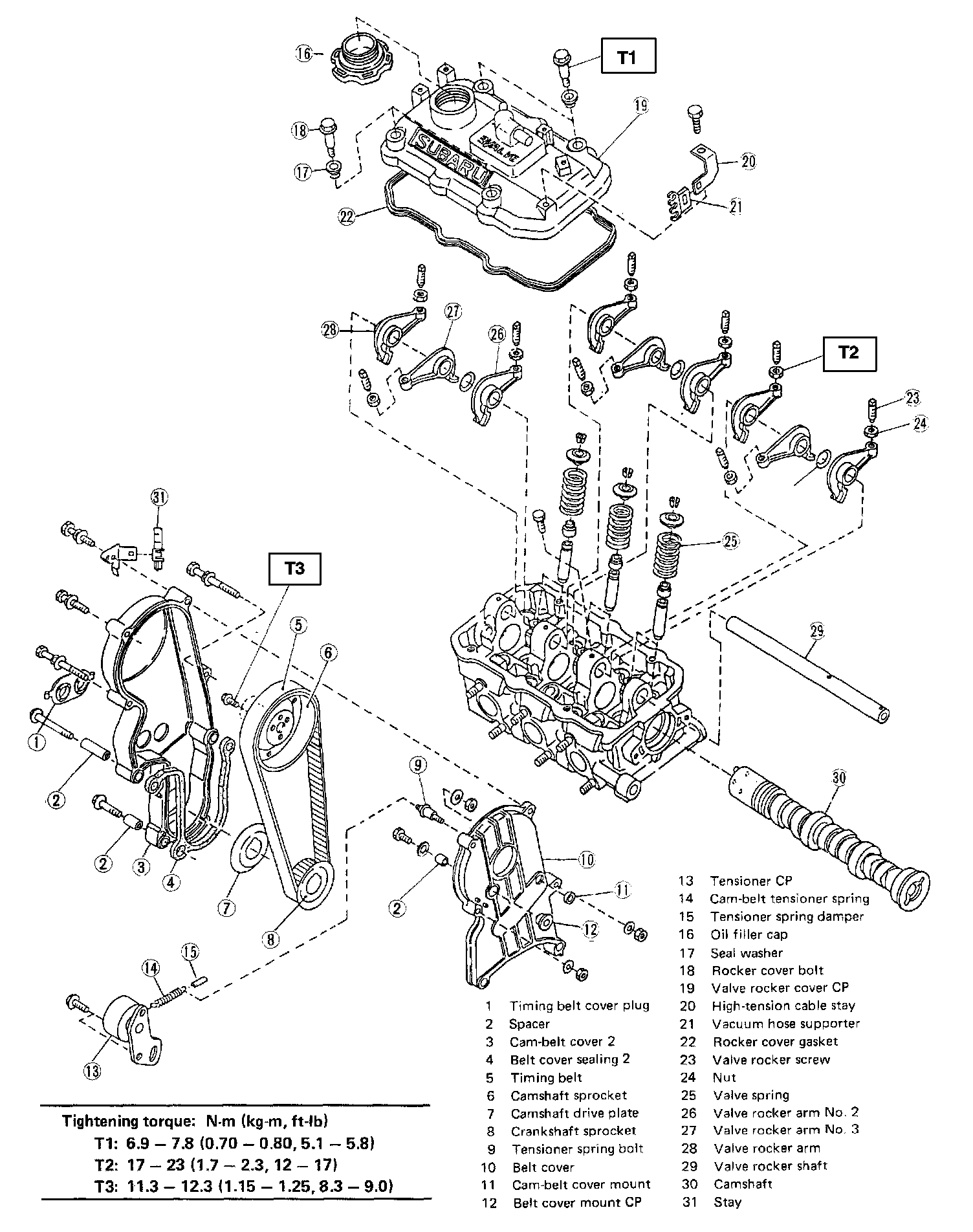
Valve System





Crankcase and Cylinder Head

Cylinder Head Removal:




Head Bolt Torque Sequence:





Head Bolt Torque/Sequence





Crankshaft, Piston and Flywheel





Lubrication and Cooling System





Intake and Exhaust Manifolds