lemon-mirror:
Home >> Subaru >> 1982 >> Hatchback 2WD F4-1595cc 1.6L >> Repair and Diagnosis >> Powertrain Management >> Ignition System >> Condenser >> Locations

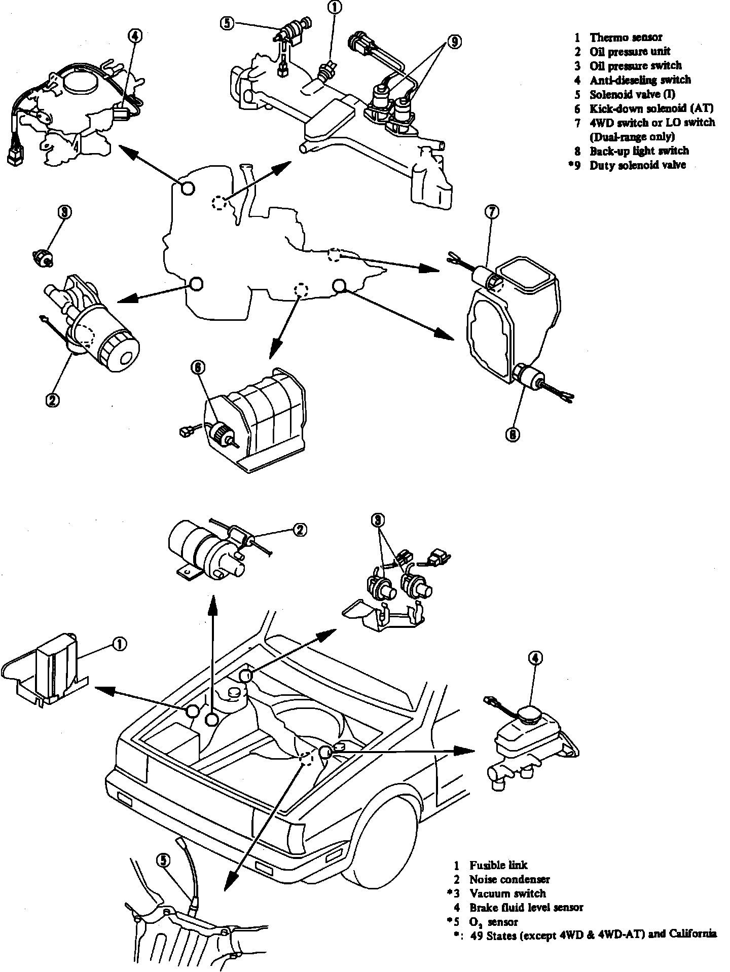
Condenser: Locations

Engine Compartment & Transaxle Mounted Electrical Components.:




RH Side Of Engine Compartment On Fender Apron

Applicable to: 1981-84 Except Brat