lemon-mirror:
Home >> Subaru >> 1982 >> Brat F4-1781cc 1.8L >> Repair and Diagnosis >> Powertrain Management >> Ignition System >> Condenser >> Locations

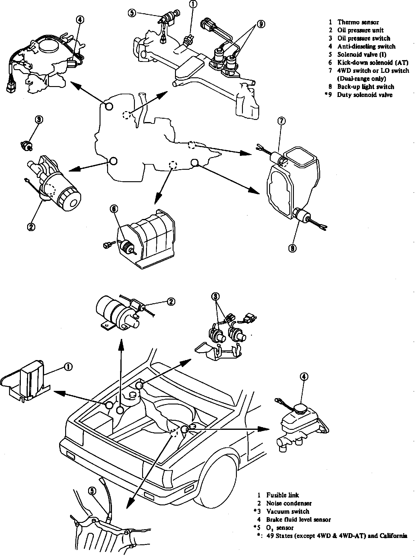
Condenser: Locations

Engine Compartment & Transaxle Mounted Electrical Components.:




RH Side Of Engine Compartment On Fender Apron

Applicable to: Brat