lemon-mirror:
Home >> Saturn >> 2009 >> VUE FWD V6-3.5L >> Repair and Diagnosis >> Diagrams >> Connector Views >> Engine Control Module

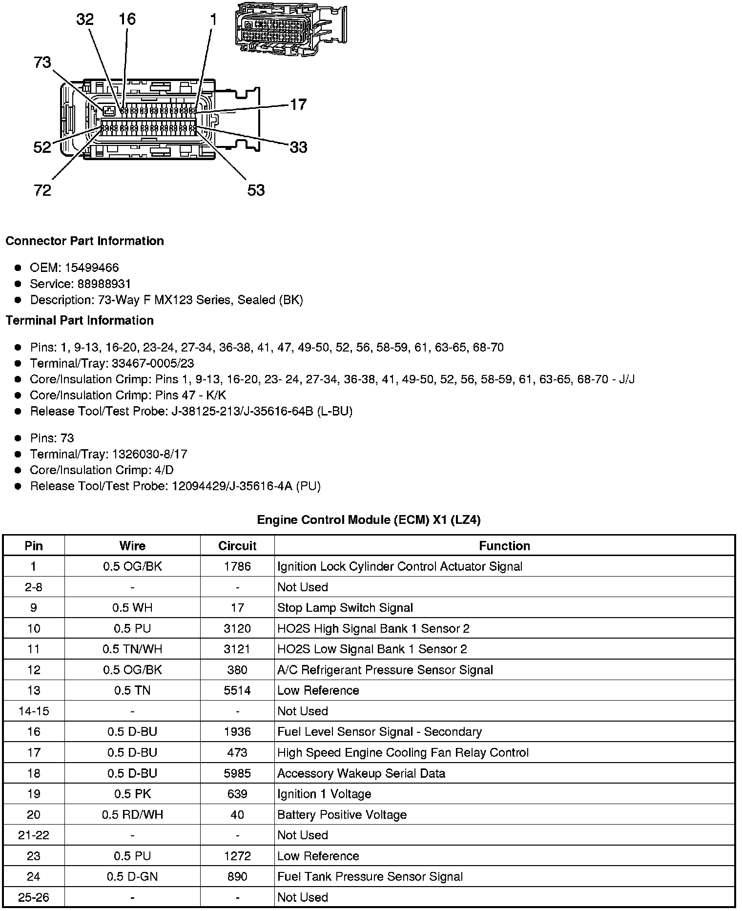
Engine Control Module




Component Connector End Views

Engine Control Module (ECM) X1 (LZ4)










Engine Control Module (ECM) X2 (LZ4)