lemon-mirror:
Home >> Saturn >> 2009 >> VUE FWD L4-2.4L >> Repair and Diagnosis >> Diagrams >> Components >> Powertrain Component Views

Powertrain Component Views




Powertrain Component Views

Front Engine Compartment (LAT)




1 - Fuse Block - Auxiliary (HP7)
2 - Mass Air Flow (MAF)/Intake Air Temperature (IAT) Sensor
3 - Brake Booster Vacuum Sensor
4 - Fuse Block - Underhood
5 - Brake Fluid Level Switch
6 - Brake Fluid Pressure Sensor (HP7)
7 - Hill Hold Brake Delay Valve (HP7)
8 - Electronic Brake Control Module (EBCM)
9 - Engine Cooling Fan
10 - Engine Cooling Fan Resistor
11 - A/C Refrigerant Pressure Sensor

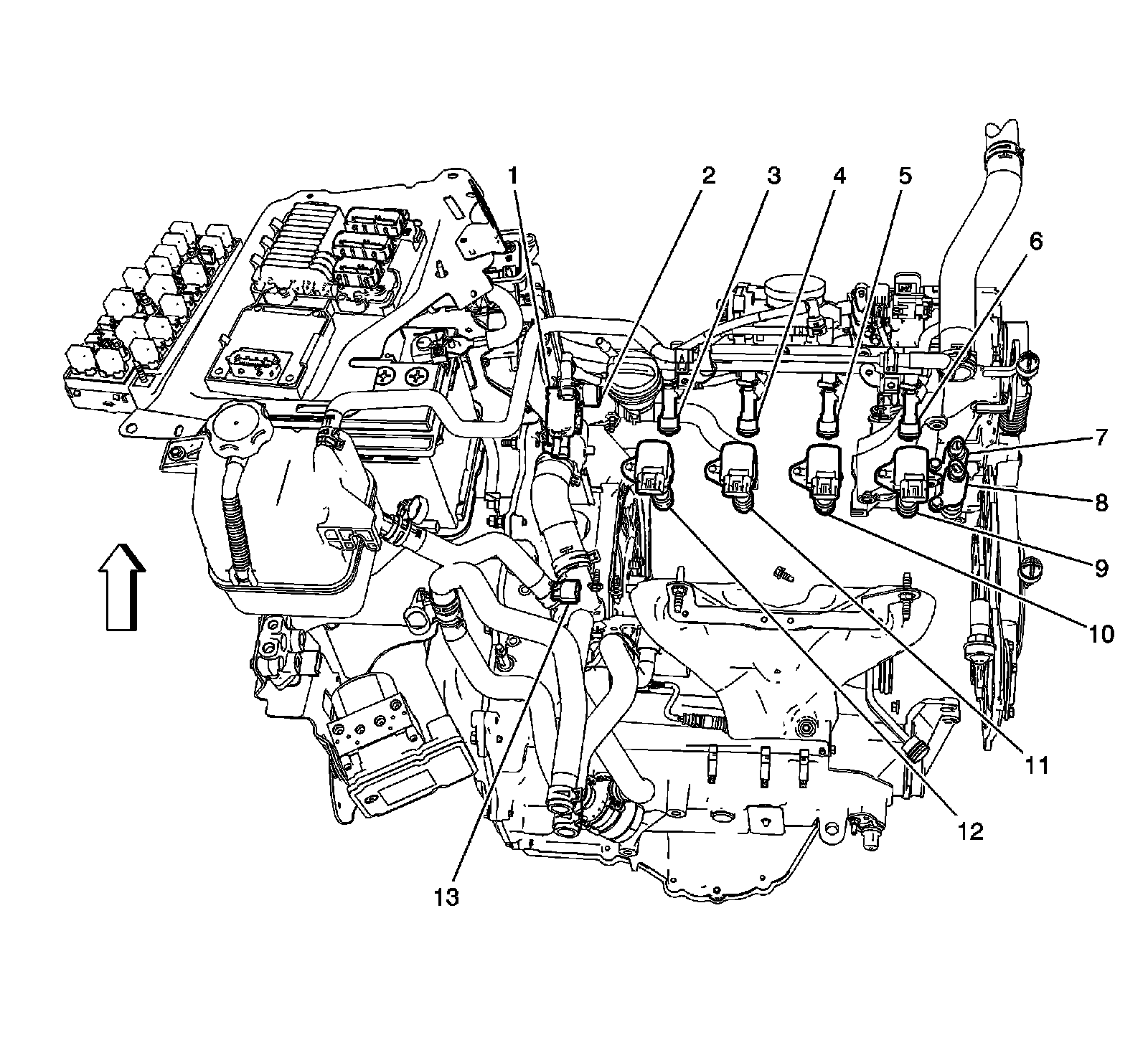
Engine - Front (LAT)




1 - A/C Compressor Clutch
2 - Starter Generator (HP7)
3 - Throttle Body
4 - Engine Control Module (ECM)
5 - Transmission Control Module (TCM)
6 - Starter Generator Control Module (SGCM) (HP7)
7 - Automatic Transmission Auxiliary Fluid Pump (HP7)
8 - Knock Sensor (KS) Connector
9 - Knock Sensor (KS)
10 - Engine Oil Pressure (EOP) Switch
11 - Crankshaft Position (CKP) Sensor
12 - Starter Motor
13 - Starter Generator Control Module (SGCM) Coolant Pump (HP7)

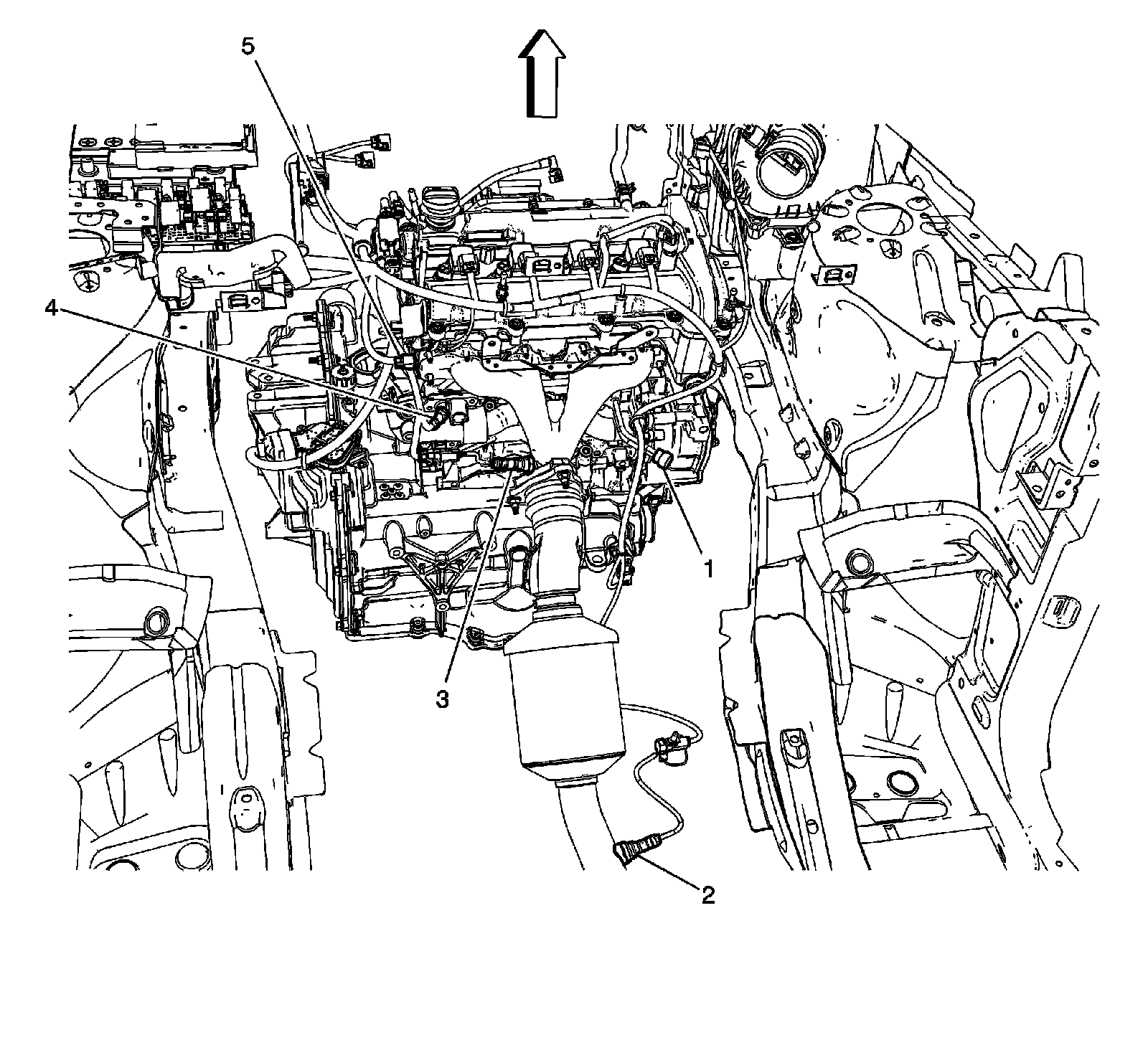
Engine - Rear (LAT)




1 - Engine Coolant Temperature (ECT) Sensor
2 - Engine Block Heater (K05)
3 - Automatic Transmission Output Shaft Speed (OSS) Sensor (ME7)
4 - Heater Coolant Pump (HP7)
5 - Park/Neutral Position (PNP) Switch (ME7)

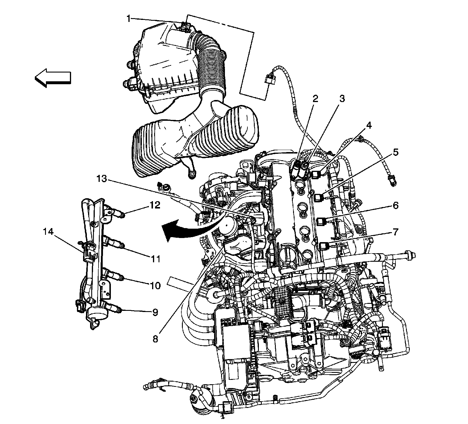
Engine - Top (LAT)




1 - Evaporative Emissions (EVAP) Canister Purge Solenoid Valve
2 - Camshaft Position (CMP) Sensor - Intake
3 - Fuel Injector 4
4 - Fuel Injector 3
5 - Fuel Injector 2
6 - Fuel Injector 1
7 - Camshaft Position (CMP) Actuator Solenoid Valve - Intake
8 - Camshaft Position (CMP) Actuator Solenoid Valve - Exhaust
9 - Ignition Coil 1
10 - Ignition Coil 2
11 - Ignition Coil 3
12 - Ignition Coil 4
13 - Camshaft Position (CMP) Sensor - Exhaust

Engine-Front View (LCS)




1 - Mass Air Flow (MAF)/Intake Air Temperature (IAT) Sensor
2 - Fuse Block - Underhood
3 - Fuse Block - Auxiliary (HP5)
4 - Automatic Transmission Auxiliary Fluid Pump Control Module (HP5)
5 - High Pressure Fuel Pump Connector
6 - Automatic Transmission Input Shaft Speed (ISS) Sensor
7 - Automatic Transmission - 2MT70 (MK3)
8 - A/C Refrigerant Pressure Sensor
9 - Drive Motor Generator Power Inverter Module Temperature Sensor (HP5)
10 - Knock Sensor (KS) Bank 2
11 - Electric A/C Compressor (HP5)
12 - Engine Oil Pressure (EOP) Sensor
13 - Drive Motor Generator Power Inverter Module Coolant Pump 1 (HP5)
14 - Engine Coolant Temperature (ECT) Sensor
15 - Drive Motor Generator Power Inverter Module Coolant Pump 2 (HP5)

Engine-Left Rear (LCS)




1 - Drive Motor Generator Power Inverter Module (HP5)
2 - Heater Coolant Pump (HP5)
3 - Resolver Motor-B X1 (HP5)
4 - Resolver Motor-B X2 (HP5)
5 - Automatic Transmission Auxiliary Fluid Pump Connector
6 - X176
7 - Accessory DC Power Control Module (HP5)

Engine-Right Rear (LCS)




1 - Camshaft Position (CMP) Sensor - Bank 1 Exhaust
2 - Evaporative Emissions (EVAP) Canister Purge Solenoid Valve
3 - Control Solenoid Valve Assembly
4 - Camshaft Position (CMP) Actuator Solenoid Valve - Bank 1 Intake
5 - Camshaft Position (CMP) Sensor - Bank 1 Intake
6 - Camshaft Position (CMP) Sensor - Bank 2 Intake
7 - Camshaft Position (CMP) Actuator Solenoid Valve - Bank 2 Exhaust
8 - Camshaft Position (CMP) Sensor - Bank 2 Exhaust
9 - Camshaft Position (CMP) Actuator Solenoid Valve - Bank 2 Exhaust
10 - Engine Control Module (ECM)
11 - Camshaft Position (CMP) Actuator Solenoid Valve - Bank 1 Exhaust
12 - Knock Sensor (KS) Bank 1
13 - Crankshaft Position (CKP) Sensor

Engine-Top View (LCS)




1 - Drive Motor Battery Cable Terminal Extension Cover (HP5)
2 - Ignition Coil 6
3 - Ignition Coil 4
4 - Ignition Coil 2
5 - Fuel Injector 6
6 - Fuel Injector 4
7 - Fuel Injector 2
8 - Fuel Injector 1
9 - Fuel Injector 3
10 - Ignition Coil 1
11 - Ignition Coil 3
12 - Ignition Coil 5
13 - Fuel Injector 5

Front of the Engine (LE5/LE9)




1 - Throttle Body
2 - Crankshaft Position (CKP) Sensor
3 - Starter Motor
4 - Engine Oil Pressure (EOP) Switch
5 - Knock Sensor (KS)
6 - A/C Compressor Clutch
7 - A/C Refrigerant Pressure Sensor
8 - Generator

Rear of the Engine (LE5/LE9)




1 - Engine Block Heater Connector (K05)
2 - Heated Oxygen Sensor (HO2S) 2
3 - Heated Oxygen Sensor (HO2S) 1
4 - Engine Coolant Temperature (ECT) Sensor
5 - Camshaft Position (CMP) Sensor - Intake

Top of Engine - Electrical (LE5/LE9)




1 - Mass Air Flow (MAF)/Intake Air Temperature (IAT) Sensor
2 - Camshaft Position (CMP) Actuator Solenoid Valve- Intake
3 - Camshaft Position (CMP) Actuator Solenoid Valve - Exhaust
4 - Ignition Coil 1
5 - Ignition Coil 2
6 - Ignition Coil 3
7 - Ignition Coil 4
8 - Throttle Body
9 - Fuel Injector 4
10 - Fuel Injector 3
11 - Fuel Injector 2
12 - Fuel Injector 1
13 - Manifold Absolute Pressure (MAP) Sensor
14 - X110

Top of the Engine (LE5/LE9)




1 - Evaporative Emissions (EVAP) Canister Purge Solenoid Valve
2 - Camshaft Position (CMP) Sensor Exhaust
3 - Manifold Absolute Pressure (MAP) Sensor
4 - Camshaft Position (CMP) Actuator Solenoid Valve - Intake
5 - Mass Air Flow (MAF)/Intake Air Temperature (IAT) Sensor
6 - Camshaft Position (CMP) Actuator Solenoid Valve - Exhaust

Front of the Engine (LY7)




1 - Manifold Absolute Pressure (MAP) Sensor
2 - Control Solenoid Valve Assembly (MH2/MH4)
3 - Heated Oxygen Sensor (HO2S) Bank 1 Sensor 1
4 - Heated Oxygen Sensor (HO2S) Bank 1 Sensor 2
5 - Knock Sensor (KS) Bank 1
6 - Engine Oil Pressure (EOP) Switch
7 - A/C Compressor Clutch
8 - A/C Refrigerant Pressure Sensor
9 - Generator
10 - Engine Coolant Temperature (ECT) Sensor

Rear of the Engine (LY7)




1 - Evaporative Emissions (EVAP) Canister Purge Solenoid Valve
2 - Heated Oxygen Sensor (HO2S) Bank 2 Sensor 1
3 - Heated Oxygen Sensor (HO2S) Bank 2 Sensor 2
4 - Knock Sensor (KS) Bank 2
5 - Crankshaft Position (CKP) Sensor
6 - Engine Block Heater Connector (K05)

Right Side of the Engine (LY7)




1 - Throttle Body
2 - Mass Air Flow (MAF)/Intake Air Temperature (IAT) Sensor
3 - Camshaft Position (CMP) Sensor - Bank 2 Intake
4 - Camshaft Position (CMP) Sensor - Bank 2 Exhaust
5 - Camshaft Position (CMP) Actuator Solenoid Valve - Bank 2 Intake
6 - Camshaft Position (CMP) Actuator Solenoid Valve - Bank 2 Exhaust
7 - Camshaft Position (CMP) Sensor - Bank 1 Intake
8 - Camshaft Position (CMP) Actuator Solenoid Valve - Bank 1 Intake
9 - Camshaft Position (CMP) Actuator Solenoid Valve - Bank 1 Exhaust
10 - Camshaft Position (CMP) Sensor - Bank 1 Exhaust

Top of the Engine (LY7)




1 - Fuel Injector 6
2 - Ignition Coil 6
3 - Fuel Injector 4
4 - Ignition Coil 4
5 - Ignition Coil 2
6 - Fuel Injector 2
7 - Fuel Injector 1
8 - Ignition Coil 1
9 - Fuel Injector 3
10 - Ignition Coil 3
11 - Ignition Coil 5
12 - Fuel Injector 5

Front of the Engine (LZ4)




1 - Heated Oxygen Sensor (HO2S) Bank 2 Sensor 1
2 - Engine Coolant Temperature Sensor
3 - Control Solenoid Valve Assembly (MH2/MH4)
4 - Engine Harness
5 - Starter
6 - Knock Sensor (KS) Bank 2
7 - Engine Oil Pressure (EOP) Switch
8 - Heated Oxygen Sensor (HO2S) Bank 2 Sensor 2
9 - A/C Compressor Clutch
10 - A/C Refrigerant Pressure Sensor

Rear of the Engine (LZ4)




1 - Knock Sensor (KS) Bank 1
2 - Heated Oxygen Sensor (HO2S) Bank 1 Sensor 1
3 - Camshaft Position (CMP) Actuator Solenoid Valve
4 - Engine Block Heater Connector (K05)
5 - Crankshaft Position (CKP) Sensor
6 - Heated Oxygen Sensor (HO2S) Bank 1 Sensor 2

Top View of the Engine Compartment (LZ4)




1 - Generator
2 - Ignition Control Module (ICM)
3 - Manifold Absolute Pressure (MAP) Sensor
4 - Throttle Body
5 - Evaporative Emissions (EVAP) Canister Purge Solenoid Valve
6 - Mass Air Flow (MAF)/Intake Air Temperature (IAT) Sensor

Top View of the Engine (LZ4)




1 - Fuel Injector 6
2 - Fuel Injector 5
3 - Fuel Injector 4
4 - Camshaft Position (CMP) Sensor
5 - Fuel Injector 1
6 - Fuel Injector 2
7 - Fuel Injector 3

Automatic Transmission Auxiliary Fluid Pump (HP7)




1 - 4-3 Downshift On/Off Solenoid (HP7)
2 - Automatic Transmission Auxiliary Fluid Pump (HP7)

LAT Engine with ME7 Transmission




1 - Automatic Transmission Auxiliary Fluid Pump (HP7)
2 - X112
3 - Automatic Transmission Output Shaft Speed (OSS) Sensor
4 - Park/Neutral Position (PNP) Switch

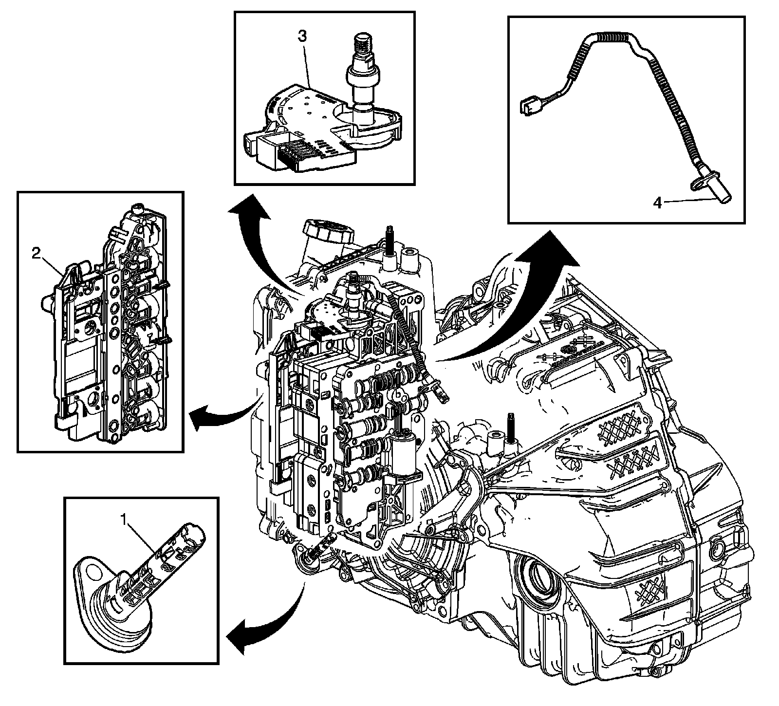
Transmission Components (MH2/MH4)




1 - Automatic Transmission Input Shaft Speed (ISS) Sensor
2 - Control Solenoid Valve Assembly X1
3 - Automatic Transmission Shift Lever
4 - Automatic Transmission Output Shaft Speed (OSS) Sensor

Automatic transmission Electronic Components (ME7/MN5)




1 - Automatic Transmission Fluid Pressure (TFP) Manual Valve Position Switch
2 - 1-2 Shift Solenoid (SS) Valve (ME7/MN5)
3 - 2-3 Shift Solenoid (SS) Valve (ME7/MN5)
4 - Automatic Transmission Output Shaft Speed (OSS) Sensor
5 - Automatic Transmission Input Shaft Speed (ISS) Sensor
6 - Torque Converter Clutch (TCC) Pressure Control (PC) Solenoid Valve
7 - Torque Converter Clutch (TCC) Pulse Width Modulation (PWM) Solenoid Valve

Engine (LE5) and Transmission (MN5)




1 - Engine ( LE5)
2 - Heated Oxygen Sensor (HO2S) 1 ( LAT/LE5)
3 - Automatic Transmission Output Shaft Speed (OSS) Sensor
4 - Heated Oxygen Sensor (HO2S) 2 (LAT/LE5)
5 - Park/Neutral Position (PNP) Switch (ME7/MN5)
6 - Automatic Transmission (MN5)
7 - X112

Engine (LY7) with MH2 or MH4




1 - Engine (LY7)
2 - Transmission (MH2/MH4)
3 - Control Solenoid Valve Assembly X1

LZ4 Engine with MH4 Transmission




1 - Control Solenoid Valve Assembly
2 - Transfer Case