lemon-mirror:
Home >> Saturn >> 2009 >> Astra L4-1.8L >> Repair and Diagnosis >> Body and Frame >> Frame >> Subframe >> Front Subframe >> Service and Repair >> Front Frame Replacement (Replacement)

Front Frame Replacement (Replacement)




Front Frame Replacement (Replacement)

Removal Procedure

1. Remove the front frame. Refer to Front Frame Replacement (Removal) (Front Frame Replacement (Removal))Front Frame Replacement (Replacement) .
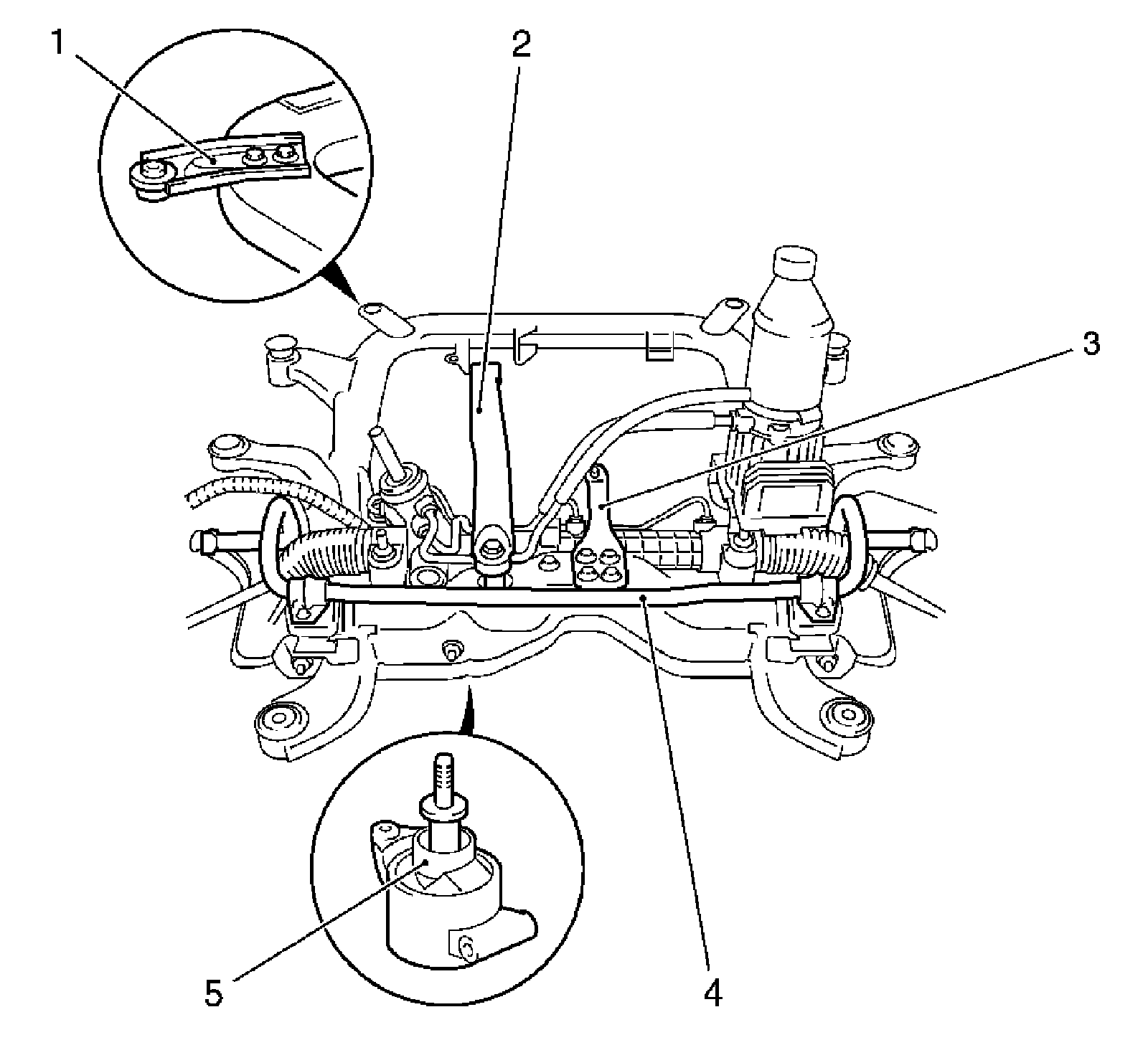
2. Detach the 2 radiator brackets (1) from the front frame.
3. Detach the stabilizer (4) from the front frame. Refer to Stabilizer Shaft Replacement (Service and Repair).
4. Detach the rear engine damping block bracket (2) from engine damping block.
5. Detach the rear engine damping block (5) from front frame.




6. For the vehicles with manual transmission, detach the shift guide bracket (3) from the front frame.
7. Detach the electrohydraulic supply unit from the front frame. Refer to Electronic Brake Control Module Replacement (MK70) (Service and Repair)Electronic Brake Control Module Replacement (MK60) (Service and Repair).
8. Detach the steering gear from front frame. Refer to Steering Gear Replacement (ZF) (Service and Repair)Steering Gear Replacement (TRW without NR1, NS1, NS2) (Service and Repair).
9. Detach the left and right control arms from the front frame. Refer to Lower Control Arm Replacement (Service and Repair).

Installation Procedure

1. Install a new damping bushings in front frame. Refer to Drivetrain and Front Suspension Frame Front Insulator Replacement (Service and Repair).

Note: Only tighten bolted connection loosely. The bolted control arm connection to the front frame is tightened at vehicle trim height.

2. Connect the left and right control arms to front frame.

* Use the 4 new bolts.
* Install the 4 new nuts.

Caution: Refer to Fastener Caution (Fastener Caution).

3. Attach the rear engine damping block (4) to the front frame.
Install the 2 new nuts (2, 5).

Tighten to 55 Nm (40 lb ft).

4. Install the steering gear to the front frame. Refer to Steering Gear Replacement (ZF) (Service and Repair)Steering Gear Replacement (TRW without NR1, NS1, NS2) (Service and Repair).
5. Install the electrohydraulic supply unit to the front frame. Refer to Electronic Brake Control Module Replacement (MK70) (Service and Repair)Electronic Brake Control Module Replacement (MK60) (Service and Repair).
6. For the vehicles with manual transmission, attach the shift guide bracket to the front frame.

Tighten to 20 Nm (15 lb ft).





Note: Ensure that the positioning is perfect - the pin (3) must sit fully in the groove.

7. Attach the bracket for rear engine damping block to engine damping block.
Use the new nut (1).

Tighten to 55 Nm (40 lb ft).

8. Attach the stabilizer to the front frame. Refer to Stabilizer Shaft Replacement (Service and Repair).
9. Attach the 2 radiator brackets to front frame.

Tighten to 15 Nm (11 lb ft).

10. Install the front frame. Refer to Front Frame Replacement (Removal) (Front Frame Replacement (Removal))Front Frame Replacement (Replacement) .

Note: Vehicle must be standing on wheels, inspection stand or pit.

11. Install the 2 bolted connections, control arm to the front frame.

Tighten the 2 new screw connections for control arm on front frame to 90 Nm (67 lb ft) plus 75 degree, plus 15 degrees.

12. Tighten control arm to frame bolt at trim height. Refer to Trim Height Specifications (Trim Height Specifications).
13. Perform the chassis alignment. Refer to Alignment Checking (Component Tests and General Diagnostics).

* If necessary, adjust toe-in-Refer to Wheel Alignment - Steering Wheel Angle and/or Front Toe Adjustment (Service and Repair).
* If necessary, adjust camber-Refer to Front Camber Adjustment (Service and Repair).

14. Fill and bleed the hydraulic system. Refer to Hydraulic Brake System Bleeding (Service and Repair).