lemon-mirror:
Home >> Saturn >> 2008 >> VUE FWD L4-2.4L >> Repair and Diagnosis >> Diagrams >> Components >> Powertrain Component Views

Powertrain Component Views



Powertrain Component Views


Front of the Engine




1 - Throttle Actuator Control (TAC) Module
2 - Crankshaft Position (CKP) Sensor
3 - Starter
4 - Engine Oil Pressure (EOP) Switch
5 - Knock Sensor (KS)
6 - A/C Compressor Clutch
7 - A/C Refrigerant Pressure Sensor
8 - Generator

Top of the Engine)




1 - Evaporative Emissions (EVAP) Canister Purge Solenoid
2 - Camshaft Position (CMP) Sensor Exhaust
3 - Manifold Absolute Pressure (MAP) Sensor
4 - Camshaft Position (CMP) Actuator Solenoid Intake
5 - Mass Air Flow (MAF)/Intake Air Temperature (IAT) Sensor
6 - Camshaft Position (CMP) Actuator Solenoid Exhaust

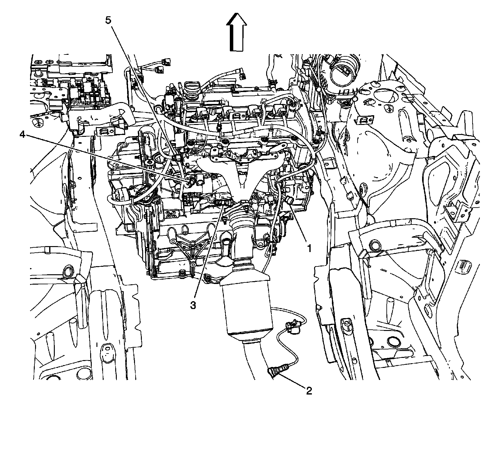
Rear of the Engine




1 - Engine Block Heater Connector (K05)
2 - Heated Oxygen Sensor (HO2S) 2
3 - Heated Oxygen Sensor (HO2S) 1
4 - Engine Coolant Temperature (ECT) Sensor
5 - Camshaft Position (CMP) Sensor - Intake

With MN5 Transmission




1 - Park/Neutral Position (PNP) Switch
2 - X112
3 - Vehicle Speed Sensor (VSS)

Transmission Components (MH2/MH4)




1 - Automatic Transmission Input Shaft Speed (AT ISS) Sensor (MH2/MH4)
2 - Internal Mode Switch (ISS) . Part of Valve Body Assembly
3 - Manual Shift Detent (w/Shaft Position Switch) Lever Assembly
4 - Automatic Transmission Output Shaft Speed (AT OSS) Sensor