lemon-mirror:
Home >> Saturn >> 2008 >> VUE FWD L4-2.4L Hybrid >> Repair and Diagnosis >> Diagrams >> Components >> Powertrain Component Views

Powertrain Component Views



Powertrain Component Views

Front Engine Compartment




1 - Fuse Block - Auxiliary (HP7)
2 - Mass Air Flow (MAF)/Intake Air Temperature (IAT) Sensor
3 - Brake Vacuum Sensor (HP7)
4 - Fuse Block - Underhood
5 - Brake Fluid Level Switch
6 - Coolant Level Switch
7 - Brake Fluid Pressure Sensor (HP7)
8 - Hill Hold Valve (HP7)
9 - Electronic Brake Control Module (EBCM)
10 - Cooling Fan
11 - Cooling Fan Resistor
12 - A/C Refrigerant Pressure Sensor

Engine - Front




1 - A/C Compressor Clutch
2 - Starter Generator (HP7)
3 - Throttle Actuator Control (TAC) Module
4 - Engine Control Module (ECM)
5 - Transmission Control Module (TCM)
6 - Starter Generator Control Module (SGCM) (HP7)
7 - Transmission Pump (HP7)
8 - Knock Sensor (KS) Pigtail Connector
9 - Knock Sensor (KS)
10 - Engine Oil Pressure (EOP) Switch
11 - Crankshaft Position (CKP) Sensor
12 - Starter Motor
13 - Starter Generator Control Module (SGCM) Cooling Pump (HP7

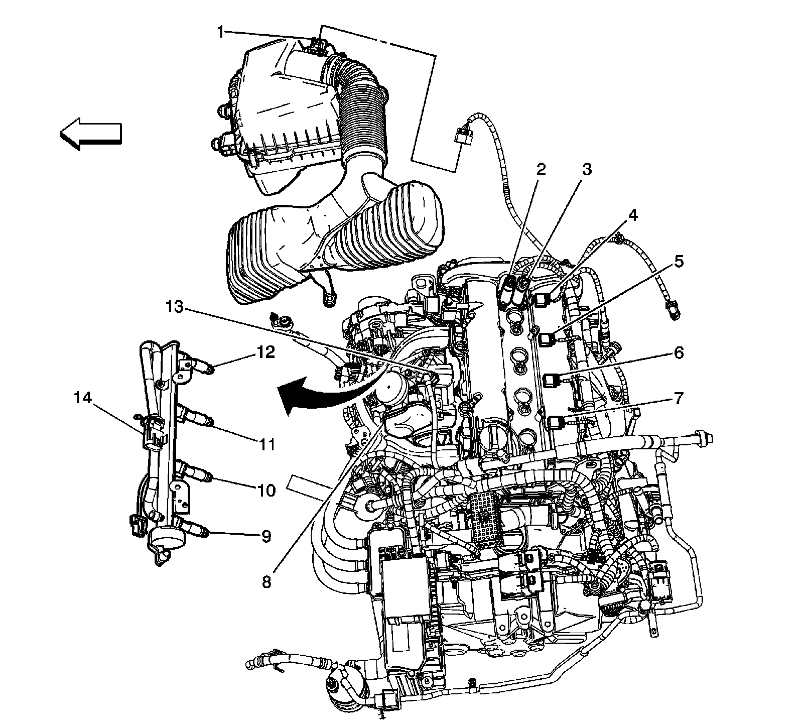
Engine - Top




1 - Evaporative Emissions (EVAP) Canister Purge Solenoid Valve
2 - Camshaft Position (CMP) Sensor - Intake
3 - Fuel Injector 4
4 - Fuel Injector 3
5 - Fuel Injector 2
6 - Fuel Injector 1
7 - Camshaft Position (CMP) Actuator Solenoid - Intake
8 - Camshaft Position (CMP) Actuator Solenoid - Exhaust
9 - Ignition Coil Module 1
10 - Ignition Coil Module 2
11 - Ignition Coil Module 3
12 - Ignition Coil Module 4
13 - Camshaft Position (CMP) Sensor - Exhaust

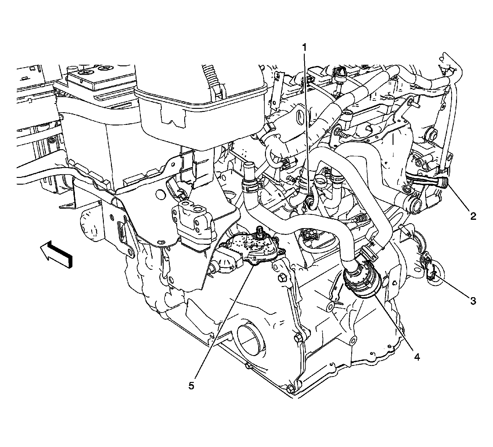
Engine - Rear




1 - Engine Coolant Temperature (ECT) Sensor
2 - Engine Block Heater
3 - Vehicle Speed Sensor (VSS)
4 - Heater Coolant Pump (HP7)
5 - Park/Neutral Position (PNP) Switch

Top of the Engine




1 - Mass Air Flow (MAF)/Intake Air Temperature (IAT) Sensor
2 - Camshaft Position (CMP) Actuator Solenoid - Intake
3 - Camshaft Position (CMP) Actuator Solenoid - Exhaust
4 - Ignition Coil Module 1
5 - Ignition Coil Module 2
6 - Ignition Coil Module 3
7 - Ignition Coil Module 4
8 - Throttle Actuator Control (TAC) Module
9 - Fuel Injector 4
10 - Fuel Injector 3
11 - Fuel Injector 2
12 - Fuel Injector 1
13 - Manifold Absolute Pressure (MAP) Sensor
14 - X130


With ME7 Transmission




1 - Automatic Transmission Pump - Auxiliary (HP7)
2 - X112
3 - Vehicle Speed Sensor (VSS)
4 - Park/Neutral Position (PNP) Switch


Transmission Components (MH2/MH4)




1 - Automatic Transmission Input Shaft Speed (AT ISS) Sensor (MH2/MH4)
2 - Internal Mode Switch (ISS) . Part of Valve Body Assembly
3 - Manual Shift Detent (w/Shaft Position Switch) Lever Assembly
4 - Automatic Transmission Output Shaft Speed (AT OSS) Sensor