lemon-mirror:
Home >> Saturn >> 2008 >> Aura L4-2.4L >> Repair and Diagnosis >> Diagrams >> Electrical Diagrams >> Powertrain Management >> Computers and Control Systems >> Body Control Module

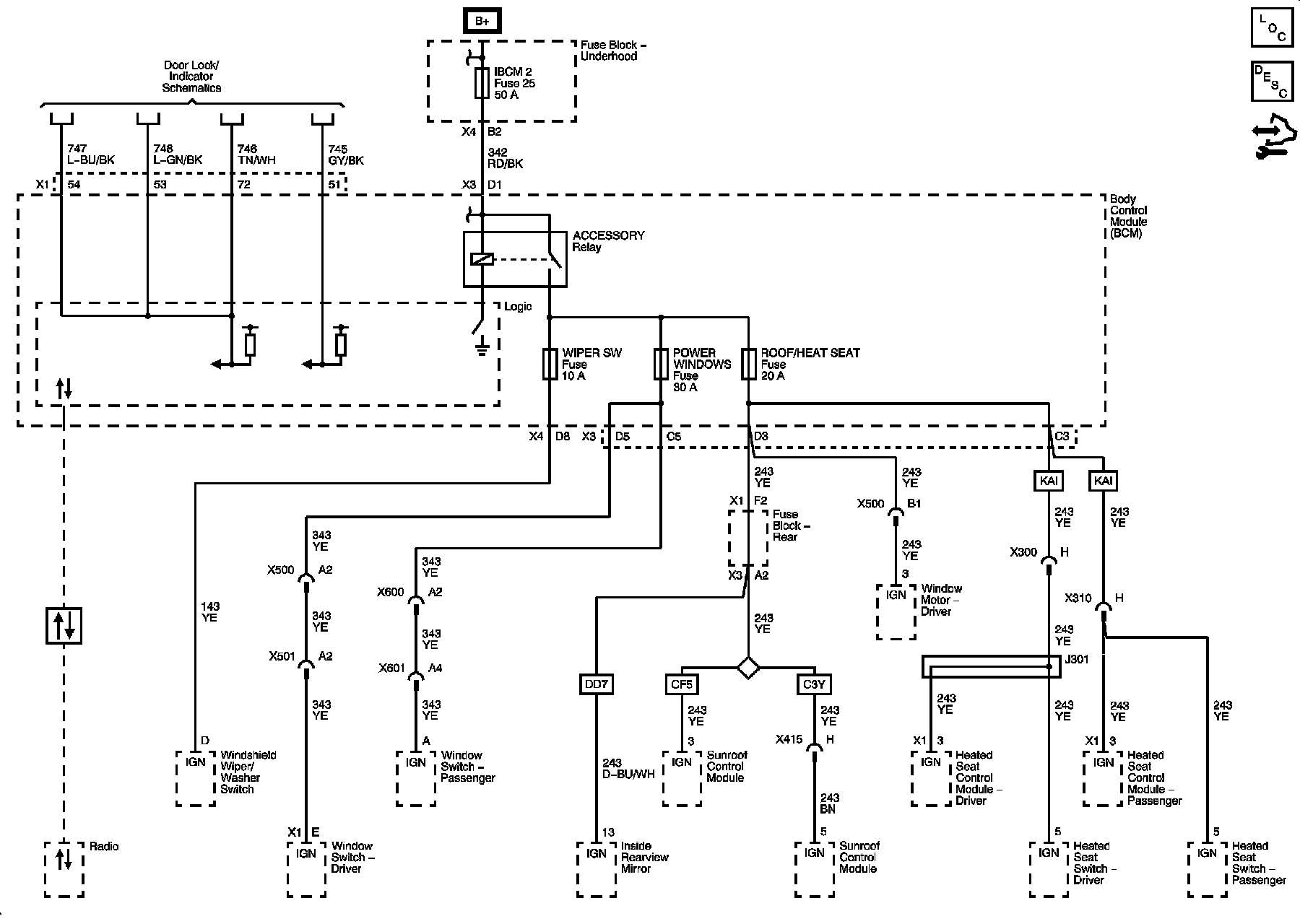
Body Control Module



Power Moding Schematics

Retained Accessory Power (RAP)