lemon-mirror:
Home >> Saturn >> 2008 >> Aura L4-2.4L >> Repair and Diagnosis >> Diagrams >> Components >> Front of Vehicle/Engine Compartment Component Views

Front of Vehicle/Engine Compartment Component Views



Front of Vehicle/Engine Compartment Component Views

Front Exterior Lights




1 - Marker Lamp - Right Front
2 - Park/Turn Signal Lamp - Right Front
3 - Headlamp - Low Beam - Right
4 - Headlamp - High Beam - Right
5 - Headlamp - High Beam - Left
6 - Park/Turn Signal Lamp - Left Front
7 - Headlamp - Low Beam - Left
8 - Marker Lamp - Left Front
9 - Repeater Lamp - Left Front (Right Similar)
10 - Fog Lamp - Left Front (T96)
11 - Front Fascia
12 - Fog Lamp - Right Front (T96)

Horn Assembly, Windshield Washer Fluid Pump, and Windshield Washer Fluid Level Switch




1 - Front Fascia Trim
2 - Left Front Headlamp
3 - Windshield Washer Fluid Level Switch
4 - Windshield Washer Fluid Pump
5 - Horn Assembly

Hood Adjar Switch, A/C Condenser, and Ambient Air Temperature Sensor




1 - Hood Ajar Switch (AP3/AP8)
2 - A/C Condenser
3 - Ambient Air Temperature Sensor

Rear of Engine Compartment Components




1 - Instrument Panel Trim
2 - Theft Deterrent Control Module
3 - Steering Column
4 - Ignition Switch
5 - Body Control Module (BCM)

A/C Refrigerant Pressure Sensor (LY7)




1 - A/C Refrigerant Pressure Sensor
2 - Rear Valve Cover
3 - Upper Intake Manifold
4 - Front Valve Cover

Windshield Wiper Motor Assembly




1 - Windshield Wiper Motor Assembly

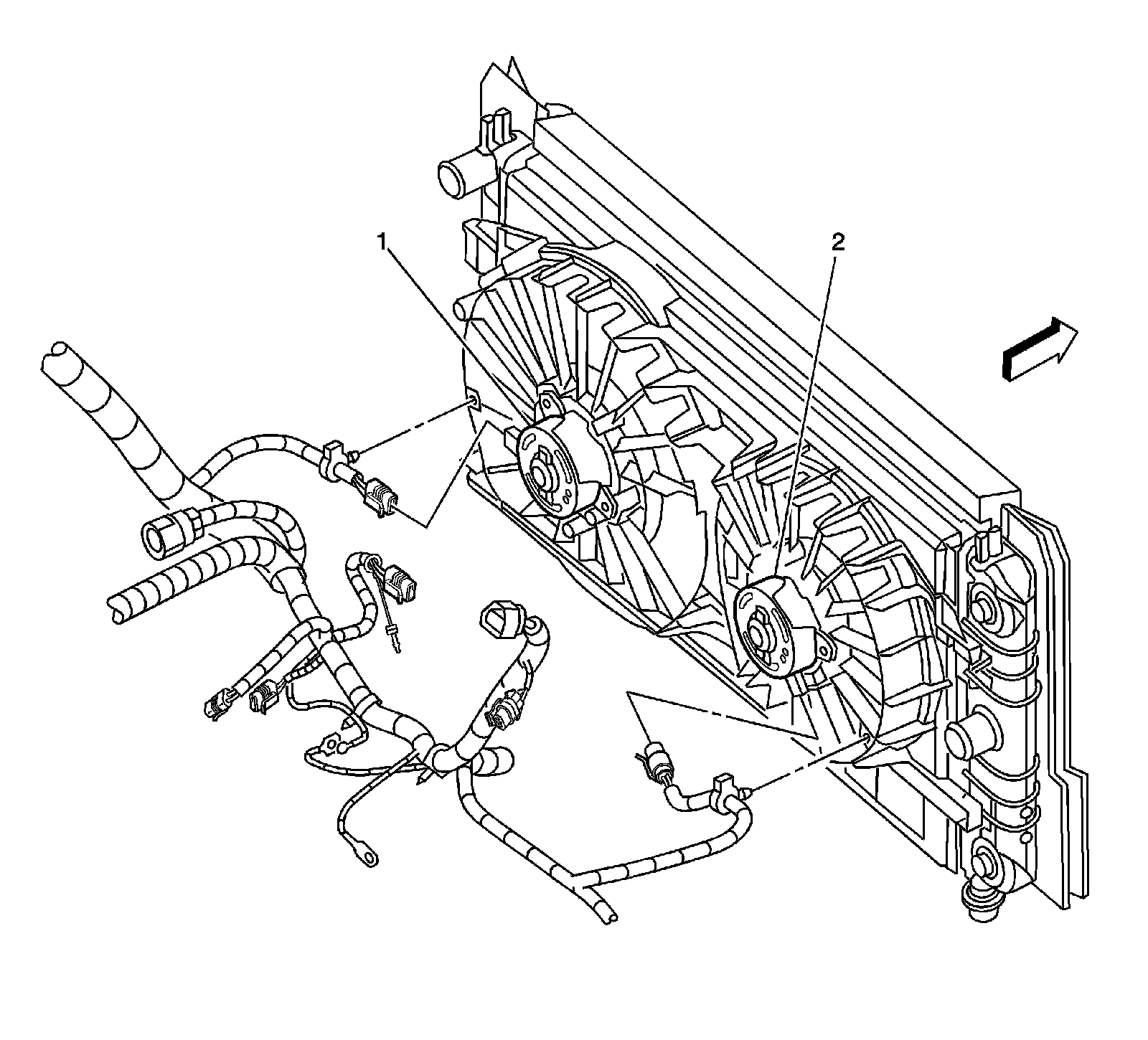
Cooling Fans

Front Of Engine Compartment:




1 - Cooling Fan - Left
2 - Cooling Fan - Right

Left Rear of Engine Compartment Components 1 of 2

Rear Of Engine Compartment:




1 - Coolant Level Switch
2 - Battery
3 - Electronic Brake Control Module (EBCM)
4 - X101
5 - G103 (NV7)
6 - Fuse Block - Underhood

Left Rear of Engine Compartment Components 2 of 2




1 - Brake Fluid Pressure Sensor (FX3)

Brake Fluid Level Switch

Brake Fluid Level Switch:




1 - Brake Fluid Level Switch

Inflatable Restraint Front End Sensors Components




1 - Left Front Strut Tower
2 - Inflatable Restraint Front End Sensor - Left
3 - Inflatable Restraint Front End Sensor - Right

Front Engine Compartment Components (LAT)




1 - Coolant Level Switch
2 - Coolant Surge Tank
3 - Cooling Fan - Left
4 - Cooling Fan - Right
5 - A/C Compressor Clutch
6 - A/C Refrigerant Pressure Sensor (C68)
7 - Starter Generator Control Module (SGCM) Cooling Pump