lemon-mirror:
Home >> Saturn >> 2007 >> VUE FWD L4-2.4L Hybrid >> Repair and Diagnosis >> Hybrid Drive Systems >> Power Control System >> Drive Motor Control Module >> Service and Repair >> Generator Control Module Replacement

Generator Control Module Replacement



Generator Control Module Replacement

Removal Procedure




1. Disconnect the hybrid battery.
2. Remove the (12-volt) battery tray.
3. Remove the generator control module 3-phase cable bracket bolt at the tie bar.






Caution: To help avoid personal injury, additional precautions must be taken prior to working on the generator control module or the generator starter. After removing the 36V battery cables from the generator battery, remove both engine wiring harness connectors from the generator control module. Wait at least 5 minutes and then remove the generator control module cover. Verify voltage levels at all 36V, 12V, and 3-phase connections, are less than 3 volts using a DMM before proceeding.

4. Disconnect the 2 engine wiring harness electrical connectors (1) from the generator control module.
5. WAIT at least 5 minutes in order to allow the voltage stored in the generator control module to discharge.




6. Remove the generator control module cover bolts and cover.
7. The generator control module will have to be checked for voltage potential using a voltmeter. First, verify that the voltmeter works:

1. Set the voltmeter to DC voltage.
2. Measure the vehicle's 12-volt battery voltage.
3. The meter should read greater than +12 volts DC.




8. Now, check the generator control module for voltage potential, in order to ensure that the module has been disabled.

1. Measure from the 36-volt positive terminal (3) to vehicle chassis ground (2). The voltage should be less than 3 volts.
2. Measure from the 12-volt positive terminal (5) to vehicle chassis ground (2). The voltage should be less than 3 volts.
3. Measure from the negative terminal (4) to vehicle chassis ground (2). The voltage should be less than 3 volts.

Caution: To help avoid personal injury, always treat the 3-phase cable and connectors as if voltage is present and as if the surface of all parts of the cable is hot.

9. Verify that the generator control module 3-phase cables are disabled.

1. Measure from each phase 1, 2, and 3 connection (1) to ground (2). The voltage should be less than 3 volts.
2. After verifying that there is no voltage present, the 12-volt and 36-volt positive battery cables, and the generator control module 3-phase cables can now be removed from the generator control module.




10. Remove the generator control module 3-phase cable nuts at the generator control module.




11. Remove the 12-volt positive battery cable nut (5) from the generator control module.
12. Remove the 36-volt positive battery cable nut (2) from the generator control module.
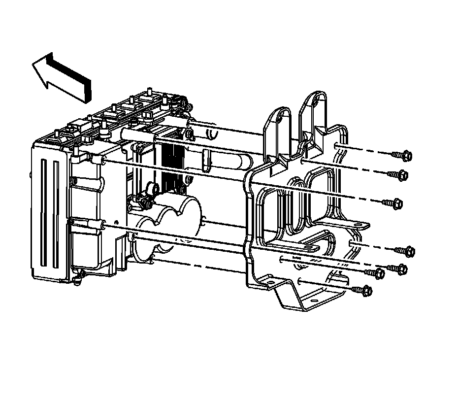
13. Remove the 36-volt terminal block nuts (1) from the generator control module.
14. Lift up, remove, and reposition the 36-volt terminal block, secure the block out of the way. Discard the terminal block seal.
15. Remove the negative terminal nut (3) and battery positive cable fuse (4).




16. Remove the generator control module 3-phase cable terminal block nuts from the generator control module.
17. Remove the generator control module 3-phase cable terminal block from the generator control module. Discard the terminal block seal.




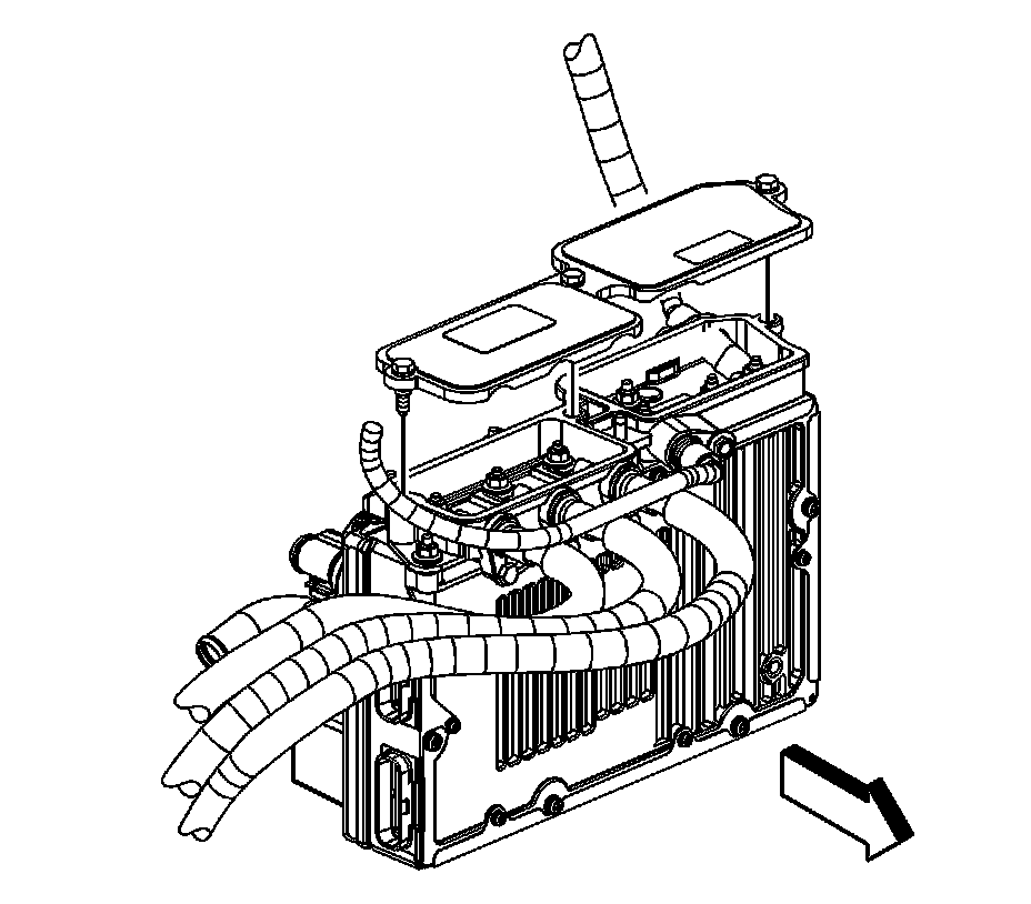
18. Reposition the radiator outlet hose clamp at the generator control module.
19. Remove the radiator outlet hose from the generator control module.
20. Reposition the generator control module coolant hose clamp (1) at the generator control module.
21. Remove the generator control module coolant hose from the generator control module.




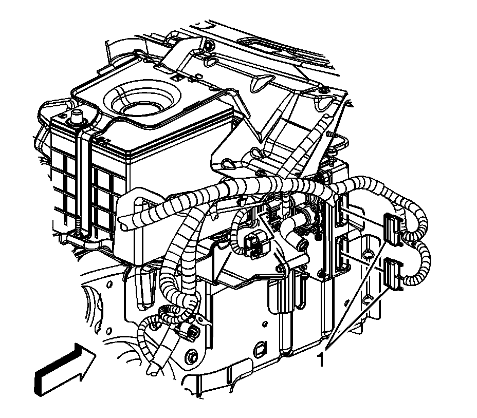
22. Disconnect the engine wiring harness electrical connector (1) from the transaxle auxiliary pump module




23. Remove the generator control module ground strap nut and strap from the module stud.




24. Remove the generator control module bracket bolt and nuts.
25. Remove the generator control module (with bracket) from the vehicle.




26. Place the generator control module assembly on a clean work surface.
27. Remove the generator control module bracket to module bolts. Separate the generator control module from the bracket.
28. If replacing the generator control module. remove the transaxle auxiliary pump control module.

Installation Procedure




1. If the generator control module was replaced. install the transaxle auxiliary pump control module.

Notice: Refer to Fastener Notice.

2. Position the generator control module to the bracket, and install the generator control module bracket to module bolts.

Tighten the bolts to 10 N.m (89 lb in).




3. Install the generator control module (with bracket) to the vehicle.
4. Install the generator control module bracket bolt and nuts.

Tighten the bolt/nuts to 10 N.m (89 lb in).




5. Install the generator control module ground strap to the stud and install the ground strap nut to the module.

Tighten the nut to 10 N.m (89 lb in).




6. Connect the engine wiring harness electrical connector (1) to the transaxle auxiliary pump.




7. Install the generator control module coolant hose to the generator control module.
8. Position the generator control module coolant hose clamp (1) at the generator control module.
9. Install the radiator outlet hose to the generator control module.
10. Position the radiator outlet hose clamp at the generator control module.




11. Place a NEW terminal block seal onto the generator control module.
12. Install the generator control module 3-phase cable terminal block to the generator control module.
13. Install the generator control module 3-phase cable terminal block nuts to the generator control module.

Tighten the nuts to 8 N.m (71 lb in).




14. Place a NEW terminal block seal onto the generator control module.
15. Unsecure, position and install the 36-volt terminal block to the generator control module.
16. Install the 36-volt terminal block nuts (1) to the generator control module.

Tighten the nuts to 10 N.m (89 lb in).

17. Install the 36-volt positive battery cable nut (2) to the generator control module.

Tighten the nut to 10 N.m (89 lb in).

18. Install the 12-volt positive battery cable nut (5) from the generator control module.

Tighten the nut to 10 N.m (89 lb in).




19. Install the generator control module 3-phase cable nuts at the generator control module.

Tighten the nuts to 8 N.m (71 lb in).




20. Install the generator control module cover and bolts.

Tighten the bolts to 10 N.m (89 lb in).




21. Connect the 2 engine wiring harness electrical connectors to the generator control module.




22. Install the generator control module 3-phase cable bracket bolt at the tie bar.

Tighten the bolt to 10 N.m (89 lb in).

23. Install the (12-volt) battery tray.
24. Connect the hybrid battery.
25. If the generator control module was replaced, program the NEW module. Refer to Control Module References.