lemon-mirror:
Home >> Saturn >> 2007 >> VUE FWD L4-2.2L >> Repair and Diagnosis >> Diagrams >> Exploded Views >> Manual Transmission/Transaxle >> Shifter Components

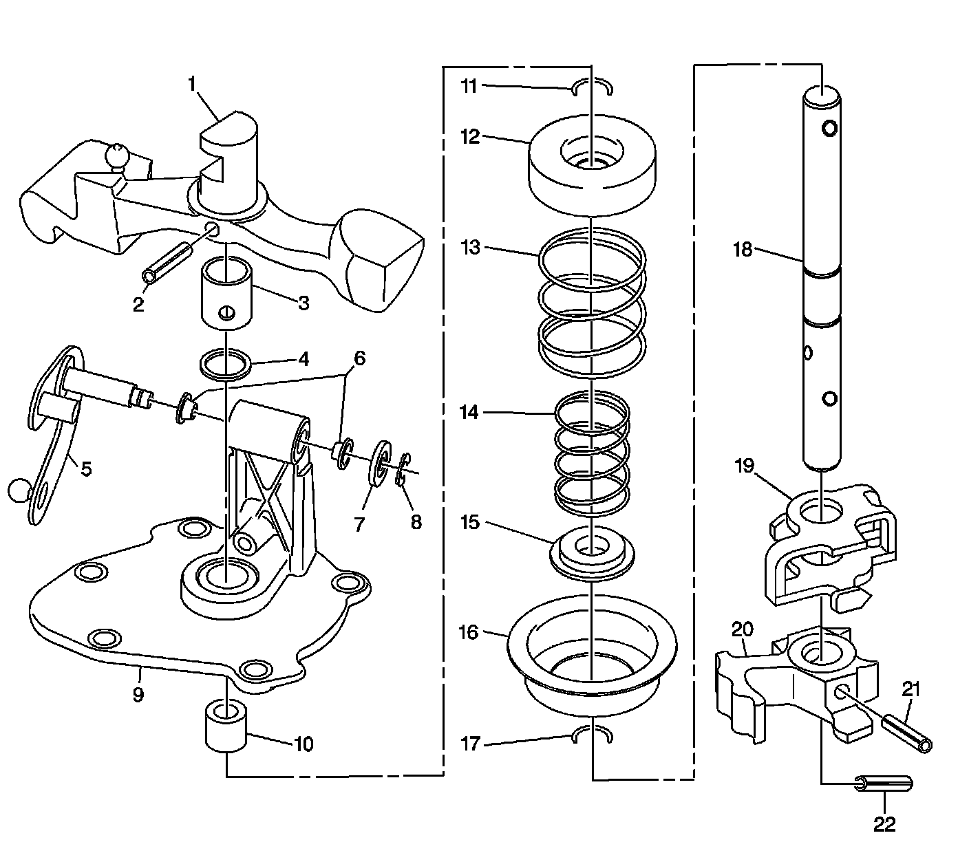
Shifter Components



Disassembled Views

Shifter Components

Shifter Components:




1 - Shift Lever
2 - Roll Pin
3 - Cover Bushing
4 - Seal
5 - Select Lever
6 - Bushing
7 - Washer
8 - Retainer
9 - Shift Cover
10 - Bushing
11 - Retainer
12 - Outer Spring Seat
13 - Outer Spring
14 - Inner Spring
15 - Inner Spring Seat
16 - End Cap
17 - Retainer
18 - Shift Shaft
19 - Outer Control Lever
20 - Inner Control Lever
21 - Roll Pin
22 - Reverse Inhibit Roll Pin