lemon-mirror:
Home >> Saturn >> 2007 >> VUE FWD L4-2.2L >> Repair and Diagnosis >> Body and Frame >> Locks >> Locations

Locks: Locations



Vehicle Access Component Views

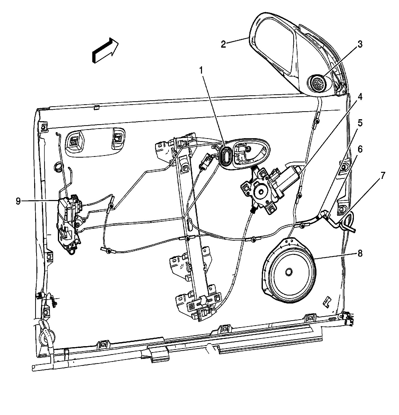
Door Harness Routing - Driver




1 - Door Lock Switch - Driver
2 - Outside Rearview Mirror - Driver
3 - Speaker - LF (Tweeter) (UW6/WBM)
4 - Window Motor - LF
5 - S500
6 - S501
7 - Body Harness
8 - Speaker - LF
9 - Door Latch - Driver

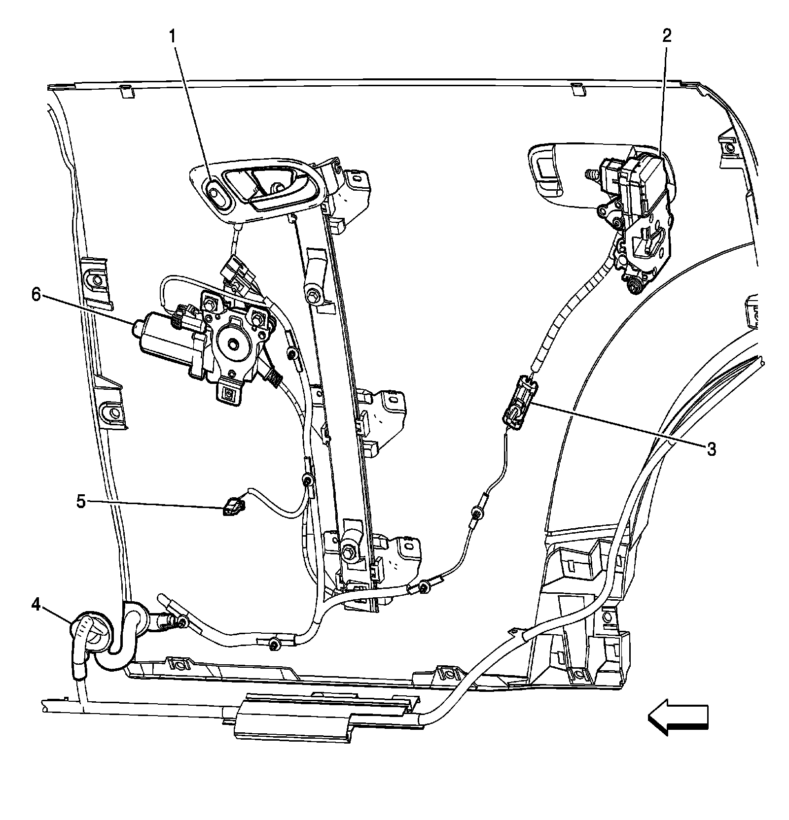
Door Harness Routing - Passenger




1 - Outside Rearview Mirror - Passenger
2 - Door Lock Switch - Front Passenger
3 - Door Latch - Front Passenger
4 - Speaker - LF
5 - Body Harness
6 - Window Motor - Front Passenger
7 - Speaker - LF (Tweeter) (UW6/WBM)

Door Harness Routing - LR




1 - Window Switch - LR
2 - Window Motor - LR
3 - Speaker - LR
4 - Body Harness
5 - C700
6 - Door Latch - LR

Door Harness Routing - RR




1 - Window Switch - RR
2 - Door Latch - RR
3 - C800
4 - Body Harness
5 - Speaker - RR Connector
6 - Window Motor - RR

Liftgate Harness Routing




1 - Center High Mounted Stop Lamp (CHMSL)
2 - C403
3 - S402
4 - C402
5 - S400
6 - S407
7 - Rear Defogger Grid Connector
8 - C405
9 - Liftgate Lamp - Left
10 - License Lamps
11 - Liftgate Latch
12 - Liftgate Lamp - Right
13 - Rear Defogger Grid Connector