lemon-mirror:
Home >> Saturn >> 2007 >> VUE FWD L4-2.2L >> Repair and Diagnosis >> Body and Frame >> Frame >> Structural Brace >> Service and Repair

Structural Brace: Service and Repair


Drivetrain and Front Suspension Frame Reinforcement Replacement


Removal Procedure

1.Raise and support the vehicle. Refer to Lifting and Jacking the Vehicle

2.Use the utility stand at the rear cross member of the frame to support the frame.





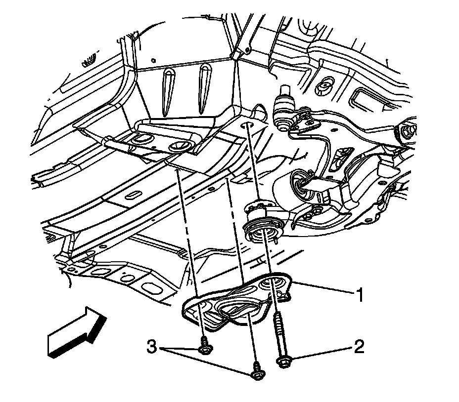
3.Remove the reinforcement bolts (3).

4.Remove the rear frame to body bolts (2). DISCARD the bolts.

5.Remove the reinforcement (1) from the vehicle.

Installation Procedure





1.Position the reinforcement (1) to the vehicle.

2.Loosely install NEW rear frame to body bolts (2).

3.Loosely install the reinforcement bolts (3).

Notice:Refer to Fastener Notice

4.Tighten the reinforcement bolts (3).

TightenTighten the bolts to 50 N �m (37 lb ft).

5.Tighten the frame to body bolts (2).

TightenTighten the bolts to 155 N �m (114 lb ft).

6.Remove the utility stand from the frame.

7.Lower the vehicle.