lemon-mirror:
Home >> Saturn >> 2007 >> RELAY FWD V6-3.9L >> Repair and Diagnosis >> Powertrain Management >> Computers and Control Systems >> Air Flow Meter/Sensor >> Service and Repair

Air Flow Meter/Sensor: Service and Repair



Mass Airflow Sensor/Intake Air Temperature Sensor Replacement

Removal Procedure




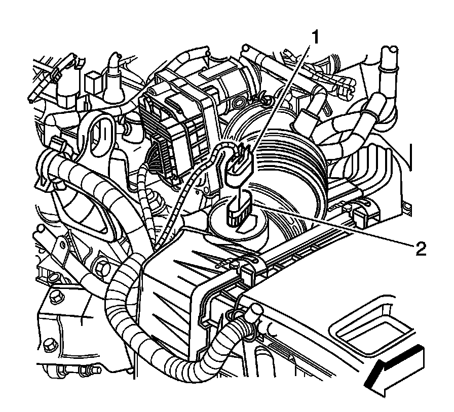
1. Disconnect the engine harness electrical connector (1) from the mass air flow (MAF)/intake air temperature (IAT) sensor.
2. Remove the air cleaner outlet duct.
3. Remove the MAF/IAT sensor (2) bolts.
4. Remove the MAF/IAT sensor (2) from the air filter housing.

Installation Procedure




1. Install the MAF/IAT sensor (2) to the air filter housing.

Notice: Refer to Fastener Notice.

2. Install the MAF/IAT sensor (2) bolts.

Tighten the bolts to 10 N.m (89 lb in).

3. Install the air cleaner outlet duct.
4. Connect the engine harness electrical connector (1) to the MAF/IAT sensor.
5. Start and idle the engine.
6. Inspect the air intake duct for leaks.